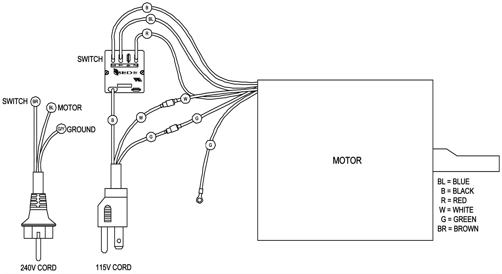
Wiring Diagram - Models After 10.2010
Click to enlarge