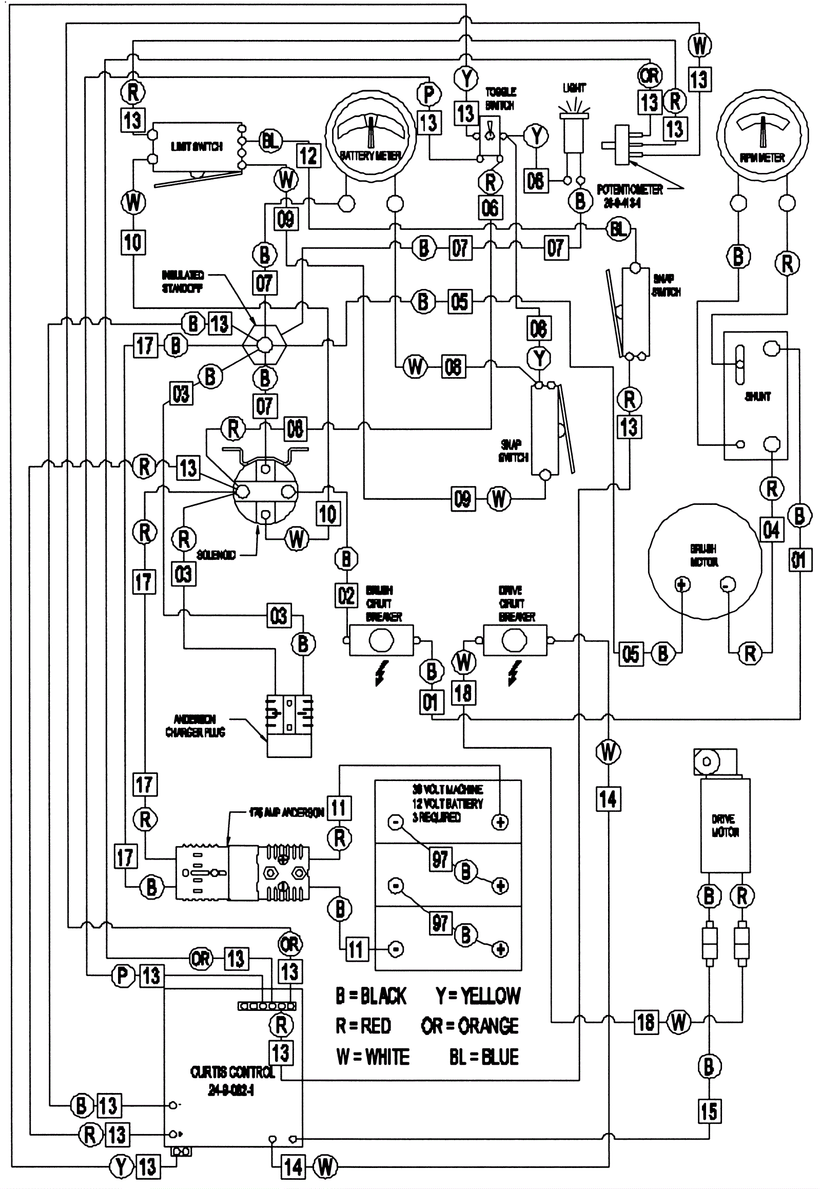
Wiring Diagram - Variable Speed
Click to enlarge