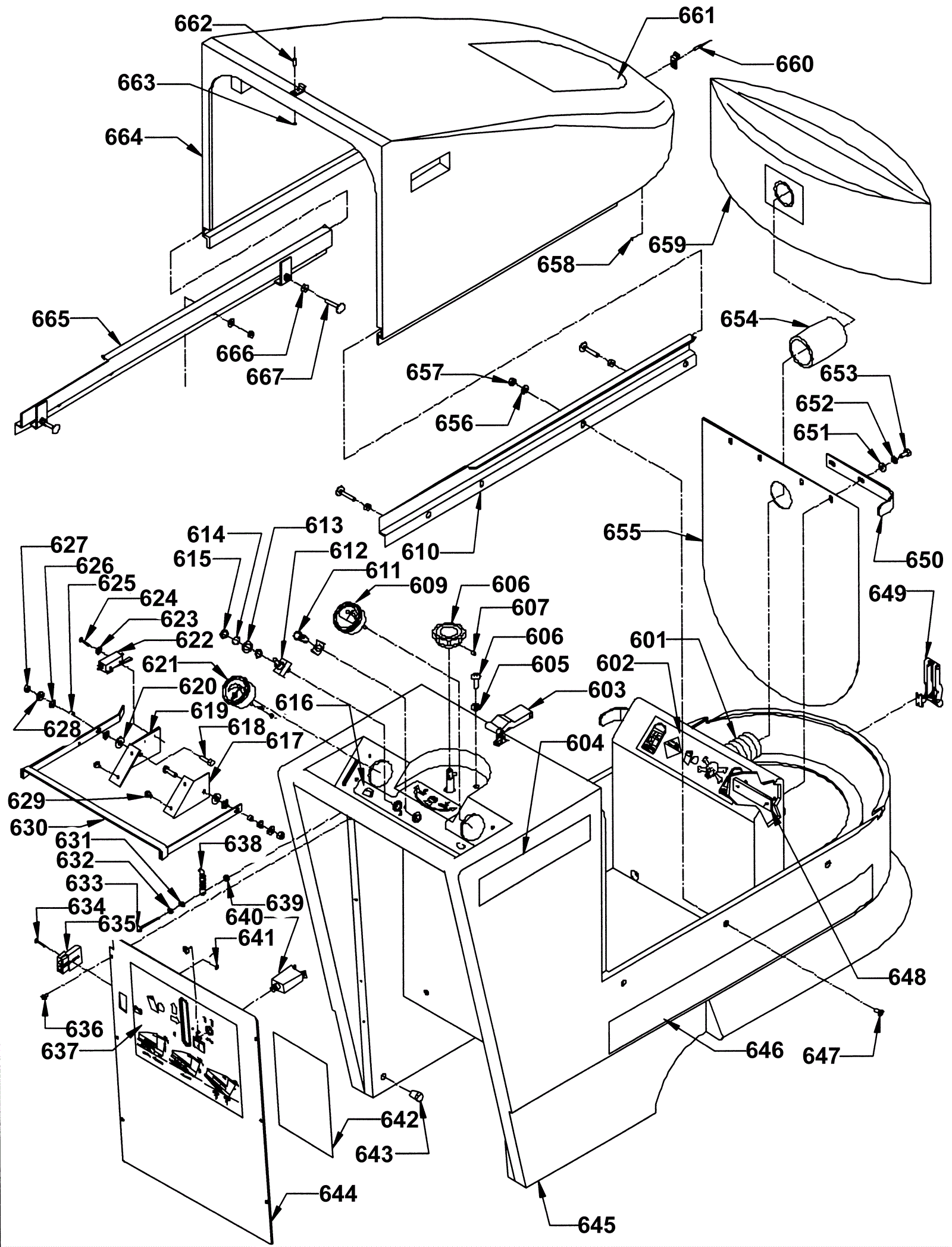
Housing - Pad Assist
Click to enlarge