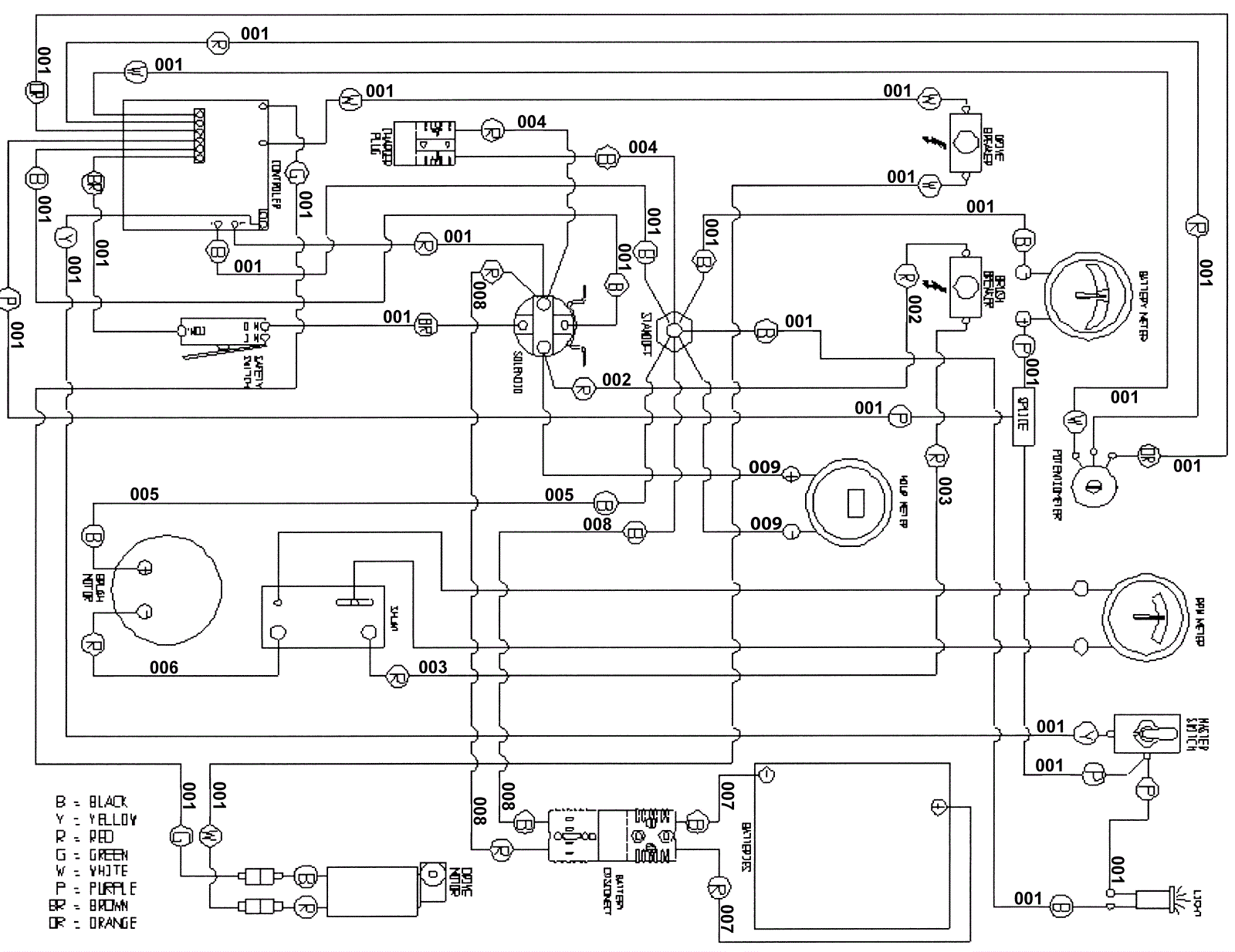
| # | Part | Description | Price | Req | Notes | Availability |
001 |
164-6445
|
Wire harness |
$76.62
|
1 |
|
usually ships 1-5 days |
002 |
164-6446
|
Wire assembly |
$11.48
|
1 |
(solenoid to brush breaker) |
usually ships 19-25 days |
003 |
164-6447
|
Wire assembly |
$17.95
|
1 |
(brush breaker to shunt) |
usually ships 19-25 days |
004 |
164-6288
|
Wire assembly (OBSOLETE) |
$28.71
|
1 |
(anderson to standoff) |
usually ships 1-5 days |
006 |
164-6427
|
Wire assembly |
$32.25
|
1 |
(shunt to motor) |
usually ships 19-25 days |
007 |
164-1321
|
Wire assembly |
$140.38
|
1 |
(connector to battery) |
ships same day |
008 |
164-6350
|
Wire assembly |
$158.66
|
1 |
(connector to solenoid and standoff) |
usually ships 19-25 days |
009 |
164-6470
|
Hour meter leads (OBSOLETE) |
$4.75
|
1 |
|
usually ships 1-5 days |
N/S |
162-5062
|
36V 20amp battery charger with small SB50 gray plug |
$715.51
|
1 |
|
usually ships 7-8 days |
N/S |
162-9024
|
36V 12amp battery charger with small SB50 gray plug |
$668.48
|
|
|
usually ships 9-23 days |
N/S |
164-0022
|
Battery meter |
$150.84
|
1 |
|
usually ships 1-5 days |
N/S |
164-0023
|
Toggle switch |
$24.95
|
1 |
|
usually ships 19-25 days |
N/S |
164-0024
|
RPM meter |
$160.34
|
1 |
|
usually ships 1-5 days |
N/S |
164-0026
|
Snap switch |
$38.20
|
1 |
|
usually ships 19-25 days |
N/S |
164-0027
|
36V solenoid contactor |
$248.92
|
1 |
|
usually ships 19-25 days |
N/S |
164-0070
|
36V Curtis speed control |
$773.19
|
1 |
|
usually ships 19-25 days |
N/S |
164-0283
|
Indicator light with clip (green) |
$24.95
|
1 |
|
usually ships 19-25 days |
N/S |
164-0310
|
Insulated stand off |
$13.66
|
1 |
|
usually ships 19-25 days |
N/S |
164-1451
|
Hour meter |
$133.54
|
1 |
|
usually ships 19-25 days |
N/S |
164-1577
|
36V drive motor |
$873.18
|
1 |
|
usually ships 19-25 days |
N/S |
164-1660
|
Key switch and key |
$32.77
|
1 |
|
ships same day |
N/S |
164-3029
|
Shunt |
$74.97
|
1 |
|
usually ships 19-25 days |
N/S |
164-4612
|
Wire tie |
$7.38
|
5 |
|
usually ships 19-25 days |
N/S |
164-6465
|
Wire assembly key switch adapter |
$8.28
|
1 |
|
usually ships 1-5 days |
N/S |
164-6472
|
36V brush motor |
$1,176.12
|
1 |
|
usually ships 19-25 days |
N/S |
172-2039
|
5K potentiometer |
$66.03
|
1 |
|
ships same day |
N/S |
991-1615
|
90amp circuit breaker |
$169.85
|
1 |
|
ships same day |
N/S |
991-1621
|
10amp circuit breaker |
$78.33
|
1 |
|
ships same day |
N/S |
991-2105
|
SB50 50amp charger plug with pins (gray) |
$7.19
|
1 |
|
ships same day |
N/S |
991-6025
|
Wire 4 x14.5, 3/8 ring x 3/8 ring |
$16.98
|
5 |
(NON-OEM) |
usually ships 18-24 days |
N/S |
998-0010
|
Battery jumper cable - ring type (red) |
$6.06
|
5 |
(For use with top, bolt type post batteries) |
ships same day |
N/S |
162-0005
|
6V 305Ah wet battery (SNSR) |
$412.50
|
6 |
|
ships same day |