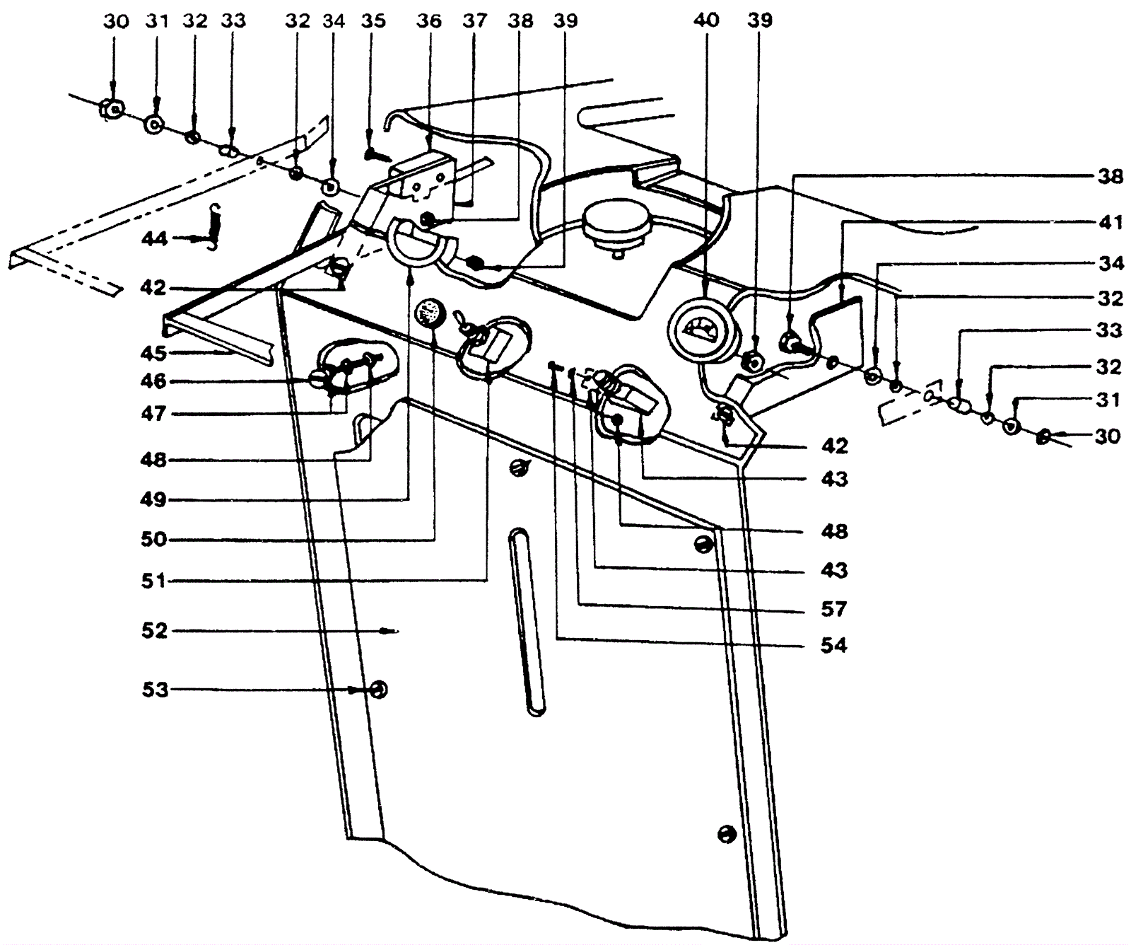
| # | Part | Description | Price | Req | Notes | Availability |
30 |
999-0152
|
Nut 1/4-20 nylon insert lock zinc plated |
$0.99
|
2 |
|
ships same day |
31 |
999-0016
|
Washer 1/4 flat plain finish |
$0.99
|
2 |
|
ships same day |
32 |
164-0137
|
Washer 3/8 spring |
$7.38
|
4 |
|
usually ships 19-25 days |
33 |
164-0136
|
Bushing |
$3.20
|
2 |
|
ships same day |
34 |
999-0032
|
Washer 3/8 USS flat plain finish |
$2.42
|
2 |
|
ships same day |
35 |
999-0127
|
Screw 6-32 x 7/8 round head slotted zinc plated |
$0.99
|
2 |
|
ships same day |
36 |
164-0026
|
Snap switch |
$38.20
|
1 |
|
usually ships 19-25 days |
37 |
N/A
|
Not available |
Call for price
|
1 |
(Left switch bracket) |
usually ships 3-26 days |
38 |
999-0297
|
Bolt 1/4-20 x 1 hex head stainless steel |
$2.53
|
2 |
|
ships same day |
39 |
999-0460
|
Nut 10-32 hex |
$0.99
|
4 |
|
ships same day |
40 |
164-0024
|
RPM meter |
$160.34
|
1 |
|
usually ships 1-5 days |
41 |
N/A
|
Not available |
Call for price
|
1 |
(Right switch bracket) |
usually ships 3-26 days |
42 |
999-0231
|
Screw 10-24 x 1/2 round head slotted zinc plated |
$0.99
|
4 |
|
ships same day |
43a |
164-1086
|
70amp circuit breaker assembly |
$218.71
|
1 |
(includes 43b) |
usually ships 19-25 days |
43b |
164-3019
|
Breaker plate |
$10.59
|
1 |
|
usually ships 1-5 days |
44 |
164-0981
|
Spring |
$7.05
|
1 |
|
usually ships 19-25 days |
45 |
164-3089
|
Handle |
$53.79
|
1 |
|
usually ships 1-5 days |
46 |
999-0652
|
Screw 10-24 x 2 round head slotted zinc plated |
$0.99
|
1 |
|
ships same day |
47 |
999-0062
|
Nut 10-24 hex |
$0.99
|
2 |
|
ships same day |
48 |
999-0211
|
Nut 5/16-18 hex nylon insert lock zinc plated |
$0.99
|
2 |
|
ships same day |
49 |
164-0022
|
Battery meter |
$150.84
|
1 |
|
usually ships 1-5 days |
50 |
164-0283
|
Indicator light with clip (green) |
$24.95
|
1 |
|
usually ships 19-25 days |
51 |
164-0023
|
Toggle switch |
$24.95
|
1 |
|
usually ships 19-25 days |
52 |
N/A
|
Not available |
Call for price
|
1 |
(Back panel) |
usually ships 3-26 days |
53 |
999-0110
|
Screw 10-16 x 1/2 pan head phillips self-drilling |
$0.99
|
8 |
|
ships same day |
54 |
999-0008
|
Screw 10-24 x 5/8 round head slotted zinc plated |
$0.99
|
2 |
|
ships same day |
57 |
999-0006
|
Washer 3/16 flat zinc plated |
$0.99
|
2 |
|
ships same day |