| # | Part | Description | Price | Req | Notes | Availability |
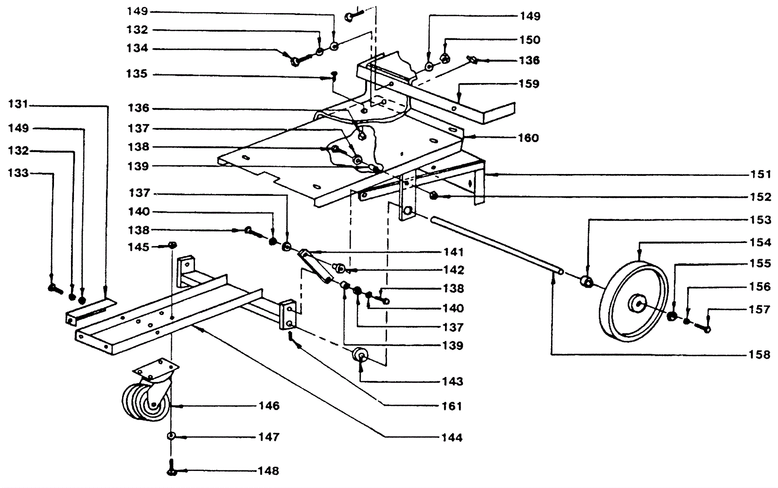
131a |
164-3036
|
Left support bracket (OBSOLETE) |
$22.72
|
1 |
|
usually ships 1-5 days |
131b |
164-3037
|
Right support bracket (OBSOLETE) |
$22.72
|
1 |
|
usually ships 1-5 days |
132 |
999-0028
|
Washer 5/16 split lock plain finish |
$0.99
|
6 |
|
ships same day |
133 |
999-0132
|
Bolt 5/16-18 x 3/4 hex head grade 5 zinc plated |
$2.64
|
4 |
|
ships same day |
134 |
999-0031
|
Bolt 5/16-18 x 1 hex head grade 5 zinc plated |
$0.99
|
4 |
|
ships same day |
135 |
999-0536
|
Screw 5/16-18 x 1 flat head socket plain finish |
$0.99
|
4 |
|
ships same day |
136 |
N/A
|
Not available |
Call for price
|
6 |
(Tinnerman nut) |
usually ships 3-26 days |
137 |
999-0114
|
Washer 1/2 SAE flat |
$0.99
|
6 |
|
ships same day |
138 |
999-0200
|
Bolt 1/2-13 x 1 1/4 hex head |
$3.45
|
6 |
|
ships same day |
139 |
164-0841
|
Bushing |
$6.41
|
4 |
|
usually ships 19-25 days |
140 |
999-0126
|
Washer 1/2 split lock |
$1.28
|
4 |
|
ships same day |
141 |
164-6281
|
Lifting arm |
$70.39
|
2 |
|
usually ships 1-5 days |
142 |
164-3770
|
Spacer |
$17.33
|
2 |
|
usually ships 1-5 days |
143 |
164-3041
|
Leg support (OBSOLETE) |
$9.02
|
2 |
|
usually ships 1-5 days |
144 |
164-6364
|
Frame-non variable speed (OBSOLETE) |
$148.56
|
1 |
|
usually ships 1-5 days |
145 |
999-0188
|
Nut 3/8-16 nylon insert lock zinc plated |
$0.99
|
4 |
|
ships same day |
146a |
991-2006
|
Caster wheel assembly (red) |
$70.44
|
1 |
(includes 146b) |
ships same day |
146b |
991-2008
|
4 inch caster wheel with bearings (red) |
$32.84
|
1 |
|
ships same day |
147 |
999-0032
|
Washer 3/8 USS flat plain finish |
$2.42
|
6 |
|
ships same day |
148 |
999-0038
|
Bolt 3/8-16 x 1 hex head grade 5 zinc plated |
$1.87
|
6 |
|
ships same day |
149 |
999-0024
|
Washer 5/16 flat stainless steel |
$1.34
|
8 |
|
ships same day |
150 |
999-0211
|
Nut 5/16-18 hex nylon insert lock zinc plated |
$0.99
|
2 |
|
ships same day |
151 |
164-3052
|
Pivot weldment |
$193.22
|
1 |
|
usually ships 1-5 days |
152 |
999-0262
|
Nut 1/2-13 nylon insert jam lock zinc plated |
$0.99
|
2 |
|
ships same day |
153 |
164-3044
|
Wheel spacer |
$12.39
|
2 |
|
usually ships 19-25 days |
154a |
164-0029
|
8 inch wheel with bearings |
$327.82
|
2 |
(includes 154b) |
ships same day |
154b |
164-3045
|
Wheel bearing |
$50.84
|
2 |
|
usually ships 19-25 days |
154c |
991-9191
|
8"x1 5/8" RUBBER WHEEL W/3/4 BRGS |
$69.49
|
2 |
(NON-OEM) |
usually ships 18-24 days |
155 |
999-0617
|
Washer 3/8 x 1 flat stainless steel |
$1.82
|
2 |
|
ships same day |
156 |
999-0034
|
Washer 3/8 split lock plain finish |
$1.82
|
2 |
|
ships same day |
157 |
999-0347
|
Screw 1/4-20 x 1/2 cup point socket set plain finish |
$0.99
|
2 |
|
ships same day |
158 |
164-3046
|
Axle |
$68.92
|
1 |
|
usually ships 1-5 days |
159 |
164-3047
|
Housing brace (OBSOLETE) |
$77.15
|
1 |
|
usually ships 1-5 days |
160 |
164-3048
|
Base weldment (OBSOLETE) |
$204.27
|
1 |
|
usually ships 1-5 days |
161 |
999-0347
|
Screw 1/4-20 x 1/2 cup point socket set plain finish |
$0.99
|
2 |
|
ships same day |