| # | Part | Description | Price | Req | Notes | Availability |
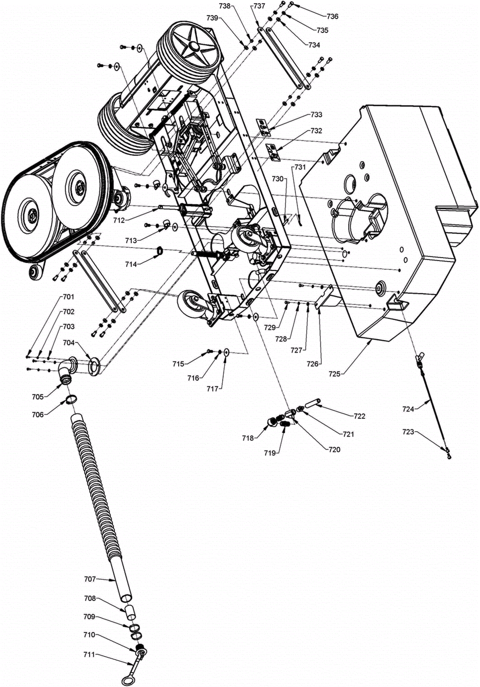
701 |
999-1029
|
Screw 10-24 x 5/8 truss head phillips stainless steel |
$0.99
|
3 |
|
ships same day |
702 |
999-0311
|
Washer #10 external star lock zinc plated |
$0.99
|
3 |
|
ships same day |
703 |
164-9190
|
Washer #10-7/32 x 1/2 flat (pkg of 10) |
$5.89
|
3 |
|
usually ships 19-25 days |
704 |
264-0164
|
Drain fitting gasket |
$8.84
|
1 |
|
usually ships 19-25 days |
705 |
264-0165
|
Drain hose fitting |
$80.00
|
1 |
|
usually ships 19-25 days |
706 |
164-9759
|
Hose clamp |
$5.63
|
1 |
|
usually ships 19-25 days |
707a |
164-0863
|
Drain hose assembly |
$214.31
|
1 |
(includes 707a-711) |
ships same day |
707b |
164-0210
|
Recovery tank drain hose |
$101.35
|
1 |
|
ships same day |
708 |
164-0208
|
Tube |
$38.84
|
1 |
|
ships same day |
709 |
164-0209
|
Hose clamp |
$3.16
|
2 |
|
ships same day |
710 |
164-0043
|
Drain plug |
$50.38
|
1 |
|
usually ships 19-25 days |
711 |
164-0207
|
Plug strap |
$20.52
|
1 |
|
usually ships 19-25 days |
712 |
264-0166
|
Brush deck actuator |
$405.52
|
1 |
|
usually ships 19-25 days |
713 |
164-0934
|
P clamp |
$5.90
|
2 |
|
usually ships 19-25 days |
714 |
997-2002
|
Hose clamp #6 |
$2.15
|
1 |
|
ships same day |
715 |
999-0493
|
Bolt 3/8-16 x 3/4 hex head stainless steel |
$0.99
|
6 |
|
ships same day |
716 |
999-0034
|
Washer 3/8 split lock plain finish |
$1.82
|
6 |
|
ships same day |
717 |
999-0035
|
Washer 3/8 x 1 1/2 fender |
$0.99
|
6 |
|
ships same day |
718 |
264-0167
|
Elbow fitting |
$10.00
|
1 |
|
usually ships 19-25 days |
719 |
264-0168
|
Pipe nipple |
$3.93
|
2 |
|
usually ships 19-25 days |
720 |
264-0169
|
Ball valve |
$51.28
|
1 |
|
usually ships 19-25 days |
721 |
164-1405
|
Hose barb straight plastic fitting 1/2 npt x 1/2 |
$4.31
|
1 |
|
usually ships 19-25 days |
722 |
991-1405
|
Vinyl tubing 1/2 x 3/4 (sold by the inch) |
$0.44
|
4 in |
|
usually ships 12-16 days |
723 |
998-0001
|
1/4 spade male terminal 10-12 gauge |
$0.99
|
2 |
|
ships same day |
724 |
264-0170
|
Float switch |
$82.51
|
1 |
|
usually ships 19-25 days |
725 |
264-0171
|
Solution and recovery tank |
$832.82
|
1 |
|
usually ships 19-25 days |
726 |
264-0172
|
Float switch cover |
Call for price
|
1 |
|
usually ships 19-25 days |
727 |
999-0335
|
Washer 1/4 x 5/8 SAE flat stainless steel |
$0.99
|
2 |
|
ships same day |
728 |
999-0060
|
Washer 1/4 split lock plain finish |
$0.99
|
2 |
|
ships same day |
729 |
999-0019
|
Bolt 1/4-20 x 5/8 hex head grade 5 zinc plated |
$0.99
|
2 |
|
ships same day |
730 |
264-0173
|
Clevis pin |
Call for price
|
1 |
|
usually ships 19-25 days |
731 |
264-0112
|
Cotter pin |
$1.16
|
1 |
|
usually ships 19-25 days |
732 |
164-9921
|
Decal |
Call for price
|
1 |
|
usually ships 19-25 days |
733 |
264-0174
|
Brush motor fuses decal |
Call for price
|
1 |
|
usually ships 19-25 days |
734 |
164-0941
|
Washer 13/32 x 13/16 |
$7.38
|
8 |
|
ships same day |
735 |
999-0034
|
Washer 3/8 split lock plain finish |
$1.82
|
8 |
|
ships same day |
736 |
999-0038
|
Bolt 3/8-16 x 1 hex head grade 5 zinc plated |
$1.87
|
8 |
|
ships same day |
737 |
264-0175
|
Stabilizer bar |
Call for price
|
4 |
|
usually ships 19-25 days |
738 |
164-0151
|
Spacer |
$3.85
|
8 |
|
usually ships 19-25 days |
739 |
999-0024
|
Washer 5/16 flat stainless steel |
$1.34
|
8 |
|
ships same day |