# | Part | Description | Price | Req | Notes | Availability |
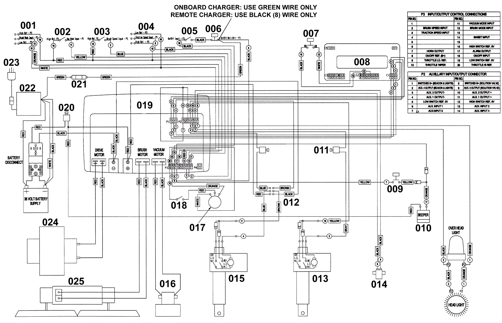
001 |
164-2000
|
Forward/reverse switch (6 prong) |
$42.77
|
1 |
(brush) |
usually ships 19-25 days |
002 |
164-0023
|
Toggle switch |
$24.95
|
1 |
(vacuum) |
usually ships 19-25 days |
003 |
164-0023
|
Toggle switch |
$24.95
|
1 |
(brush speed) |
usually ships 19-25 days |
004 |
164-2000
|
Forward/reverse switch (6 prong) |
$42.77
|
1 |
(traction speed) |
usually ships 19-25 days |
005a |
164-2630
|
Key switch and wire assembly |
$148.61
|
1 |
|
usually ships 1-5 days |
005b |
164-1660
|
Key switch and key |
$32.77
|
1 |
(includes 005c) |
ships same day |
005c |
164-1661
|
Key (pkg of 2) |
$27.95
|
1 |
|
usually ships 19-25 days |
006a |
164-2024
|
Emergency stop |
$154.56
|
1 |
|
usually ships 19-25 days |
006b |
164-2025
|
Emergency stop block (red button) |
$109.05
|
1 |
(for use with Curtis Control Board 164-0070) |
usually ships 19-25 days |
007 |
164-1662
|
Push button switch |
$73.54
|
1 |
(toggles display) |
usually ships 19-25 days |
008 |
164-1663
|
LCD module |
$768.67
|
1 |
|
usually ships 19-25 days |
009 |
164-1662
|
Push button switch |
$73.54
|
1 |
(horn) |
usually ships 19-25 days |
010 |
164-1656
|
Back-up alarm |
$135.72
|
1 |
|
usually ships 19-25 days |
011 |
991-1608
|
2amp circuit breaker |
$74.13
|
1 |
(brush lifting actuators) |
ships same day |
012 |
164-2000
|
Forward/reverse switch (6 prong) |
$42.77
|
1 |
|
usually ships 19-25 days |
013 |
164-1623
|
Actuator kit (brush and squeegee)- DO NOT ORDER -SEE NOTE |
$919.53
|
1 |
(squeegee lifting) |
usually ships 19-25 days |
014 |
164-1191
|
Solenoid valve |
$206.13
|
1 |
|
ships same day |
015 |
164-1623
|
Actuator kit (brush and squeegee)- DO NOT ORDER -SEE NOTE |
$919.53
|
1 |
(brush lifting) |
usually ships 19-25 days |
016a |
164-1425
|
36V vacuum motor kit |
$1,550.95
|
1 |
|
usually ships 1-5 days |
016b |
164-7293
|
36V 3 stage vacuum motor (motor only) |
$333.64
|
1 |
|
usually ships 19-25 days |
016c |
164-1560
|
Carbon brush (sold individually) |
$50.64
|
4 |
|
ships same day |
017 |
172-2039
|
5K potentiometer |
$63.07
|
1 |
|
ships same day |
018 |
164-1631
|
Seat switch |
$98.02
|
1 |
|
usually ships 19-25 days |
019 |
164-1354
|
Machine controller |
$1,735.44
|
1 |
|
usually ships 19-25 days |
020 |
991-1615
|
90amp circuit breaker |
$169.85
|
1 |
(main) |
ships same day |
021 |
164-6480
|
4amp fuse |
$4.57
|
1 |
|
ships same day |
022a |
164-7965
|
36V onboard charger retro kit (NSS) |
$1,797.07
|
1 |
(NSS) |
usually ships 19-25 days |
022b |
162-9027
|
36V 25amp onboard battery charger (Dual Pro) (AGM/wet) |
$906.57
|
1 |
(Dual Pro) (Does not include green wire. Open the control panel and in the main harness bundle (running up from the trio to the LCD/switches) there should be a black wire taped up (it may be tagged remote/off board charger only). Release that wire and run it up to the E-Stop and attach it into the terminal where the green wire is connected.) |
ships same day |
023 |
164-6477
|
Onboard charger extension cord |
$32.26
|
1 |
(Champ 3529 and Champ 2929) |
usually ships 19-25 days |
024 |
164-1601
|
Drive wheel with motor assembly |
$5,302.72
|
1 |
|
usually ships 19-25 days |
025 |
164-1730
|
36V brush motor assembly |
$3,940.84
|
1 |
|
ships same day |
N/S |
164-1321
|
Wire assembly |
$140.38
|
1 |
|
ships same day |
N/S |
164-1328
|
Fuse holder with nut and washer |
$18.41
|
1 |
|
ships same day |
N/S |
164-1360
|
Wiring assembly (controller to brush) |
$81.87
|
1 |
|
usually ships 19-25 days |
N/S |
164-1604
|
Carbon brush kit |
$461.41
|
4 |
(for drive motor 164-1603) |
ships same day |
N/S |
164-1622
|
Actuator setting instructions |
$0.99
|
1 |
|
usually ships 1-5 days |
N/S |
164-1658
|
Ground wire |
$54.95
|
2 |
|
usually ships 1-5 days |
N/S |
164-1753
|
Wiring assembly (control board to controller) |
$76.15
|
1 |
|
usually ships 1-5 days |
N/S |
164-1754
|
Wiring assembly (emergency stop to key switch) |
$6.49
|
1 |
|
usually ships 19-25 days |
N/S |
164-1755
|
Wiring assembly (controller to LCD) |
$44.75
|
1 |
|
usually ships 1-5 days |
N/S |
164-1756
|
Wiring assembly (controller to drive motor) |
$102.56
|
1 |
|
usually ships 19-25 days |
N/S |
164-1757
|
Wiring assembly (battery to machine control) |
$176.87
|
1 |
|
usually ships 19-25 days |
N/S |
164-1758
|
Main wiring harness |
$366.16
|
1 |
(2 wires to seat switches, 2 to service light, 1 to headlight) (wires run under the seat and up through the battery tray) |
usually ships 1-5 days |
N/S |
164-1760
|
Wiring assembly (LCD to switch) |
$123.28
|
1 |
|
usually ships 19-25 days |
N/S |
164-1761
|
Back-up wire |
$6.41
|
1 |
|
usually ships 1-5 days |
N/S |
164-1762
|
Wiring assembly (high reference) |
$5.59
|
1 |
|
usually ships 1-5 days |
N/S |
164-1763
|
Wiring assembly (low reference) |
$5.59
|
1 |
|
usually ships 1-5 days |
N/S |
164-1764
|
Wiring assembly (actuator to deck lift) |
$48.28
|
1 |
(wires run from the brush actuator to the deck lift, bypassing the control board) |
usually ships 1-5 days |
N/S |
164-1765
|
Wiring assembly (overhead light) |
$429.28
|
1 |
|
usually ships 1-5 days |
N/S |
164-1766
|
Wiring assembly (headlight with bracket) |
$659.12
|
1 |
|
usually ships 1-5 days |
N/S |
164-1767
|
Wiring assembly (auxilary harness to controller) |
$253.33
|
1 |
|
usually ships 1-5 days |
N/S |
164-1768
|
Flash tube |
$56.65
|
1 |
|
usually ships 1-5 days |
N/S |
164-1769
|
Headlight bulb |
$84.48
|
1 |
|
usually ships 1-5 days |
N/S |
164-1770
|
Input wire (brush speed) |
$5.90
|
1 |
|
usually ships 1-5 days |
N/S |
164-7416
|
Wiring assembly (charger plug to battery) |
$127.18
|
1 |
|
ships same day |
N/S |
991-6025
|
Wire 4 x14.5, 3/8 ring x 3/8 ring |
$16.98
|
5 |
(NON-OEM) |
usually ships 18-24 days |
N/S |
998-0010
|
Battery jumper cable - ring type (red) |
$6.06
|
5 |
|
ships same day |