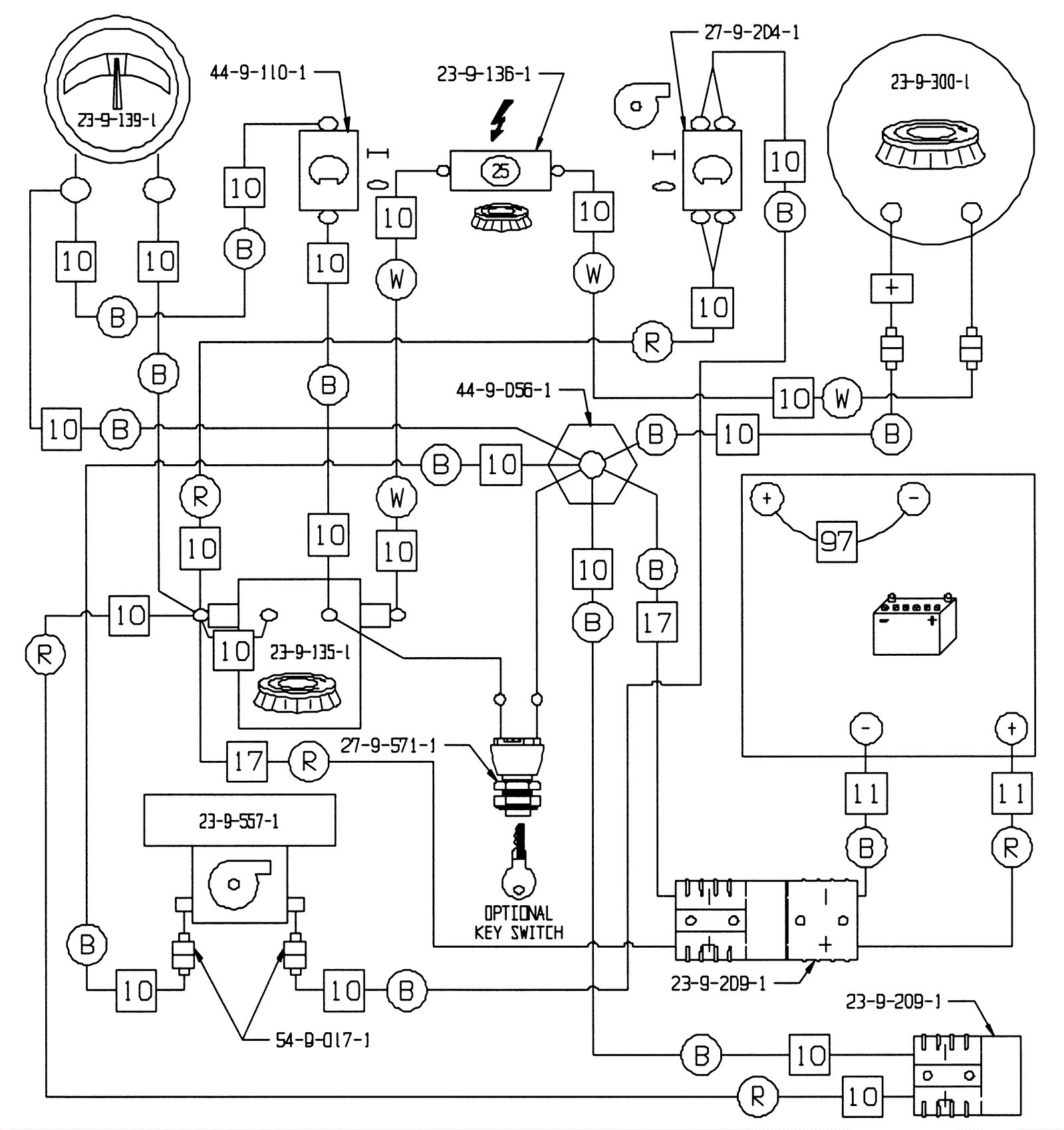
| # | Part | Description | Price | Req | Notes | Availability |
010 |
164-7189
|
Wire harness 1pc Wrangler 20 (FSO) (OBSOLETE) |
$119.19
|
1 |
|
usually ships 1-5 days |
011 |
164-1189
|
Wire assembly (connector to battery) |
$73.21
|
1 |
|
usually ships 19-25 days |
017 |
164-2477
|
Wire assembly (Anderson to solenoid/standoff) |
$87.90
|
1 |
|
usually ships 1-5 days |
097a |
998-0010
|
Battery jumper cable - ring type (red) |
$6.06
|
5 |
(For use with top, bolt type post batteries) |
ships same day |
097b |
991-6025
|
Wire 4 x14.5, 3/8 ring x 3/8 ring |
$16.98
|
5 |
(NON-OEM) |
usually ships 18-24 days |
N/S |
164-0023
|
Toggle switch |
$24.95
|
1 |
|
usually ships 19-25 days |
N/S |
164-0290
|
Toggle switch |
$14.63
|
1 |
|
ships same day |
N/S |
164-0310
|
Insulated stand off |
$13.66
|
1 |
|
usually ships 19-25 days |
N/S |
164-0834
|
24V brush gear motor assembly |
$1,698.80
|
1 |
|
usually ships 1-5 days |
N/S |
164-0889
|
Battery meter |
$157.51
|
1 |
|
usually ships 19-25 days |
N/S |
164-0892
|
24V solenoid contactor |
$96.03
|
1 |
|
usually ships 19-25 days |
N/S |
164-2630
|
Key switch and wire assembly |
$148.61
|
|
|
usually ships 1-5 days |
N/S |
164-9458
|
Brass fitting |
Call for price
|
5 |
|
usually ships 19-25 days |
N/S |
991-1210
|
24V 3 stage vacuum motor tangential |
$108.07
|
1 |
|
ships same day |
N/S |
991-1618
|
30amp circuit breaker |
$82.69
|
1 |
|
usually ships 19-25 days |