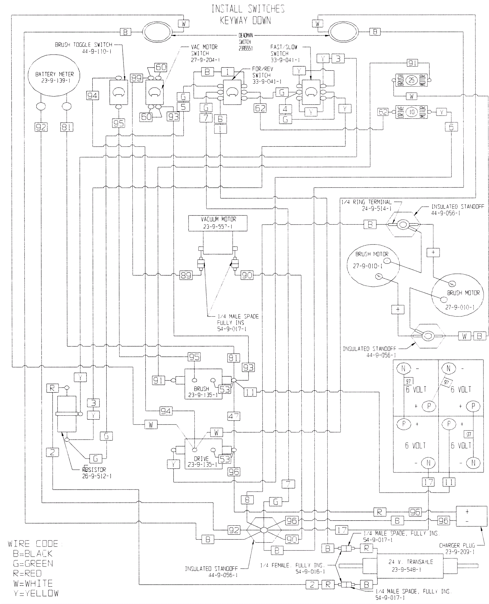
Electrical Components-Wiring Diagram
Click to enlarge