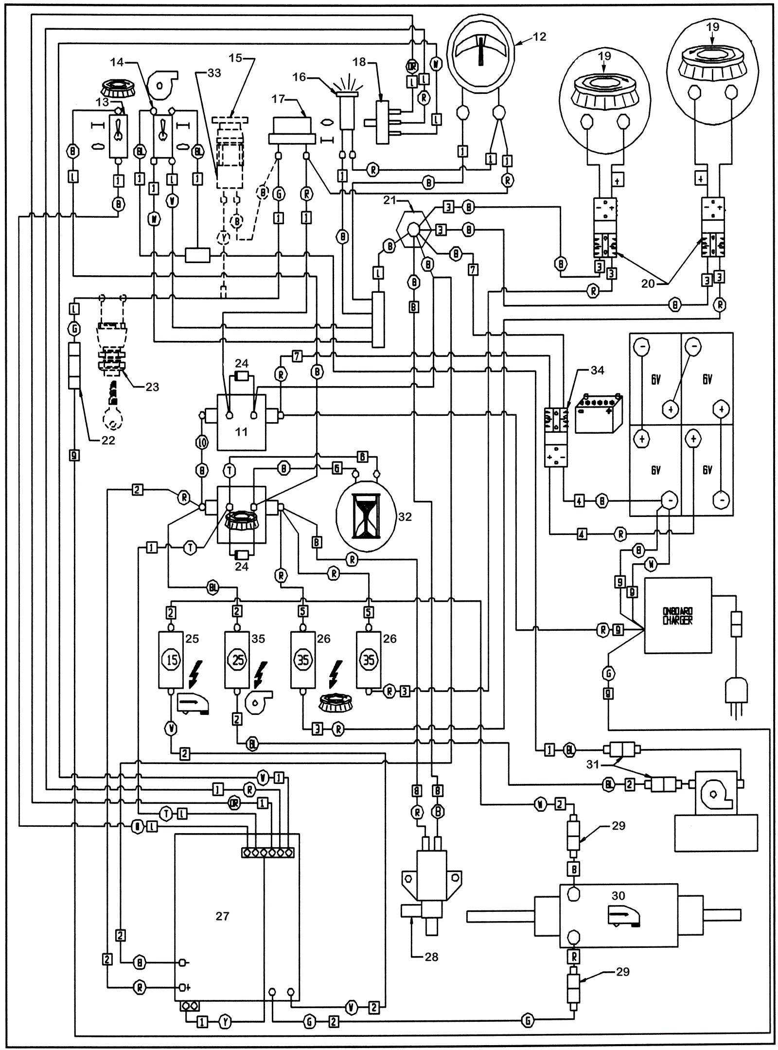
# | Part | Description | Price | Req | Notes | Availability |
1 |
164-7288
|
Upper wiring harness |
$153.33
|
1 |
|
usually ships 1-5 days |
2 |
164-8000
|
Lower wiring harness |
$65.46
|
1 |
|
usually ships 1-5 days |
3 |
164-8001
|
Brush motor wiring assembly |
$100.52
|
1 |
|
usually ships 1-5 days |
4a |
164-8002
|
Anderson to battery wire assembly |
$99.48
|
1 |
|
ships same day |
4b |
991-9284
|
50amp charger plug SB50 with pins (red) |
$7.19
|
1 |
|
usually ships 1-5 days |
5 |
164-8003
|
Positive brush jumper |
$14.43
|
1 |
|
usually ships 1-5 days |
6 |
164-2571
|
Hour meter wire assembly |
$16.36
|
1 |
|
usually ships 1-5 days |
7 |
164-8004
|
Anderson to solenoid wire assembly |
$118.54
|
1 |
|
usually ships 19-25 days |
9a |
164-7967
|
24V onboard charger retro kit (Wrangler 26) |
$1,388.97
|
1 |
|
usually ships 19-25 days |
9b |
164-6477
|
Onboard charger extension cord |
$32.26
|
1 |
|
ships same day |
10 |
164-0685
|
Forward and reverse solenoid terminal wires |
$11.41
|
1 |
|
usually ships 1-5 days |
11 |
164-0892
|
24V solenoid contactor |
$96.03
|
2 |
|
ships same day |
12 |
164-0889
|
Battery meter |
$157.51
|
1 |
|
usually ships 19-25 days |
13 |
164-0023
|
Toggle switch |
$24.95
|
1 |
(brush motor) |
usually ships 19-25 days |
14 |
164-0290
|
Toggle switch |
$14.63
|
1 |
(vacuum motor) |
ships same day |
15 |
164-2024
|
Emergency stop |
$154.56
|
1 |
|
usually ships 19-25 days |
16 |
164-0888
|
Indicator light with clip (green) |
$40.51
|
1 |
|
usually ships 19-25 days |
17 |
164-0001
|
Master switch |
$28.20
|
1 |
|
usually ships 19-25 days |
18 |
172-2039
|
5K potentiometer |
$63.07
|
1 |
|
ships same day |
19a |
164-7932
|
24V brush gear motor assembly |
$1,698.80
|
2 |
(OEM) |
ships same day |
19b |
991-2121
|
24V .75HP brush motor assembly with gear box |
$593.85
|
2 |
(NON-OEM) |
ships same day |
20 |
991-9284
|
50amp charger plug SB50 with pins (red) |
$7.19
|
4 |
|
usually ships 1-5 days |
21 |
164-0310
|
Insulated stand off |
$13.66
|
1 |
|
usually ships 19-25 days |
22 |
164-6480
|
4amp fuse |
$4.57
|
1 |
|
ships same day |
23 |
164-2631
|
Key switch - installed at NSS (OBSOLETE) |
$483.95
|
1 |
|
usually ships 1-5 days |
24 |
164-0583
|
Silicon rectifier (diode) |
$13.16
|
2 |
|
usually ships 19-25 days |
25 |
991-1610
|
15amp circuit breaker |
$69.23
|
1 |
|
usually ships 19-25 days |
26 |
164-8007
|
35amp circuit breaker |
$66.23
|
2 |
|
usually ships 19-25 days |
27 |
164-0895
|
24V Curtis speed control for Wrangler 26 |
$563.44
|
1 |
|
usually ships 19-25 days |
28 |
164-2495
|
Solenoid valve |
$176.87
|
1 |
|
ships same day |
29 |
998-0001
|
1/4 spade male terminal 10-12 gauge |
$0.99
|
2 |
|
ships same day |
30 |
164-8120
|
Transaxle with wheels kit |
$2,202.28
|
1 |
|
usually ships 19-25 days |
31 |
164-4644
|
Female terminal |
$3.72
|
2 |
|
usually ships 19-25 days |
32 |
164-1451
|
Hour meter |
$133.54
|
1 |
|
usually ships 19-25 days |
33 |
164-2025
|
Emergency stop block (red button) |
$109.05
|
1 |
(for use with Curtis Control Board 164-0070) |
usually ships 19-25 days |
34 |
164-7933
|
120amp charger plug with pins (red) SB120 |
$55.08
|
2 |
|
ships same day |
35 |
991-1609
|
25amp circuit breaker |
$66.55
|
1 |
|
usually ships 19-25 days |
N/S |
998-0010
|
Battery jumper cable - ring type (red) |
$6.06
|
3 |
|
ships same day |
N/S |
991-6025
|
Wire 4 x14.5, 3/8 ring x 3/8 ring |
$16.98
|
3 |
(NON-OEM) |
usually ships 18-24 days |
N/S |
991-2102
|
50amp charger plug SB50 only (red) |
$16.27
|
6 |
|
ships same day |
N/S |
164-7997
|
24V 3 stage vacuum motor |
$756.11
|
1 |
(NSS) |
usually ships 19-25 days |
N/S |
991-1210
|
24V 3 stage vacuum motor tangential |
$119.97
|
1 |
(NON-OEM) |
usually ships 18-24 days |
N/S |
164-2569
|
#6 ring terminal 18-22 gauge |
$2.26
|
2 |
|
usually ships 1-5 days |
N/S |
164-2653
|
Jumper to emergency stop wire (OBSOLETE) |
$2.51
|
1 |
|
usually ships 1-5 days |
N/S |
164-2654
|
Emergency stop to master wire (OBSOLETE) |
$2.57
|
1 |
|
usually ships 1-5 days |
N/S |
164-0387
|
Hour meter kit (optional) (OBSOLETE) |
$149.88
|
1 |
|
usually ships 19-25 days |
N/S |
164-1328
|
Fuse holder with nut and washer |
$18.41
|
1 |
|
ships same day |
N/S |
264-0095
|
I-drive controller |
$430.33
|
1 |
|
usually ships 19-25 days |