# | Part | Description | Price | Req | Notes | Availability |
001 |
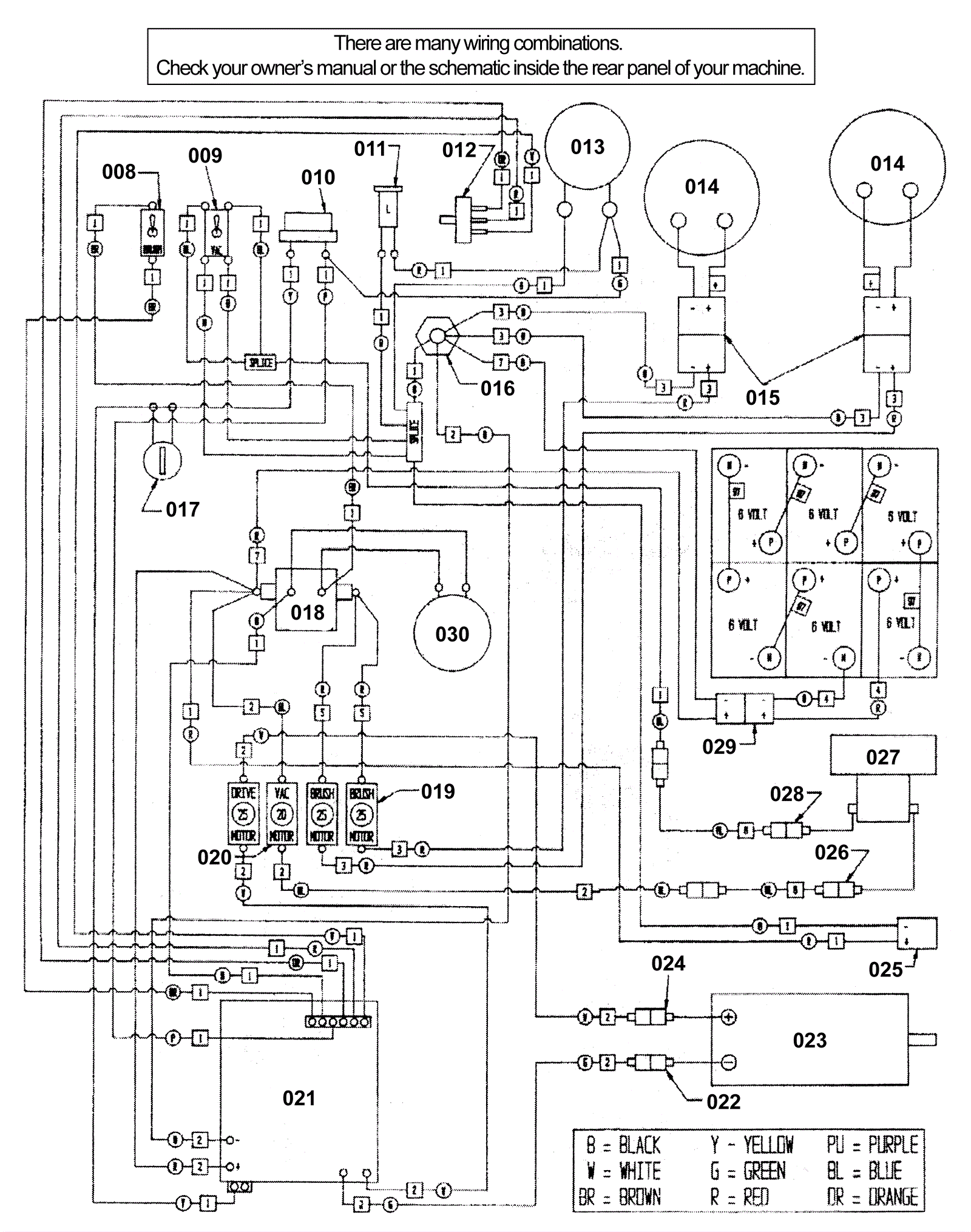
164-0368
|
Upper wiring harness |
$110.55
|
1 |
|
usually ships 19-25 days |
002 |
164-0369
|
Lower wiring harness |
$75.33
|
1 |
|
usually ships 19-25 days |
003 |
164-0370
|
Brush motor cable (OBSOLETE) |
$85.86
|
1 |
|
usually ships 1-5 days |
004 |
998-0057
|
Cable assembly with plug |
$45.98
|
1 |
|
usually ships 3-26 days |
005 |
164-0372
|
Positive battery cable |
$9.52
|
1 |
|
usually ships 1-5 days |
006 |
998-0053
|
Vacuum motor wire kit |
$16.72
|
2 |
|
usually ships 3-26 days |
007 |
164-2672
|
Wire assembly |
$51.43
|
1 |
|
usually ships 1-5 days |
008 |
164-0023
|
Toggle switch |
$24.95
|
1 |
(brush) |
usually ships 19-25 days |
009 |
164-0290
|
Toggle switch |
$14.63
|
1 |
(vacuum motor) |
ships same day |
010 |
164-0001
|
Master switch |
$28.20
|
1 |
(power) |
usually ships 19-25 days |
011 |
164-0283
|
Indicator light with clip (green) |
$24.95
|
1 |
|
usually ships 19-25 days |
012 |
172-2039
|
5K potentiometer |
$63.07
|
1 |
|
ships same day |
013 |
164-0022
|
Battery meter |
$150.84
|
1 |
|
usually ships 1-5 days |
014a |
164-0125
|
36V brush gear motor assembly |
$1,950.59
|
1 |
(OEM) |
usually ships 19-25 days |
014b |
991-2122
|
36V .75HP brush motor assembly with gear box |
$1,099.40
|
2 |
(NON-OEM) (you will also need to order 999-0130) |
ships same day |
014c |
999-0130
|
Screw 5/16-18 x 3/4 socket head alloy plain finish |
$0.99
|
2 |
(for NON-OEM brush motor) |
ships same day |
015 |
991-2105
|
SB50 50amp charger plug with pins (gray) |
$7.19
|
3 |
|
ships same day |
016 |
164-0310
|
Insulated stand off |
$13.66
|
1 |
|
usually ships 19-25 days |
017 |
164-2630
|
Key switch and wire assembly |
$148.61
|
1 |
|
usually ships 1-5 days |
018 |
991-1223
|
36V solenoid contactor with 4 post |
$48.17
|
1 |
|
usually ships 18-24 days |
019 |
991-1609
|
25amp circuit breaker |
$66.55
|
2 |
(brush motor) |
usually ships 19-25 days |
020 |
991-1616
|
20amp circuit breaker |
$77.13
|
2 |
(vacuum and drive motor) |
ships same day |
021 |
164-0070
|
36V Curtis speed control |
$773.19
|
1 |
|
usually ships 19-25 days |
022 |
998-0001
|
1/4 spade male terminal 10-12 gauge |
$0.99
|
3 |
|
ships same day |
023a |
164-0172
|
36V drive motor |
$1,665.64
|
1 |
(OEM) |
ships same day |
023b |
991-5114
|
36V drive motor |
$800.31
|
1 |
(NON-OEM) |
usually ships 18-24 days |
024 |
998-0001
|
1/4 spade male terminal 10-12 gauge |
$0.99
|
3 |
|
ships same day |
025 |
991-2105
|
SB50 50amp charger plug with pins (gray) |
$7.19
|
3 |
|
ships same day |
026 |
998-0001
|
1/4 spade male terminal 10-12 gauge |
$0.99
|
3 |
|
ships same day |
027a |
164-7977
|
36V vacuum motor |
$678.80
|
1 |
(NSS) |
usually ships 19-25 days |
027b |
991-1202
|
36V 3 stage vacuum motor tangential |
$127.10
|
1 |
(NON-OEM) |
ships same day |
028 |
998-0001
|
1/4 spade male terminal 10-12 gauge |
$0.99
|
3 |
|
ships same day |
029 |
991-2105
|
SB50 50amp charger plug with pins (gray) |
$7.19
|
3 |
|
ships same day |
030 |
164-0387
|
Hour meter kit (optional) (OBSOLETE) |
$149.88
|
1 |
|
usually ships 19-25 days |
N/S |
991-6025
|
Wire 4 x14.5, 3/8 ring x 3/8 ring |
$16.98
|
5 |
(NON-OEM) |
usually ships 18-24 days |
N/S |
998-0010
|
Battery jumper cable - ring type (red) |
$6.06
|
5 |
|
ships same day |