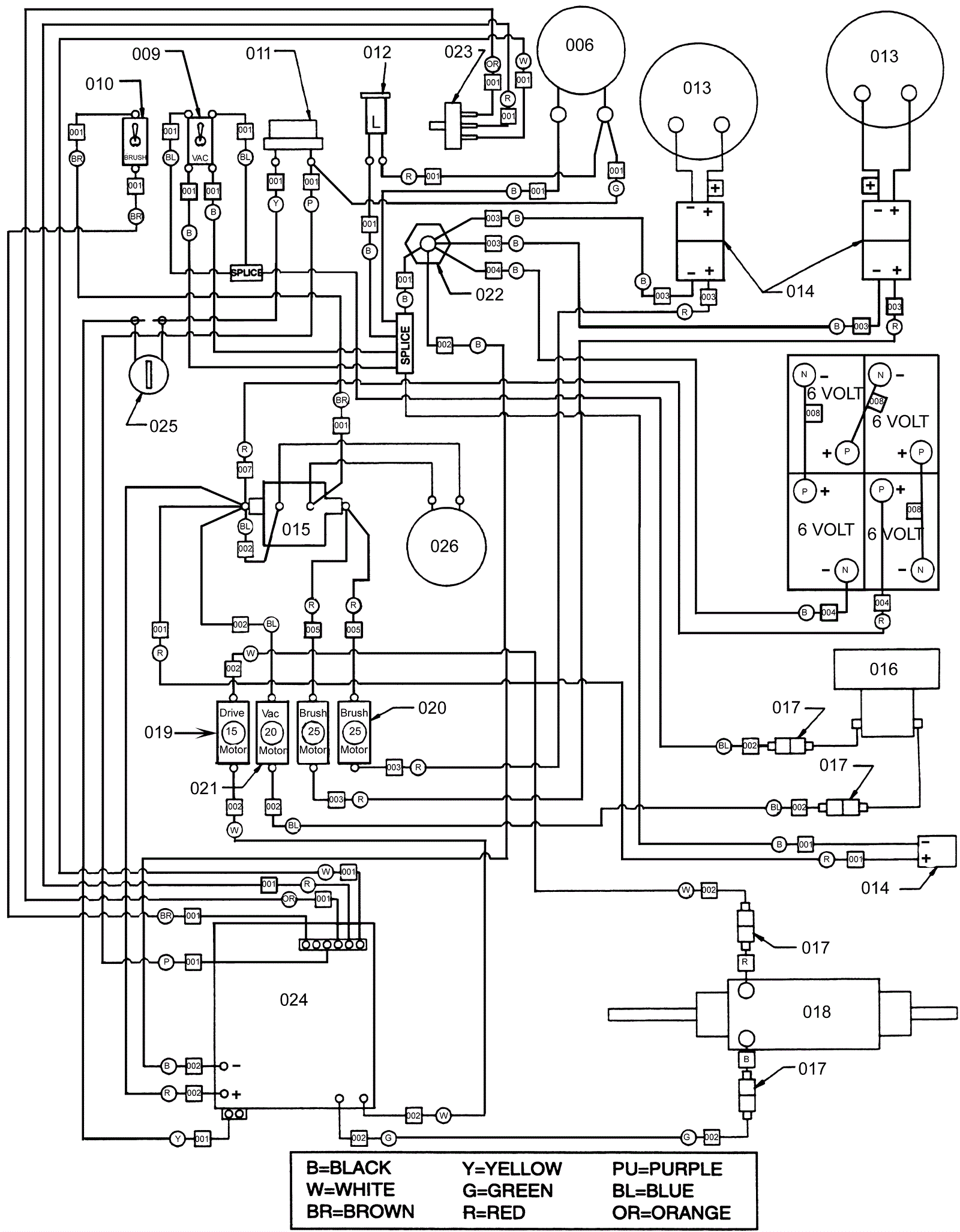
# | Part | Description | Price | Req | Notes | Availability |
001 |
164-0368
|
Upper wiring harness |
$110.55
|
1 |
|
usually ships 19-25 days |
002 |
164-0369
|
Lower wiring harness |
$75.33
|
1 |
|
usually ships 19-25 days |
003 |
164-0897
|
Brush motor cable |
$75.24
|
1 |
|
usually ships 1-5 days |
004 |
998-0013
|
Negative battery cable |
$11.33
|
1 |
|
usually ships 3-26 days |
005 |
164-0372
|
Positive battery cable |
$9.52
|
1 |
|
usually ships 1-5 days |
006 |
164-0889
|
Battery meter |
$157.51
|
1 |
|
usually ships 19-25 days |
007 |
998-0012
|
Positive battery cable |
$11.33
|
1 |
|
usually ships 3-26 days |
008a |
998-0010
|
Battery jumper cable - ring type (red) |
$6.06
|
3 |
(for use with top, bolt type post batteries) |
ships same day |
008b |
991-6025
|
Wire 4 x14.5, 3/8 ring x 3/8 ring |
$16.98
|
1 |
(NON-OEM) |
usually ships 18-24 days |
009 |
164-0290
|
Toggle switch |
$14.63
|
1 |
(vacuum) |
ships same day |
010 |
164-0023
|
Toggle switch |
$24.95
|
1 |
(brush motor) |
usually ships 19-25 days |
011 |
164-0001
|
Master switch |
$28.20
|
1 |
|
usually ships 19-25 days |
012 |
164-0888
|
Indicator light with clip (green) |
$40.51
|
1 |
|
usually ships 19-25 days |
013a |
164-0834
|
24V brush gear motor assembly |
$1,698.80
|
2 |
(OEM) |
usually ships 1-5 days |
013b |
991-2121
|
24V .75HP brush motor assembly with gear box |
$593.85
|
1 |
(NON-OEM) |
ships same day |
014 |
991-9284
|
50amp charger plug SB50 with pins (red) |
$7.19
|
5 |
|
usually ships 1-5 days |
015 |
164-0892
|
24V solenoid contactor |
$96.03
|
1 |
|
ships same day |
016a |
164-7997
|
24V 3 stage vacuum motor |
$756.11
|
1 |
(NSS) |
usually ships 19-25 days |
016b |
991-1210
|
24V 3 stage vacuum motor tangential |
$119.97
|
1 |
(NON-OEM) |
usually ships 18-24 days |
016c |
991-1224
|
Plastic covered carbon brush (sold individually) |
$12.01
|
2 |
|
ships same day |
017 |
998-0001
|
1/4 spade male terminal 10-12 gauge |
$0.99
|
4 |
|
ships same day |
018a |
164-0847
|
24 inch transaxle assembly (old style)(OBSOLETE) |
$1,000.89
|
1 |
(before 5.4.00) |
usually ships 19-25 days |
018b |
164-8120
|
Transaxle with wheels kit |
$2,202.28
|
1 |
(after 5.4.00) |
usually ships 19-25 days |
019 |
991-1610
|
15amp circuit breaker |
$69.23
|
1 |
(drive motor) |
usually ships 19-25 days |
020 |
991-1609
|
25amp circuit breaker |
$66.55
|
2 |
(brush motor) |
usually ships 19-25 days |
021 |
991-1616
|
20amp circuit breaker |
$77.13
|
1 |
(vacuum motor) |
ships same day |
022 |
164-0310
|
Insulated stand off |
$13.66
|
1 |
|
usually ships 19-25 days |
023 |
172-2039
|
5K potentiometer |
$63.07
|
1 |
(for use with Curtis speed control, not for use with Dart speed control use 164-1092) |
ships same day |
024 |
164-0895
|
24V Curtis speed control for Wrangler 26 |
$563.44
|
1 |
|
usually ships 19-25 days |
025 |
164-2630
|
Key switch and wire assembly |
$148.61
|
1 |
|
usually ships 1-5 days |
026 |
164-0387
|
Hour meter kit (optional) (OBSOLETE) |
$149.88
|
1 |
|
usually ships 19-25 days |