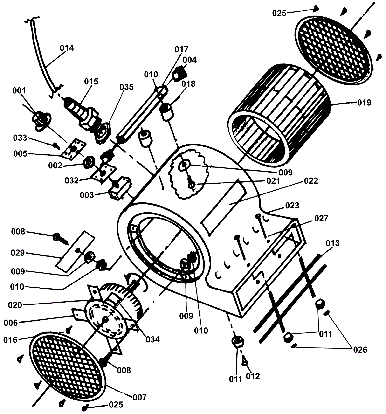
Entire Assembly