| # | Part | Description | Price | Req | Notes | Availability |
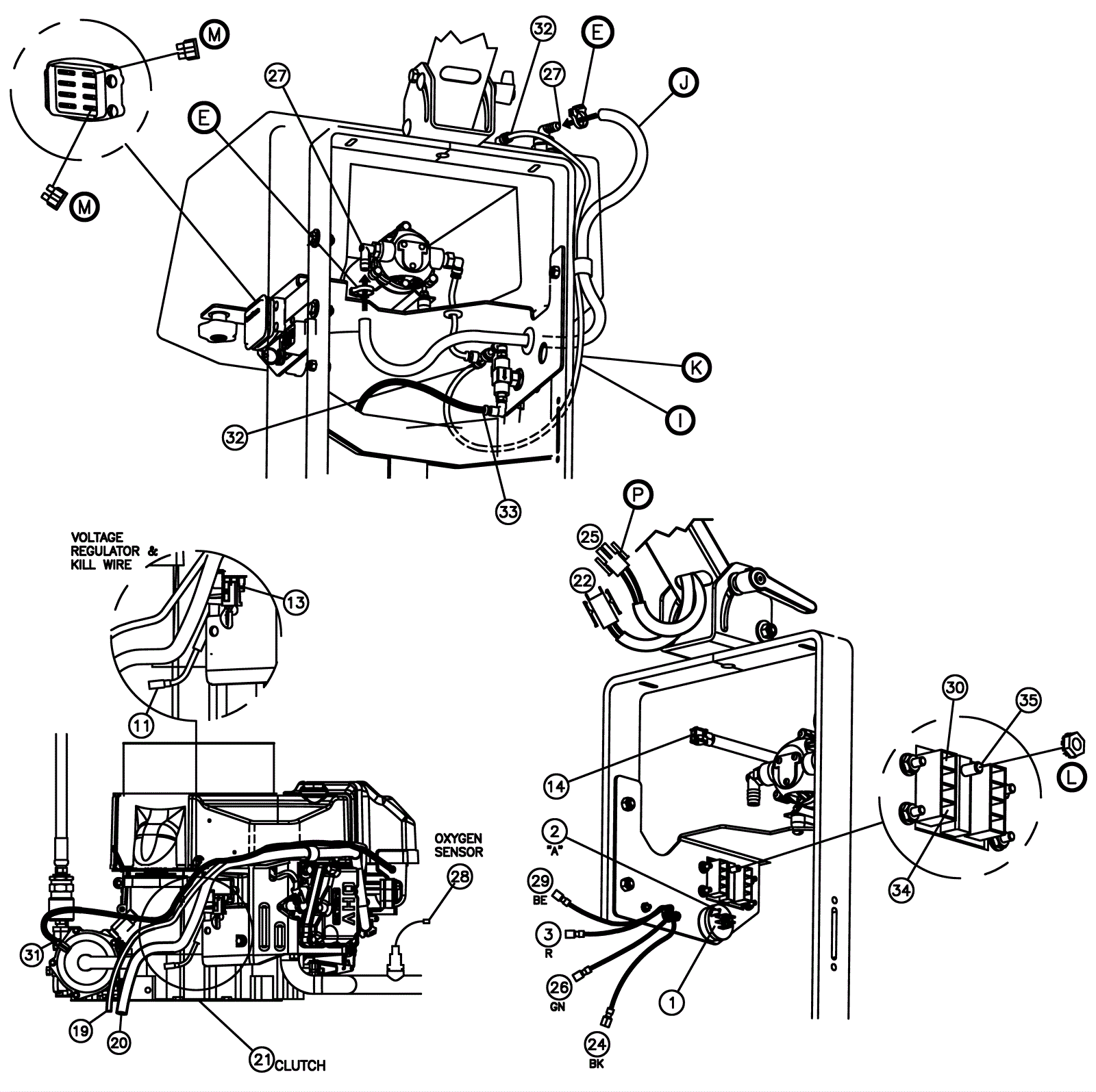
E |
154-0036
|
Plastic hose clamp |
$6.27
|
3 |
|
usually ships 12-15 days |
I |
154-1128
|
1/4 inch nylon tubing (sold by the foot) |
$9.67
|
4 ft |
|
usually ships 1-5 days |
J |
154-0320
|
Fuel line (sold by the foot) |
$23.14
|
3 ft |
|
usually ships 12-15 days |
K |
154-2314
|
Sleeve (sold by the foot) |
$7.90
|
3 ft |
|
usually ships 1-5 days |
L |
154-0802
|
Nut 1/4-20 keps |
$2.29
|
1 |
|
usually ships 12-15 days |
M |
154-0803
|
7 1/2amp fuse |
$14.00
|
2 |
|
usually ships 1-5 days |
P |
154-3567
|
Clutch wiring harness |
$56.19
|
1 |
|
usually ships 12-15 days |