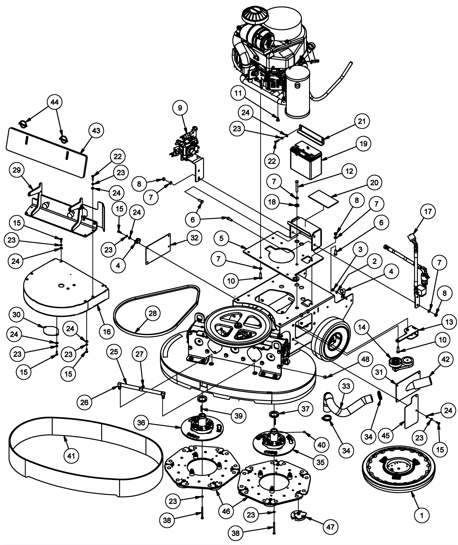
| # | Part | Description | Price | Req | Notes | Availability |
1 |
154-3788
|
17 inch padholder with lugs |
$118.22
|
2 |
|
ships same day |
2 |
999-0028
|
Washer 5/16 split lock plain finish |
$0.99
|
13 |
|
ships same day |
3 |
999-0211
|
Nut 5/16-18 hex nylon insert lock zinc plated |
$0.99
|
10 |
|
ships same day |
4 |
154-0700
|
P clamp |
$11.06
|
2 |
|
usually ships 1-5 days |
5 |
154-3789
|
Engine mount plate assembly |
Call for price
|
1 |
|
usually ships 12-15 days |
6 |
154-0757
|
Screw 3/8 x 1 |
$2.29
|
7 |
|
usually ships 1-5 days |
7 |
154-0633
|
Lock washer |
$2.29
|
14 |
|
usually ships 12-15 days |
8 |
999-0959
|
Nut 3/8-16 hex |
$1.42
|
8 |
|
ships same day |
9 |
154-3762
|
Regulator assembly |
$978.24
|
1 |
|
usually ships 12-15 days |
10 |
999-0649
|
Bolt 3/8-16 x 1 1/4 hex head stainless steel |
$1.21
|
4 |
|
ships same day |
11 |
154-3790
|
5/16 inch hole plug (black) |
$4.14
|
1 |
|
usually ships 12-15 days |
12 |
999-0352
|
Bolt 3/8-16 x 2 3/4 hex head grade 5 zinc plated |
$1.67
|
1 |
|
ships same day |
13 |
154-3791
|
Bracket tensioner weldment |
$146.93
|
1 |
|
usually ships 12-15 days |
14 |
154-3511
|
Tensioner and pulley |
$189.13
|
1 |
|
usually ships 1-5 days |
15 |
999-0334
|
Bolt 1/4-20 x 3/4 inch hex head stainless steel |
$3.85
|
15 |
|
usually ships 16-20 days |
16 |
154-3792
|
Pulley cover with inserts (OBSOLETE) |
Call for price
|
1 |
|
usually ships 12-15 days |
17 |
154-3765
|
Lock off assembly |
$509.07
|
1 |
|
usually ships 12-15 days |
18 |
999-0032
|
Washer 3/8 USS flat plain finish |
$2.42
|
3 |
|
ships same day |
19 |
162-0007
|
12V 12Ah sealed battery |
$124.80
|
1 |
|
ships same day |
20 |
154-0662
|
Battery pad |
$42.26
|
1 |
|
usually ships 1-5 days |
21 |
154-1781
|
Battery retainer bracket |
$82.86
|
1 |
|
usually ships 1-5 days |
22 |
999-0197
|
Screw 1/4-20 x 1 socket head alloy plain finish |
$0.99
|
12 |
|
ships same day |
23 |
154-0600
|
Lock washer |
$2.29
|
30 |
|
usually ships 12-15 days |
24 |
999-0016
|
Washer 1/4 flat plain finish |
$0.99
|
27 |
|
ships same day |
25 |
154-1780
|
Vinyl tubing (sold by the inch) |
$9.99
|
5 in |
|
usually ships 1-5 days |
26 |
154-1224
|
Elbow fitting |
$5.50
|
2 |
|
usually ships 1-5 days |
27 |
154-1221
|
Tee fitting |
$4.44
|
1 |
|
usually ships 1-5 days |
28 |
154-3793
|
Belt |
$125.93
|
1 |
|
usually ships 12-15 days |
29 |
154-3794
|
Weight bracket assembly |
Call for price
|
1 |
|
usually ships 12-15 days |
30 |
154-3816
|
Gearbox retrofit kit |
$6,175.20
|
1 |
|
usually ships 12-15 days |
31 |
154-3795
|
Access panel weldment |
$50.38
|
1 |
|
usually ships 12-15 days |
32 |
154-1785
|
Access panel |
$64.54
|
1 |
|
usually ships 1-5 days |
33 |
154-3796
|
Hose 1 1/2 x 16 inch |
$33.04
|
1 |
|
usually ships 12-15 days |
34 |
154-1279
|
Clamp |
$18.11
|
2 |
|
usually ships 1-5 days |
35 |
154-3797
|
1 inch left hand drive hub assembly |
$917.25
|
1 |
|
usually ships 12-15 days |
36 |
154-3798
|
1 inch right hand drive hub assembly |
$917.25
|
1 |
|
usually ships 12-15 days |
37 |
154-9021
|
V-ring seal |
$47.72
|
2 |
|
usually ships 12-15 days |
38 |
999-0824
|
Screw 1/4-20 x 3 hex head plain finish |
$0.99
|
2 |
|
ships same day |
39 |
154-0549
|
Square keyway |
$21.00
|
2 |
|
ships same day |
40 |
999-0157
|
Screw 5/16-18 x 3/8 cup point socket set alloy plain finish |
$0.99
|
4 |
|
ships same day |
41 |
154-3799
|
Skirt cutout |
$696.15
|
1 |
|
usually ships 12-15 days |
42 |
154-1789
|
Vacuum hose adapter |
$33.14
|
1 |
|
usually ships 1-5 days |
43 |
154-1784
|
Weight |
$184.34
|
8 |
|
usually ships 1-5 days |
44 |
154-2188
|
Lynch pin |
$15.92
|
6 |
|
usually ships 1-5 days |
45 |
154-3800
|
34 inch grinder cover plate |
$77.39
|
1 |
|
usually ships 12-15 days |
46 |
154-3801
|
17 1/2 inch driver plate assembly |
$874.81
|
2 |
|
usually ships 12-15 days |
47 |
154-3538
|
Holder |
$184.82
|
12 |
|
usually ships 12-15 days |
48 |
154-3816
|
Gearbox retrofit kit |
$6,175.20
|
2 |
|
usually ships 12-15 days |