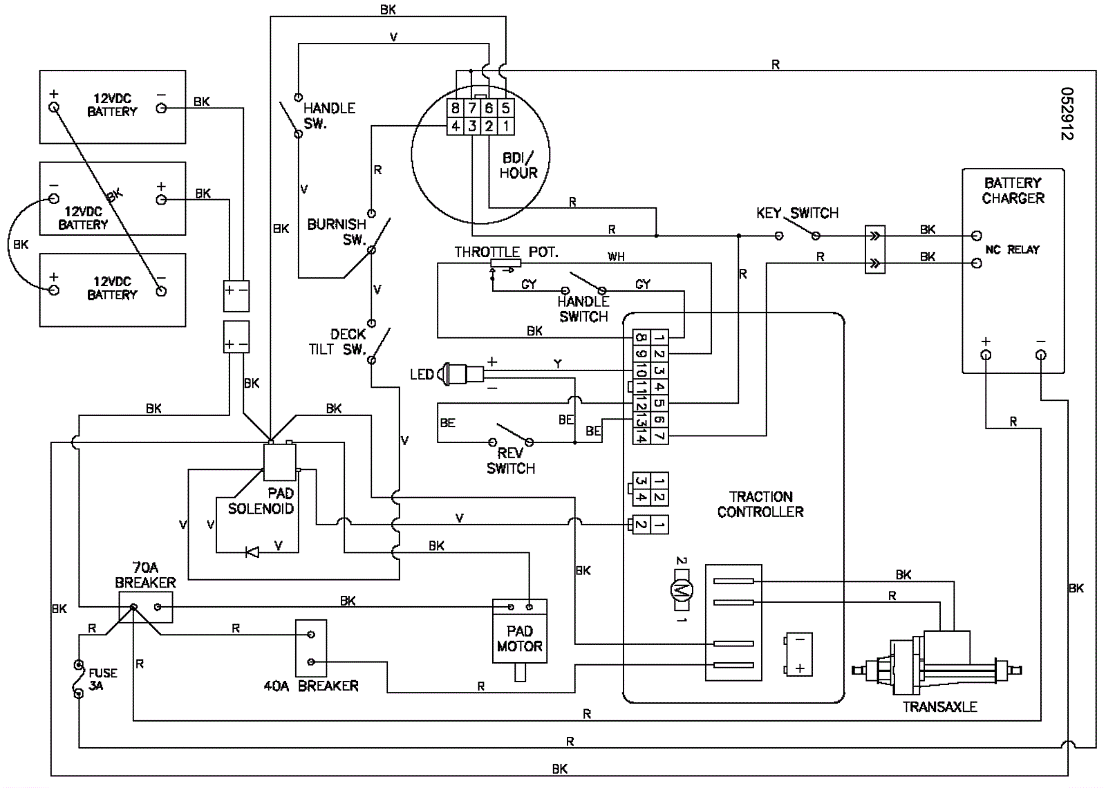
Wiring Diagram - Traction
Click to enlarge