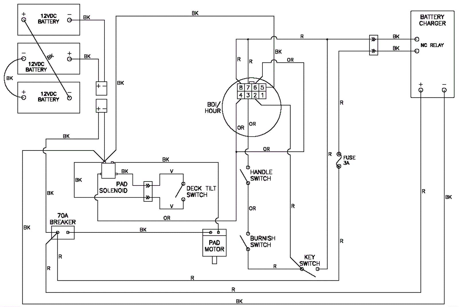
Wiring Diagram - Non-Traction
Click to enlarge