| # | Part | Description | Price | Req | Notes | Availability |
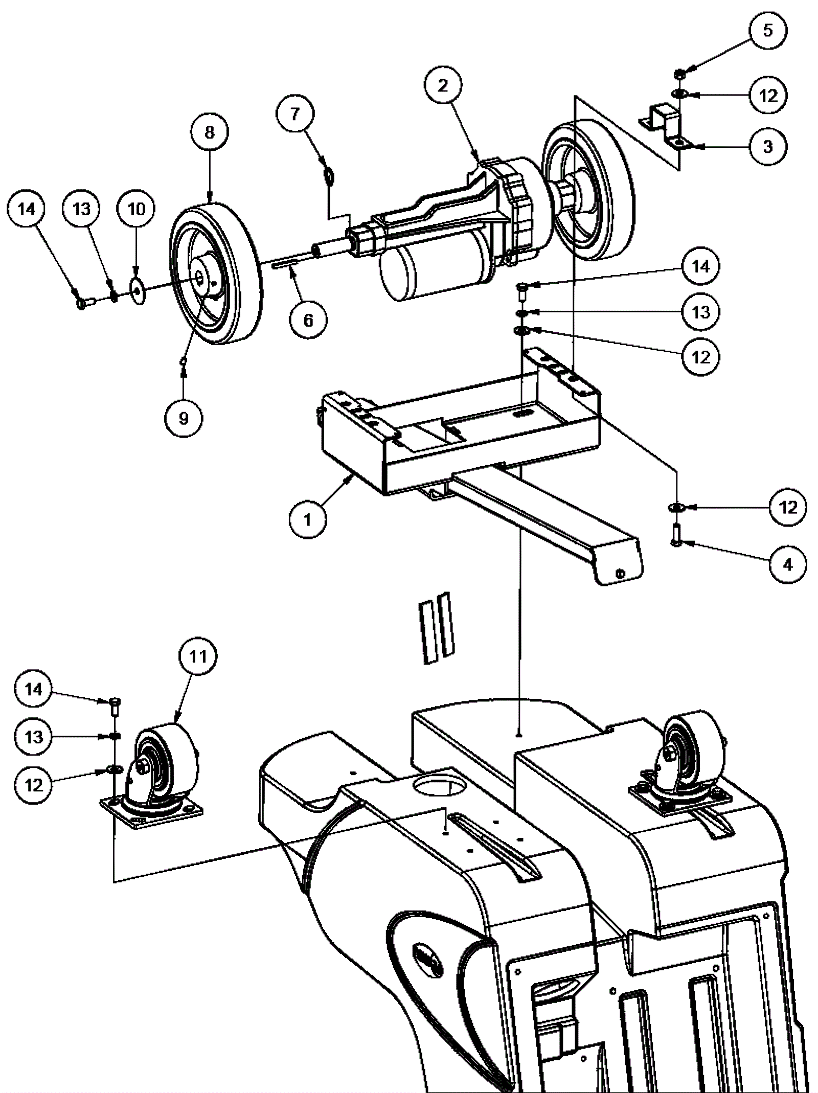
1 |
154-3592
|
Transaxle mounting bracket |
$665.51
|
1 |
|
usually ships 1-5 days |
2a |
154-3598
|
36V transaxle assembly |
$1,763.54
|
1 |
|
usually ships 12-15 days |
2b |
154-3599
|
36V carbon brush kit |
$102.33
|
1 |
|
usually ships 1-5 days |
3 |
154-1535
|
Transaxle bracket |
$39.36
|
2 |
|
usually ships 1-5 days |
4 |
999-0424
|
Bolt 5/16-18 x 1 hex head stainless steel |
$0.99
|
4 |
|
ships same day |
5 |
999-0211
|
Nut 5/16-18 hex nylon insert lock zinc plated |
$0.99
|
4 |
|
ships same day |
6 |
154-0483
|
Square keyway |
$18.34
|
2 |
|
usually ships 12-15 days |
7 |
154-0243
|
Retaining ring |
$2.29
|
2 |
|
usually ships 1-5 days |
8 |
154-3601
|
Drive wheel 8 x 2 (gray) |
$267.92
|
2 |
|
usually ships 12-15 days |
9 |
999-1452
|
Screw 1/4-20 x 3/8 set knurled point stainless steel |
$2.64
|
4 |
|
usually ships 1-5 days |
10 |
154-1283
|
Washer 5/6 flat |
$2.29
|
2 |
|
usually ships 1-5 days |
11 |
154-3593
|
4 inch swivel caster |
$145.15
|
2 |
|
usually ships 12-15 days |
12 |
999-0024
|
Washer 5/16 flat stainless steel |
$1.34
|
20 |
|
ships same day |
13 |
999-0028
|
Washer 5/16 split lock plain finish |
$0.99
|
14 |
|
ships same day |
14 |
999-0130
|
Screw 5/16-18 x 3/4 socket head alloy plain finish |
$0.99
|
14 |
|
ships same day |