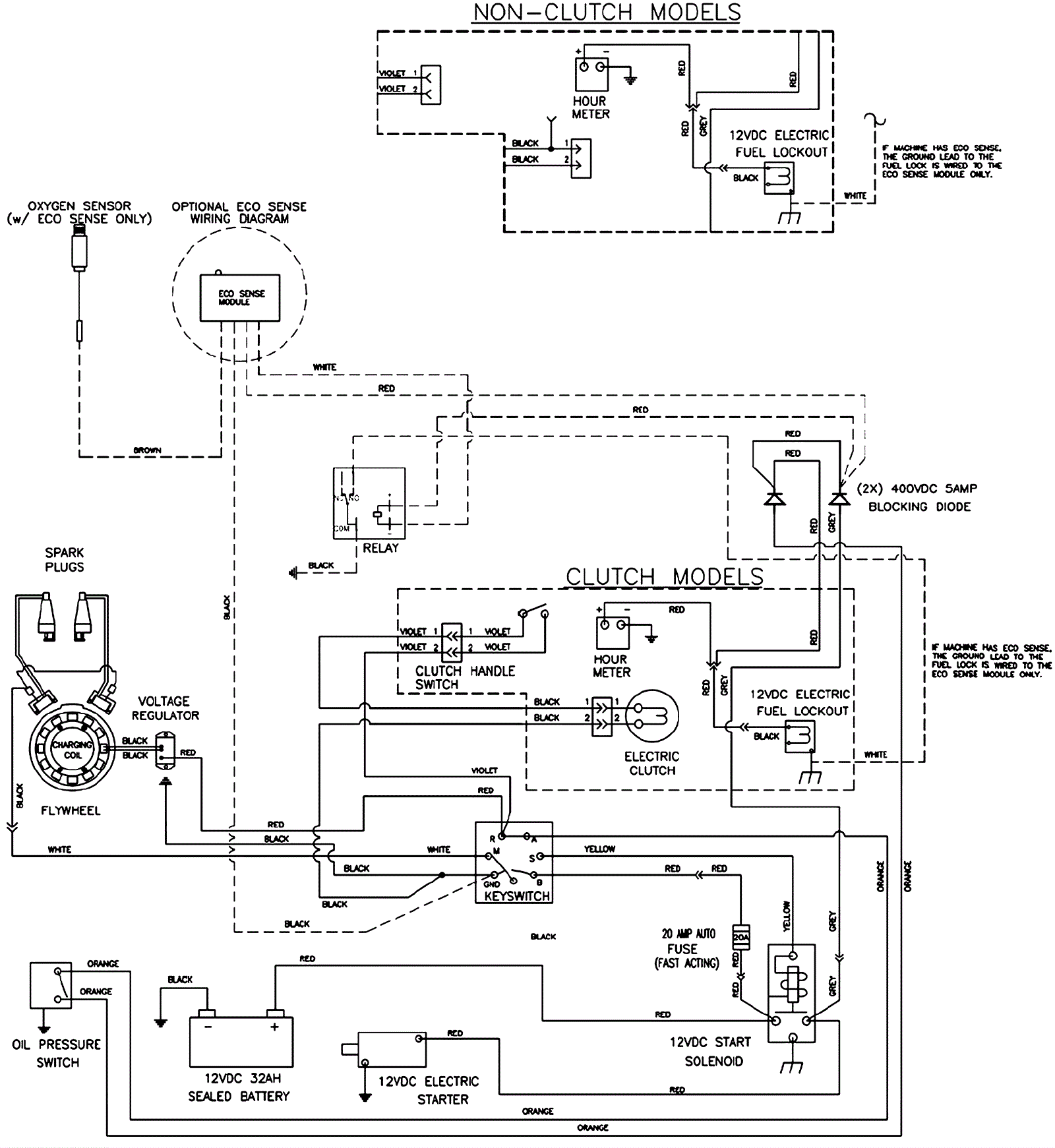
12V Start Wiring Diagram
Click to enlarge