| # | Part | Description | Price | Req | Notes | Availability |
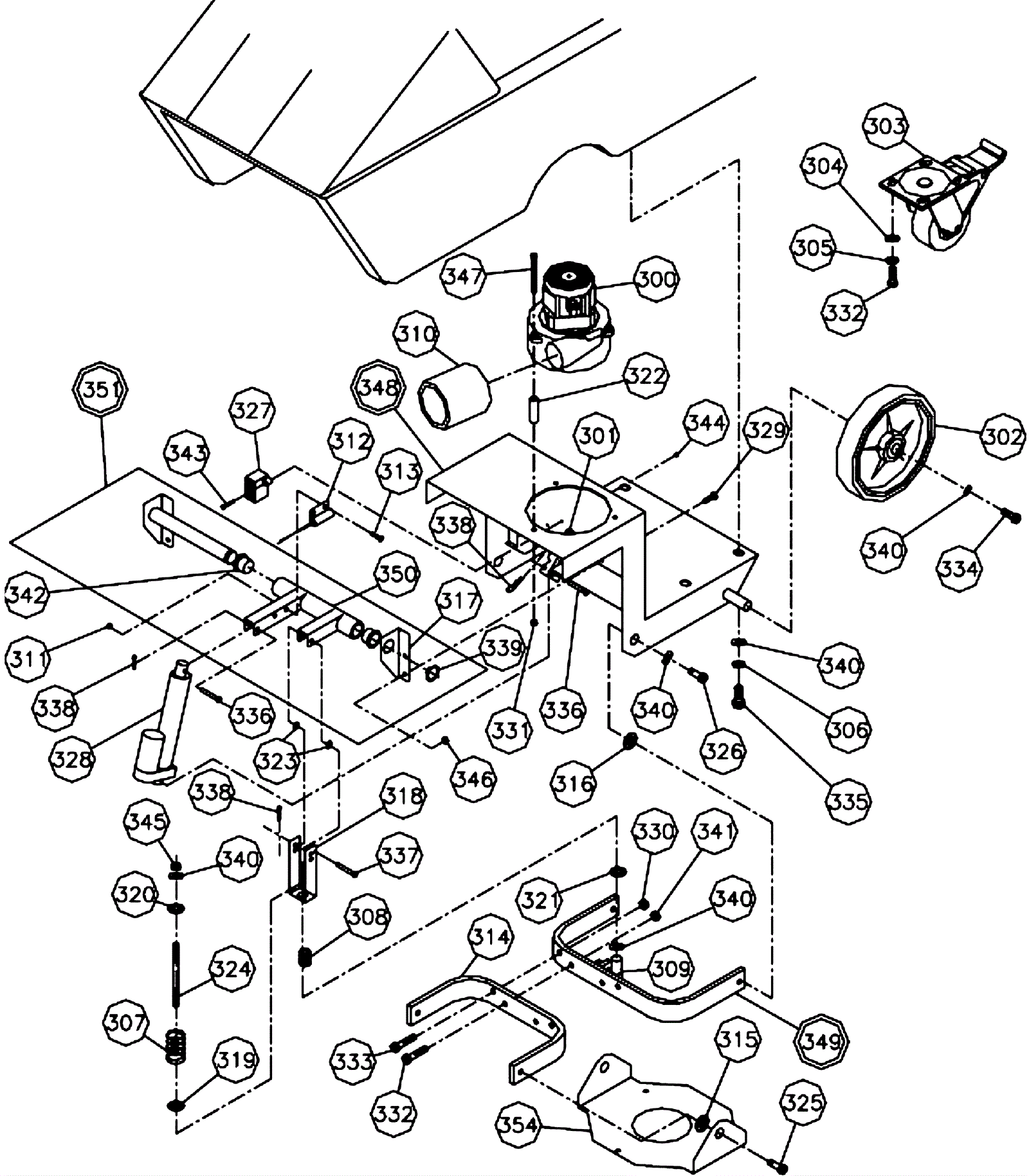
300 |
154-0431
|
24V 2 stage vacuum motor (OBSOLETE) |
$305.01
|
1 |
|
usually ships 1-5 days |
301 |
154-1399
|
Grommet (OBSOLETE) |
$2.09
|
2 |
|
usually ships 1-5 days |
302 |
154-2721
|
8 inch wheel (OBSOLETE) |
$176.59
|
2 |
|
usually ships 1-5 days |
303 |
154-2722
|
Rear caster wheel (OBSOLETE) |
$130.22
|
1 |
|
usually ships 1-5 days |
304 |
154-0633
|
Lock washer |
$2.29
|
4 |
|
usually ships 12-15 days |
305 |
999-1254
|
Washer 3/8 SAE flat zinc plated |
$0.99
|
4 |
|
ships same day |
306 |
999-0126
|
Washer 1/2 split lock |
$1.28
|
4 |
|
ships same day |
307 |
154-2723
|
Large strut spring (OBSOLETE) |
Call for price
|
1 |
|
usually ships 1-5 days |
308 |
154-2724
|
Small strut spring (OBSOLETE) |
Call for price
|
1 |
|
usually ships 1-5 days |
309 |
154-2725
|
Joint ball (OBSOLETE) |
Call for price
|
1 |
|
usually ships 1-5 days |
310 |
154-0581
|
Hour diffuser (OBSOLETE) |
$74.20
|
1 |
|
usually ships 1-5 days |
311 |
154-0649
|
Nut 10-24 spin lock |
$2.29
|
2 |
|
usually ships 1-5 days |
312 |
154-2726
|
Mercury switch (OBSOLETE) |
Call for price
|
1 |
|
usually ships 1-5 days |
313 |
999-1541
|
Screw 10-24 x 1 1/4 truss head stainless steel |
$0.99
|
2 |
|
usually ships 1-5 days |
314 |
154-2727
|
Motor lifting bar (OBSOLETE) |
Call for price
|
1 |
|
usually ships 1-5 days |
315 |
154-2728
|
Bushing (OBSOLETE) |
Call for price
|
2 |
(motor lifting arm) |
usually ships 1-5 days |
316 |
154-2729
|
Bushing (OBSOLETE) |
Call for price
|
2 |
(stabilizer arm) |
usually ships 1-5 days |
317 |
154-2730
|
Pivot rod support (OBSOLETE) |
$4.49
|
2 |
|
usually ships 1-5 days |
318 |
154-2731
|
Strut bracket (OBSOLETE) |
$42.30
|
1 |
|
usually ships 1-5 days |
319 |
154-2732
|
Spring bushing (OBSOLETE) |
Call for price
|
1 |
|
usually ships 1-5 days |
320 |
154-2733
|
Top strut bushing (OBSOLETE) |
Call for price
|
1 |
|
usually ships 1-5 days |
321 |
154-2734
|
Bottom strut bushing (OBSOLETE) |
Call for price
|
1 |
|
usually ships 1-5 days |
322 |
154-2735
|
Vacuum motor spacer (OBSOLETE) |
Call for price
|
3 |
|
usually ships 1-5 days |
323 |
154-2736
|
Washer (OBSOLETE) |
Call for price
|
2 |
|
usually ships 1-5 days |
324 |
154-2737
|
Stud (OBSOLETE) |
Call for price
|
1 |
|
usually ships 1-5 days |
325 |
154-2738
|
Bolt (OBSOLETE) |
Call for price
|
2 |
(motor lifting arm) |
usually ships 1-5 days |
326 |
154-2739
|
Bolt (OBSOLETE) |
Call for price
|
2 |
(stabilizer arm) |
usually ships 1-5 days |
327 |
154-2740
|
Small terminal block (OBSOLETE) |
$35.15
|
1 |
|
usually ships 1-5 days |
328 |
154-2741
|
Linear actuator (OBSOLETE) |
Call for price
|
1 |
|
usually ships 1-5 days |
329 |
999-0235
|
Screw 1/4-20 x 3/4 button head socket plain finish |
$0.99
|
4 |
|
ships same day |
330 |
999-0188
|
Nut 3/8-16 nylon insert lock zinc plated |
$0.99
|
3 |
|
ships same day |
331 |
999-0152
|
Nut 1/4-20 nylon insert lock zinc plated |
$0.99
|
3 |
|
ships same day |
332 |
154-0757
|
Screw 3/8 x 1 |
$2.29
|
5 |
|
usually ships 1-5 days |
333 |
999-0649
|
Bolt 3/8-16 x 1 1/4 hex head stainless steel |
$1.21
|
3 |
|
ships same day |
334 |
999-0882
|
Screw 3/8-16 x 3/4 hex head hot dipped galvanized |
$1.14
|
2 |
|
ships same day |
335 |
999-0115
|
Bolt 1/2-13 x 1 hex head grade 5 |
$1.43
|
4 |
|
ships same day |
336 |
154-2742
|
Clevis pin (OBSOLETE) |
$3.60
|
2 |
|
usually ships 1-5 days |
337 |
154-2743
|
Clevis pin (OBSOLETE) |
$2.09
|
1 |
|
usually ships 1-5 days |
338 |
154-0646
|
Cotter pin |
$1.84
|
3 |
|
usually ships 1-5 days |
339 |
154-2744
|
Retaining ring (OBSOLETE) |
$1.75
|
1 |
|
usually ships 1-5 days |
340 |
999-0024
|
Washer 5/16 flat stainless steel |
$1.34
|
5 |
|
ships same day |
341 |
999-0247
|
Nut 3/8-16 hex jam plain finish |
$0.99
|
1 |
|
ships same day |
342 |
154-2745
|
Brass bushing (OBSOLETE) |
$9.46
|
2 |
|
usually ships 1-5 days |
343 |
999-0475
|
Screw 6-32 x 3/4 pan head slotted zinc plated |
$0.99
|
2 |
|
ships same day |
344 |
999-0144
|
Nut 6-32 k-lock zinc plated |
$0.99
|
4 |
|
ships same day |
345 |
999-0143
|
Nut 3/8-24 hex plain finish |
$0.99
|
2 |
|
ships same day |
346 |
999-0182
|
Nut 1/2-20 hex plain finish |
$0.99
|
1 |
|
ships same day |
347 |
999-1331
|
Screw 1/4-20 x 2 1/4 hex head zinc |
$0.99
|
3 |
|
usually ships 1-5 days |
348 |
154-2746
|
Chassis assembly (OBSOLETE) |
Call for price
|
1 |
|
usually ships 1-5 days |
349 |
154-2747
|
Stabilizer bar assembly (OBSOLETE) |
Call for price
|
1 |
|
usually ships 1-5 days |
350 |
154-2748
|
Pivot tube assembly (OBSOLETE) |
$147.18
|
1 |
|
usually ships 1-5 days |
351 |
154-2749
|
Rod assembly (OBSOLETE) |
$61.72
|
1 |
(includes 317, 339, 342 and 350) |
usually ships 1-5 days |
354 |
154-2750
|
Lifting arm plate (OBSOLETE) |
Call for price
|
1 |
|
usually ships 1-5 days |