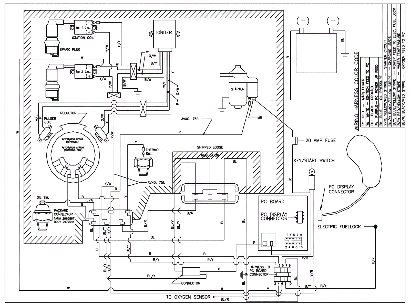
Wiring Diagram
Click to enlarge
#
Part
Description
Price
Req
Notes
Availability
01
154-3651
Clutch switch wiring harness
$84.61
usually ships 1-5 days