| # | Part | Description | Price | Req | Notes | Availability |
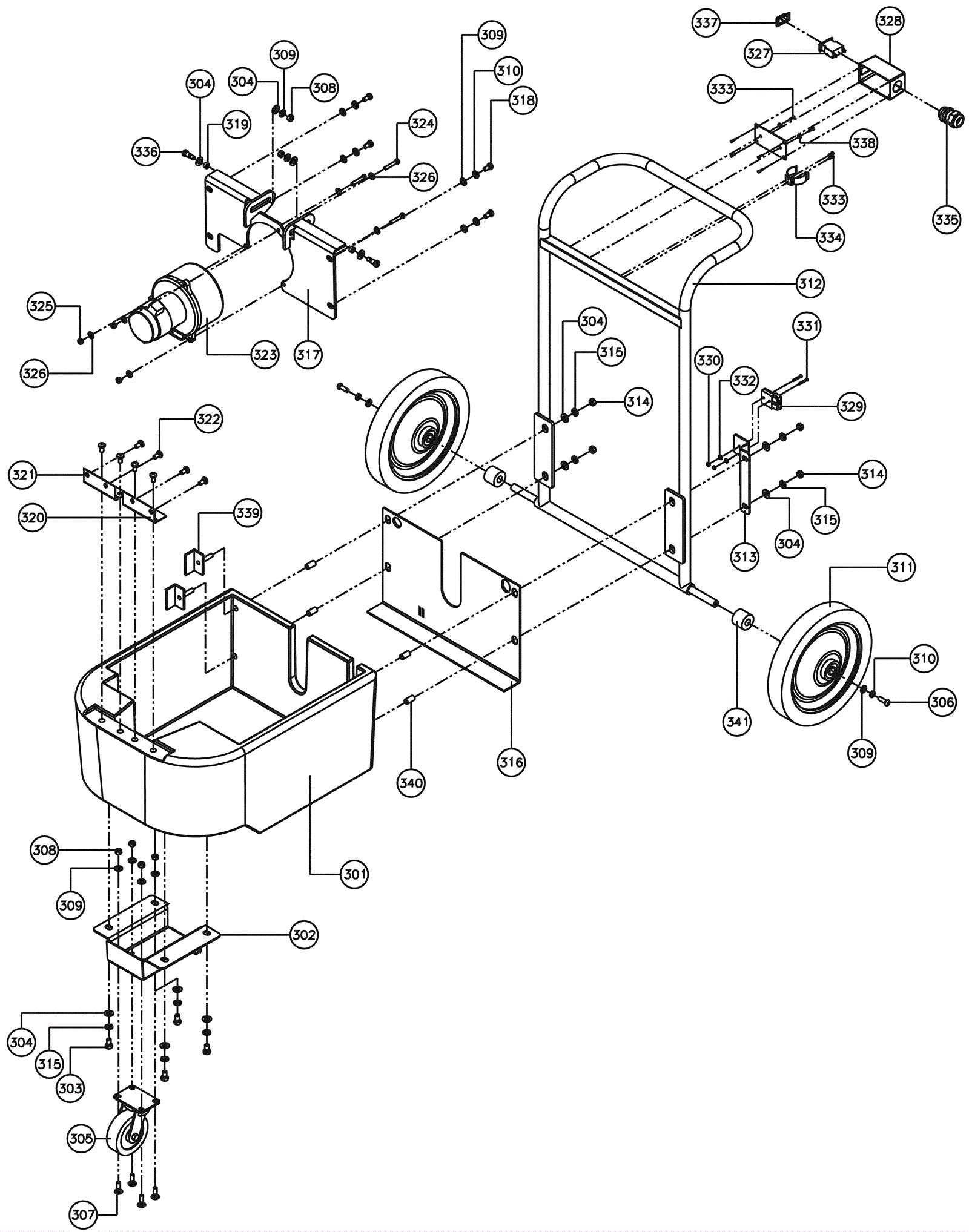
301 |
154-2396
|
Chassis (OBSOLETE) |
$257.04
|
1 |
|
usually ships 1-5 days |
302 |
154-2397
|
Weldment (OBSOLETE) |
$73.60
|
1 |
|
usually ships 1-5 days |
303 |
999-0631
|
Bolt 3/8-16 x 5/8 hex head grade 5 zinc plated |
$0.99
|
4 |
|
ships same day |
304 |
999-0120
|
Washer 3/8 SAE flat |
$0.99
|
12 |
|
ships same day |
305 |
154-2398
|
Caster wheel (OBSOLETE) |
$53.89
|
1 |
|
usually ships 1-5 days |
306 |
999-0424
|
Bolt 5/16-18 x 1 hex head stainless steel |
$0.99
|
2 |
|
ships same day |
307 |
999-9066
|
Bolt 5/16-18 x 1 carriage head stainless steel |
$1.34
|
4 |
|
ships same day |
308 |
999-0423
|
Nut 5/16-18 nylon insert lock stainless steel |
$0.99
|
6 |
|
ships same day |
309 |
999-0024
|
Washer 5/16 flat stainless steel |
$1.34
|
12 |
|
ships same day |
310 |
999-0553
|
Washer 5/16 medium split lock stainless steel |
$0.99
|
6 |
|
ships same day |
311 |
154-2399
|
12 inch wheel |
$158.55
|
2 |
|
usually ships 12-15 days |
312a |
154-2400
|
Handle (OBSOLETE) |
$312.08
|
1 |
(standard model) |
usually ships 12-15 days |
312b |
154-2401
|
Handle (OBSOLETE) |
Call for price
|
1 |
(low profile model) |
usually ships 1-5 days |
313 |
154-2402
|
Charger mounting bracket (OBSOLETE) |
$46.00
|
1 |
|
usually ships 1-5 days |
314 |
999-0635
|
Nut 3/8-16 hex stainless steel |
$0.99
|
4 |
|
ships same day |
315 |
154-2403
|
Washer |
$2.29
|
8 |
|
usually ships 1-5 days |
316 |
154-2404
|
Plate (OBSOLETE) |
$69.43
|
1 |
|
usually ships 1-5 days |
317a |
154-2405
|
Tank support weldment (OBSOLETE) |
$94.30
|
1 |
(standard model) |
usually ships 1-5 days |
317b |
154-2406
|
Tank support weldment (OBSOLETE) |
Call for price
|
1 |
(low profile model) |
usually ships 1-5 days |
318 |
999-1450
|
Bolt 5/16-18 x 5/8 hex head stainless steel |
$0.99
|
4 |
|
usually ships 1-5 days |
319 |
154-2407
|
Tank pivot roller |
$44.57
|
2 |
|
usually ships 1-5 days |
320 |
154-1499
|
Left side hinge (OBSOLETE) |
$30.92
|
1 |
|
usually ships 1-5 days |
321 |
154-1496
|
Right side hinge (OBSOLETE) |
$30.92
|
1 |
|
usually ships 1-5 days |
322 |
999-1454
|
Bolt 5/16-18 x 5/8 pan head stainless steel |
$2.00
|
8 |
|
usually ships 1-5 days |
323 |
154-2375
|
24V 3 stage vacuum motor (OBSOLETE) |
$355.65
|
1 |
|
usually ships 12-15 days |
324 |
999-0506
|
Bolt 1/4-20 x 1 1/2 hex head stainless steel |
$1.28
|
3 |
|
ships same day |
325 |
999-0294
|
Nut 1/4-20 hex nylon lock type NE stainless steel |
$1.18
|
3 |
|
ships same day |
326 |
999-0335
|
Washer 1/4 x 5/8 SAE flat stainless steel |
$0.99
|
6 |
|
ships same day |
327 |
154-2376
|
25amp switch |
$59.54
|
1 |
|
usually ships 1-5 days |
328 |
154-2408
|
Switch housing (OBSOLETE) |
$71.98
|
1 |
|
usually ships 1-5 days |
329a |
154-0999
|
120amp charger plug (gray) SB120 |
$196.99
|
1 |
|
ships same day |
329b |
991-1918
|
CHARGER PLUG 120A GRAY, 6GA TERM. |
$17.12
|
1 |
(NON-OEM) |
usually ships 18-24 days |
330 |
999-0337
|
Nut 6-32 nylon insert lock stainless steel |
$0.99
|
2 |
|
ships same day |
331 |
154-2409
|
Bolt #6-32 x 1 pan head stainless steel |
$0.99
|
2 |
|
usually ships 1-5 days |
333 |
154-0612
|
Screw #8 x 3/4 drill kwik |
$2.29
|
4 |
|
usually ships 12-15 days |
334 |
154-2410
|
Spring clip (OBSOLETE) |
$41.75
|
1 |
|
usually ships 1-5 days |
335 |
154-2411
|
Strain relief (OBSOLETE) |
$12.75
|
1 |
|
usually ships 1-5 days |
336 |
154-2245
|
Screw 5/16-18 x 1/2 shoulder stainless steel |
$22.94
|
2 |
|
usually ships 1-5 days |
337 |
154-2412
|
Switch boot (OBSOLETE) |
$9.52
|
1 |
|
usually ships 1-5 days |
338 |
999-0998
|
Washer #10 flat stainless steel |
$0.99
|
2 |
|
ships same day |
339 |
154-2413
|
Support bracket (OBSOLETE) |
$40.47
|
4 |
|
usually ships 1-5 days |
340 |
154-2414
|
Bushing |
$13.34
|
4 |
|
usually ships 1-5 days |
341 |
154-2415
|
Bushing (OBSOLETE) |
$10.77
|
2 |
|
usually ships 1-5 days |