| # | Part | Description | Price | Req | Notes | Availability |
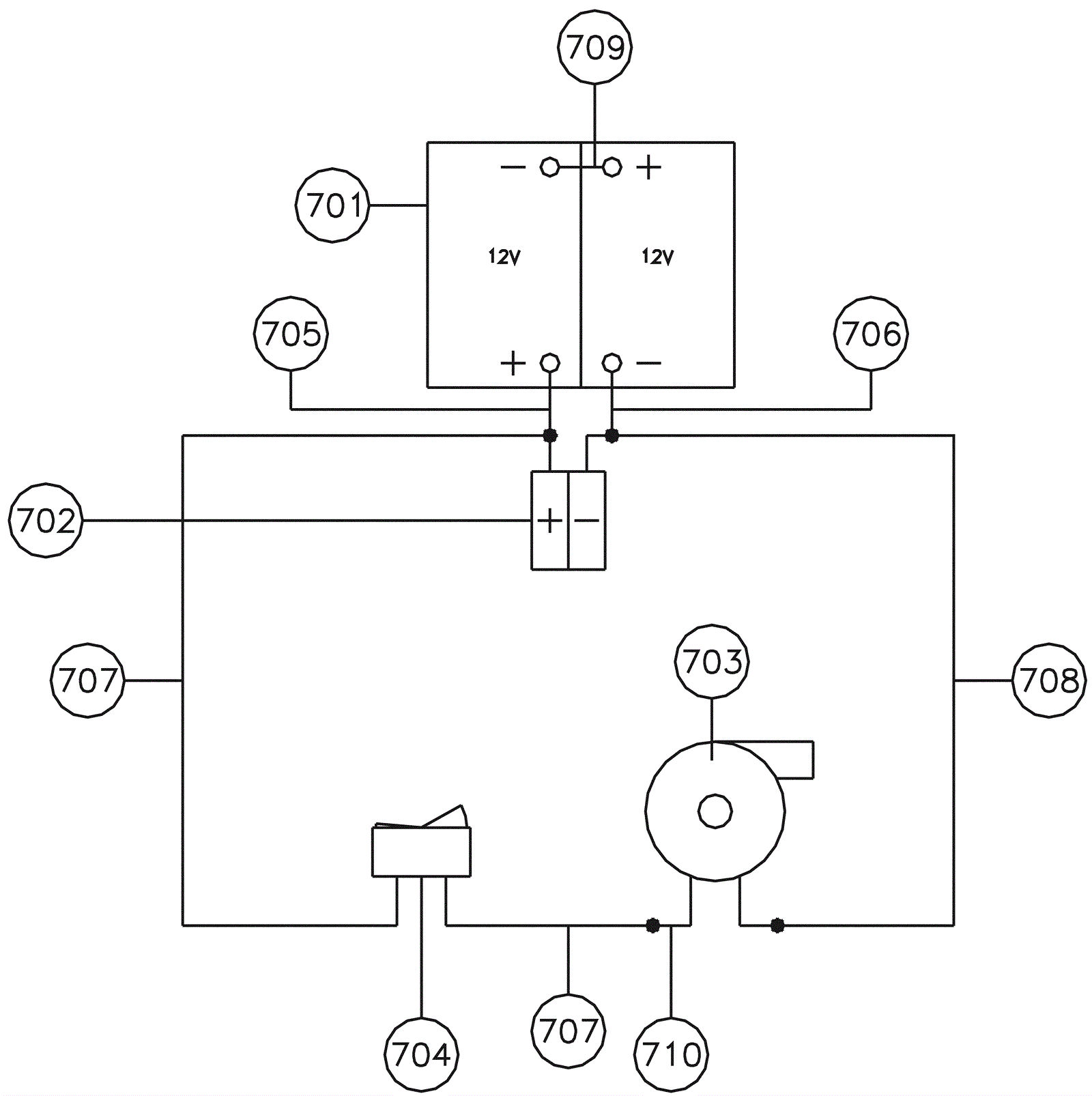
701 |
162-0011
|
12V 105Ah wet battery (SNSR) |
$291.50
|
2 |
|
ships same day |
702 |
154-2374
|
Connector with 6 gauge contacts (OBSOLETE) |
Call for price
|
1 |
|
usually ships 1-5 days |
703 |
154-2375
|
24V 3 stage vacuum motor (OBSOLETE) |
$355.65
|
1 |
|
usually ships 12-15 days |
704 |
154-2376
|
25amp switch |
$59.54
|
1 |
|
usually ships 1-5 days |
705 |
154-2377
|
Positive charger plug wire (OBSOLETE) |
$24.26
|
1 |
|
usually ships 1-5 days |
706 |
154-2378
|
Negative charger plug wire (OBSOLETE) |
$27.53
|
1 |
|
usually ships 1-5 days |
707 |
154-2379
|
Cord wire (OBSOLETE) |
$74.34
|
1 |
|
usually ships 1-5 days |
708 |
154-2380
|
Negative vacuum wire (OBSOLETE) |
$46.78
|
1 |
|
usually ships 1-5 days |
709 |
154-2381
|
10 gauge jumper wire (black) (OBSOLETE) |
$48.02
|
1 |
|
usually ships 1-5 days |
710 |
154-2382
|
Vacuum wire (OBSOLETE) |
$43.76
|
1 |
|
usually ships 1-5 days |
N/S |
162-9034
|
24V 12amp SCR battery charger with medium (120A) plug |
$355.20
|
1 |
|
usually ships 18-24 days |