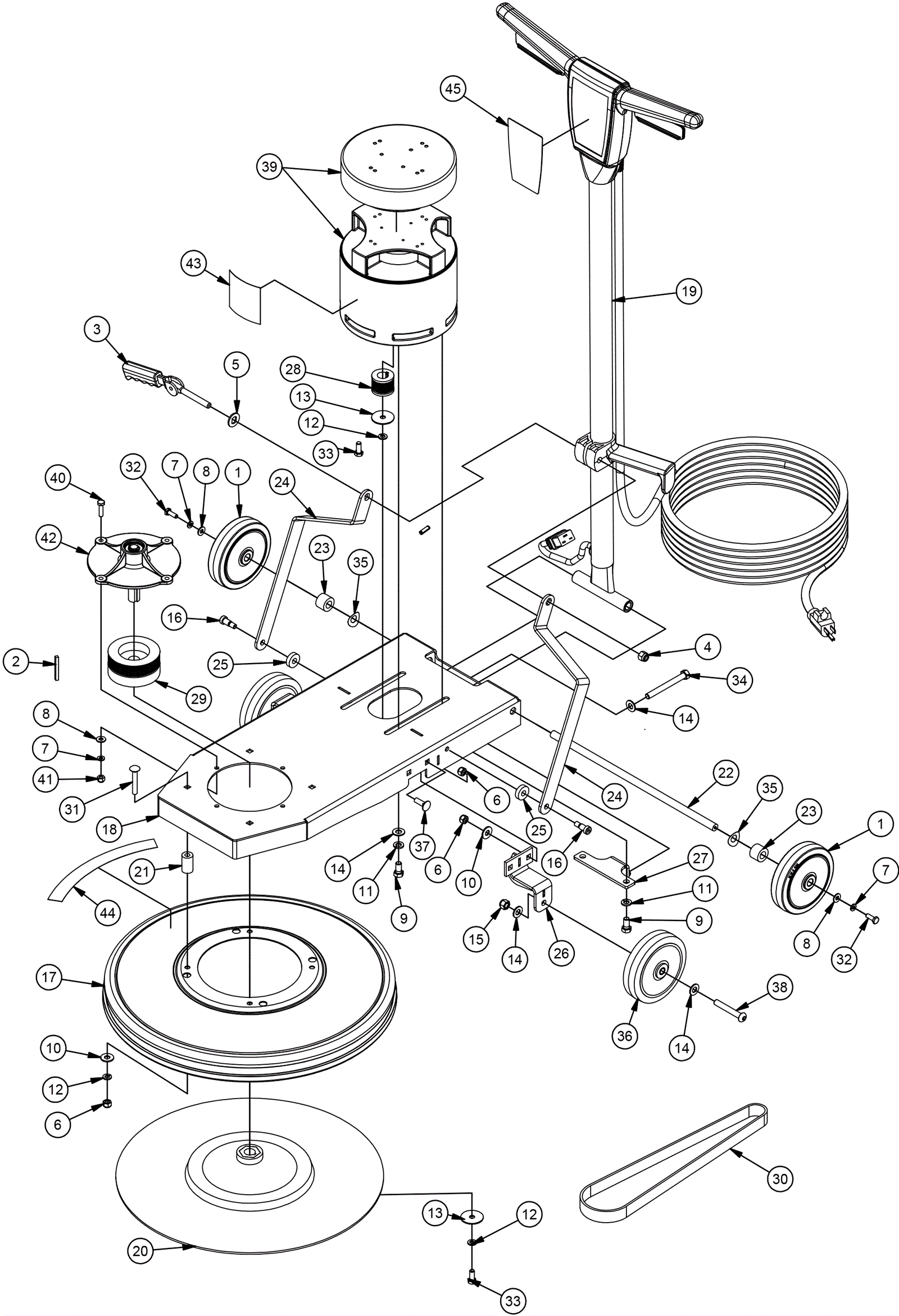
| # | Part | Description | Price | Req | Notes | Availability |
1 |
375-7611
|
Wheel |
$79.48
|
2 |
|
usually ships 13-18 days |
2 |
154-1537
|
Square keyway |
$19.60
|
1 |
|
usually ships 1-5 days |
3 |
170-1267
|
Cam assembly with grip, bolt and locking lever |
$20.82
|
1 |
|
ships same day |
4 |
999-0170
|
Nut 3/8-16 hex plain finish |
$0.99
|
1 |
|
ships same day |
5 |
170-5522
|
Wear washer |
$3.63
|
1 |
|
ships same day |
6 |
999-0211
|
Nut 5/16-18 hex nylon insert lock zinc plated |
$0.99
|
10 |
|
ships same day |
7 |
154-0600
|
Lock washer |
$2.29
|
6 |
|
usually ships 12-15 days |
8 |
999-0016
|
Washer 1/4 flat plain finish |
$0.99
|
6 |
|
ships same day |
9 |
999-0882
|
Screw 3/8-16 x 3/4 hex head hot dipped galvanized |
$1.14
|
4 |
|
ships same day |
10 |
999-0024
|
Washer 5/16 flat stainless steel |
$1.34
|
8 |
|
ships same day |
11 |
154-0633
|
Lock washer |
$2.29
|
4 |
|
usually ships 12-15 days |
12 |
999-0028
|
Washer 5/16 split lock plain finish |
$0.99
|
6 |
|
ships same day |
13 |
154-1283
|
Washer 5/6 flat |
$2.29
|
2 |
|
usually ships 1-5 days |
14 |
999-1530
|
Washer 3/8 flat nylon |
$0.99
|
7 |
|
ships same day |
15 |
999-0188
|
Nut 3/8-16 nylon insert lock zinc plated |
$0.99
|
2 |
|
ships same day |
16 |
270-0824
|
Bolt 3/8 x 1/2 |
$2.90
|
2 |
|
usually ships 1-5 days |
17 |
154-5176
|
20 inch shroud assembly |
$173.46
|
1 |
|
usually ships 12-15 days |
18 |
154-1685
|
Frame weldment |
$277.90
|
1 |
|
usually ships 12-15 days |
19a |
154-1686
|
Handle |
$537.97
|
1 |
|
usually ships 12-15 days |
19b |
154-5189
|
Handle |
$413.52
|
1 |
(230V) |
usually ships 12-15 days |
20 |
154-1688
|
18 inch pad driver with keyed riser |
$297.61
|
1 |
|
usually ships 12-15 days |
21 |
154-1689
|
Nylon standoff |
$8.29
|
4 |
|
usually ships 12-15 days |
22 |
154-1690
|
Rear axle |
$30.16
|
1 |
|
usually ships 12-15 days |
23 |
154-1691
|
Wheel spacer |
$24.66
|
2 |
|
usually ships 12-15 days |
24 |
154-1692
|
Handle support bracket |
$21.65
|
2 |
|
usually ships 12-15 days |
25 |
154-1537
|
Square keyway |
$19.60
|
2 |
|
usually ships 1-5 days |
26 |
154-1694
|
Wheel weldment bracket |
$35.78
|
2 |
|
usually ships 12-15 days |
27 |
154-1695
|
Adjustment belt bracket |
Call for price
|
1 |
|
usually ships 12-15 days |
28 |
154-1696
|
1 1/2 inch pulley |
$26.61
|
1 |
|
usually ships 12-15 days |
29 |
154-1697
|
3 1/2 inch pulley |
$95.02
|
1 |
|
usually ships 12-15 days |
30a |
154-1698
|
36 inch belt |
$65.81
|
1 |
|
usually ships 12-15 days |
30b |
154-2794
|
37 inch belt |
$93.31
|
1 |
(2000 rpm model) |
usually ships 12-15 days |
31 |
999-1577
|
Bolt 5/16-18 x 2 round head carriage stainless steel |
$1.84
|
4 |
|
usually ships 1-5 days |
32 |
999-0334
|
Bolt 1/4-20 x 3/4 inch hex head stainless steel |
$3.85
|
2 |
|
usually ships 16-20 days |
33 |
999-0130
|
Screw 5/16-18 x 3/4 socket head alloy plain finish |
$0.99
|
2 |
|
ships same day |
34 |
999-1441
|
Bolt 3/8-16 x 3 1/2 hex head stainless steel |
$7.99
|
1 |
|
ships same day |
35 |
272-8202
|
Bowed washer |
$1.94
|
2 |
|
usually ships 12-15 days |
36 |
154-2234
|
5 inch wheel |
$49.04
|
2 |
|
usually ships 1-5 days |
37 |
999-0252
|
Screw 5/16-18 x 1 carriage head grade 5 zinc |
$0.99
|
4 |
|
ships same day |
38 |
999-1842
|
Screw 3/8-16 x 2 1/2 button socket head stainless steel |
$5.94
|
2 |
|
ships same day |
39a |
154-1699
|
115V motor |
$879.24
|
1 |
|
usually ships 12-15 days |
39b |
154-1700
|
230V motor |
$1,222.97
|
1 |
|
usually ships 12-15 days |
39c |
154-1701
|
Motor cover |
$40.74
|
1 |
|
usually ships 12-15 days |
40 |
999-0197
|
Screw 1/4-20 x 1 socket head alloy plain finish |
$0.99
|
4 |
|
ships same day |
41 |
999-0152
|
Nut 1/4-20 nylon insert lock zinc plated |
$0.99
|
4 |
|
ships same day |
42 |
154-1702
|
Front spindle bearing housing |
$182.19
|
1 |
|
usually ships 12-15 days |
43a |
154-1703
|
Handle decal |
$12.76
|
1 |
|
usually ships 12-15 days |
43b |
154-1704
|
Export handle decal |
$16.30
|
1 |
|
usually ships 12-15 days |
44 |
154-5182
|
APEC decal |
$8.88
|
1 |
|
usually ships 12-15 days |
45 |
154-0777
|
Keep hands/feet decal |
$11.69
|
1 |
|
usually ships 1-5 days |
N/S |
154-2795
|
2 inch pulley |
$41.64
|
1 |
(2000 rpm model) |
usually ships 12-15 days |
N/S |
999-0830
|
Screw 1/4-20 x 1 hex head plain finish |
$0.99
|
4 |
(2000 rpm model) |
ships same day |
N/S |
154-2796
|
18 inch pad driver with keyed riser |
$297.61
|
1 |
(2000 rpm model) |
usually ships 12-15 days |
N/S |
154-2797
|
Shim washer |
$2.46
|
4 |
(2000 rpm model) |
usually ships 12-15 days |