| # | Part | Description | Price | Req | Notes | Availability |
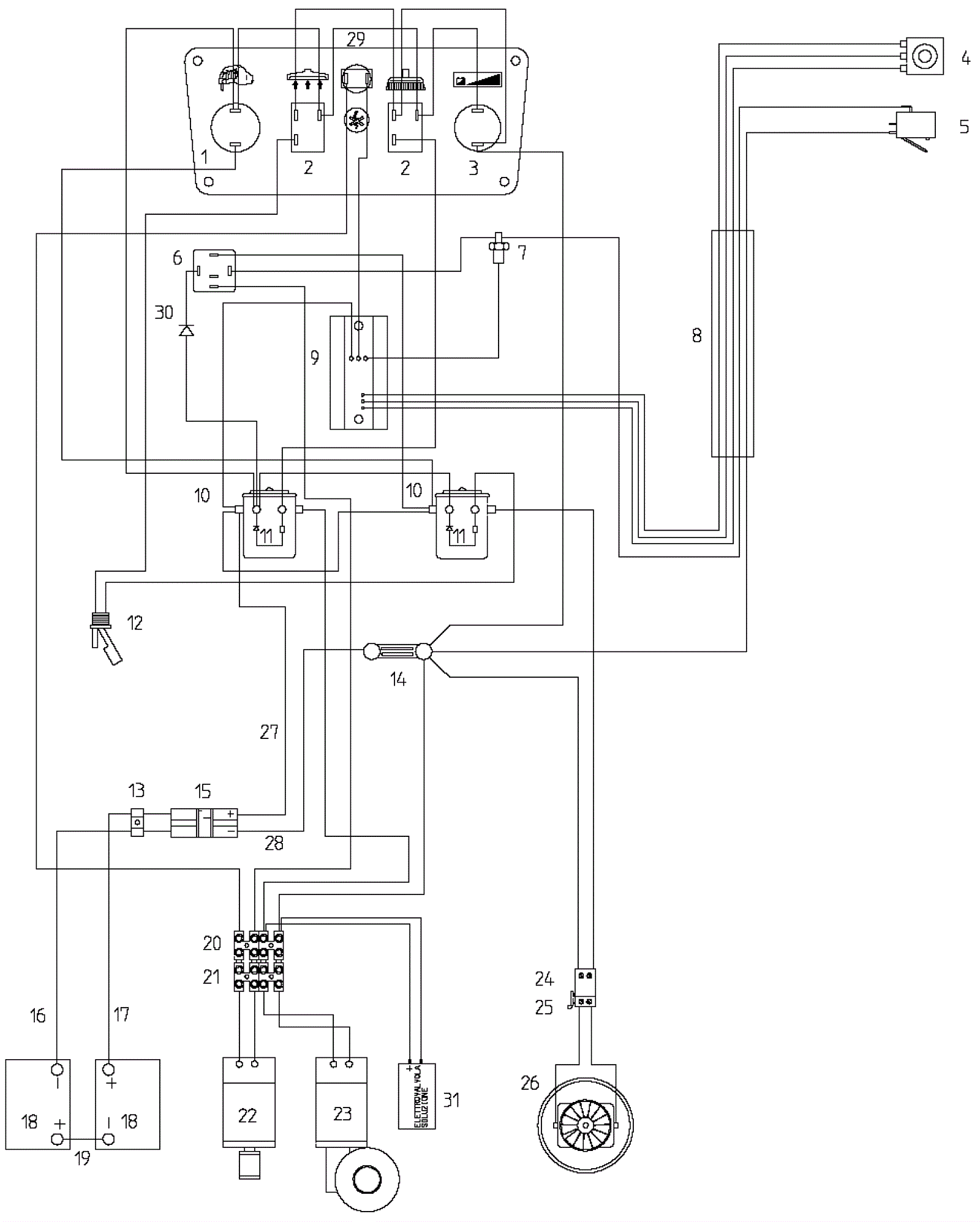
1 |
154-1837
|
Key switch |
$106.88
|
1 |
|
usually ships 1-5 days |
2 |
154-0620
|
Vacuum switch |
$34.88
|
2 |
|
usually ships 12-15 days |
3 |
154-1838
|
Battery charge indicator |
$239.81
|
1 |
|
usually ships 12-15 days |
4 |
154-1839
|
Potentiometer |
$159.08
|
1 |
|
usually ships 12-15 days |
5 |
154-1840
|
Microswitch |
$38.42
|
1 |
|
usually ships 1-5 days |
6 |
154-1841
|
Relay |
$82.26
|
1 |
|
usually ships 1-5 days |
7 |
154-1842
|
Diode |
$72.62
|
1 |
|
usually ships 1-5 days |
8 |
154-1843
|
Sheath |
$26.18
|
1 |
|
usually ships 12-15 days |
9 |
154-1844
|
Electronic assembly |
$378.98
|
1 |
|
usually ships 12-15 days |
10 |
154-1845
|
Solenoid contactor |
$284.44
|
2 |
|
usually ships 1-5 days |
11 |
154-1846
|
Net |
$34.74
|
2 |
|
usually ships 1-5 days |
12 |
154-9033
|
Float assembly |
$292.79
|
1 |
|
usually ships 12-15 days |
13 |
154-1847
|
Cable holder |
$88.80
|
1 |
|
usually ships 1-5 days |
14 |
154-1848
|
Fuse |
$29.28
|
1 |
|
usually ships 1-5 days |
15a |
154-0999
|
120amp charger plug (gray) SB120 |
$196.99
|
1 |
|
ships same day |
15b |
991-1918
|
CHARGER PLUG 120A GRAY, 6GA TERM. |
$17.12
|
1 |
(NO-OEM) |
usually ships 18-24 days |
16 |
154-1850
|
Negative cable |
$216.15
|
1 |
|
usually ships 1-5 days |
17 |
154-1851
|
Positive cable |
$189.98
|
1 |
|
usually ships 1-5 days |
19a |
998-0010
|
Battery jumper cable - ring type (red) |
$6.06
|
1 |
|
ships same day |
19b |
991-6025
|
Wire 4 x14.5, 3/8 ring x 3/8 ring |
$16.98
|
1 |
(NON-OEM) |
usually ships 18-24 days |
20 |
154-1854
|
Terminal board |
$21.70
|
1 |
|
usually ships 12-15 days |
21 |
154-1855
|
Terminal board |
$40.02
|
1 |
|
usually ships 12-15 days |
22a |
154-1856
|
Traction drive motor |
$1,423.54
|
1 |
|
usually ships 1-5 days |
22b |
154-3548
|
Carbon brush (sold each) |
$23.11
|
2 |
|
usually ships 12-15 days |
23 |
154-1857
|
24V brush motor |
$1,044.23
|
1 |
|
usually ships 1-5 days |
24 |
154-1858
|
Female plug |
$23.42
|
1 |
|
ships same day |
25 |
154-1859
|
Male plug |
$24.26
|
1 |
|
usually ships 12-15 days |
26a |
154-0996
|
24V 2 stage vacuum motor |
$858.45
|
1 |
(Pioneer) |
usually ships 12-15 days |
26b |
991-1209
|
24V 2 stage vacuum motor peripheral |
$261.08
|
1 |
(Ametek-Lamb) |
usually ships 18-24 days |
27 |
154-1860
|
Positive cable |
$94.37
|
1 |
|
usually ships 1-5 days |
28 |
154-1861
|
Negative cable |
$94.37
|
1 |
|
usually ships 1-5 days |
29 |
154-1862
|
Overload cut-out |
$75.64
|
1 |
|
usually ships 12-15 days |
30 |
154-1863
|
Diode |
$37.84
|
1 |
|
usually ships 1-5 days |
31 |
154-1864
|
Solenoid valve |
$448.00
|
1 |
|
usually ships 12-15 days |
N/S |
154-1866
|
Fuse |
$10.99
|
1 |
|
usually ships 1-5 days |