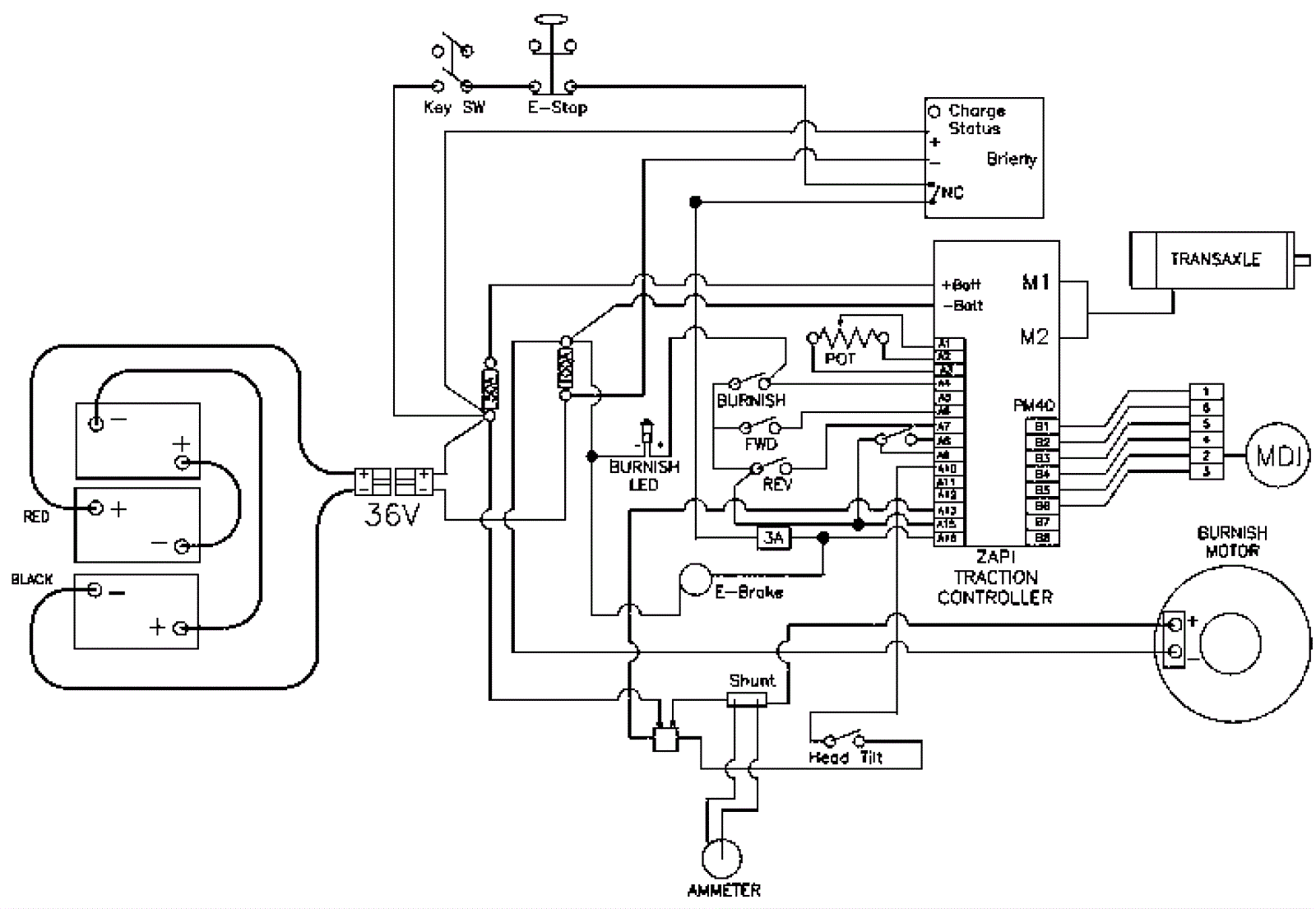
Wiring Diagram - Manual Lift
Click to enlarge