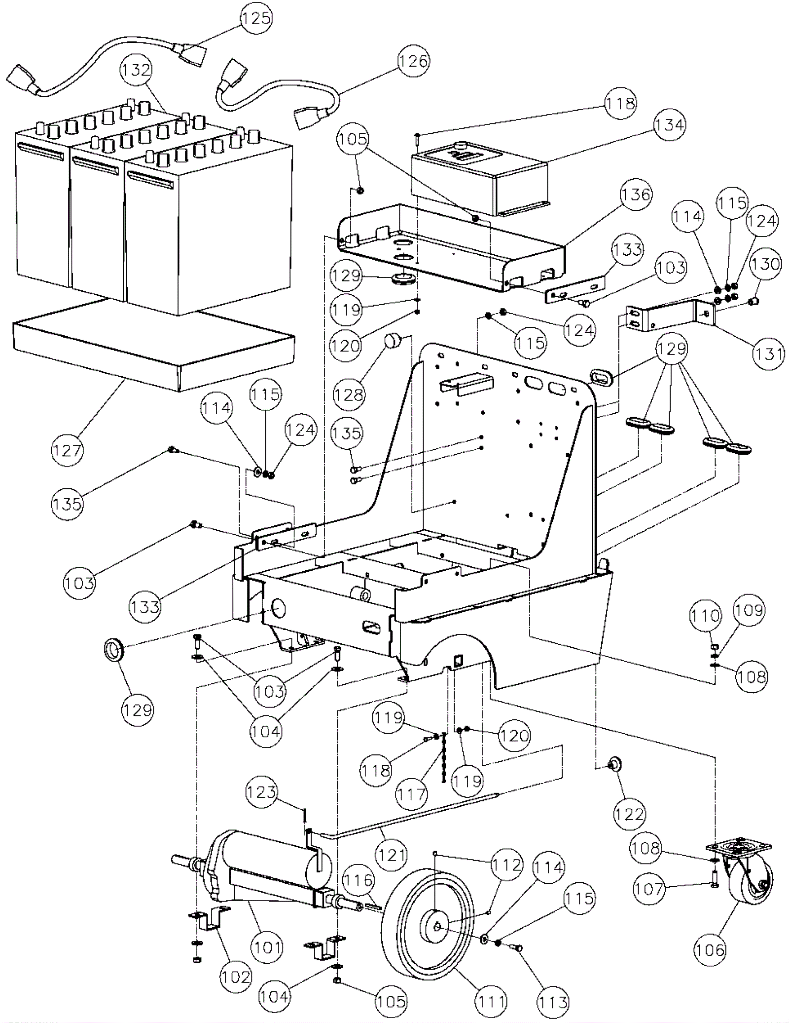
| # | Part | Description | Price | Req | Notes | Availability |
101 |
154-1536
|
Transaxle assembly |
$1,356.22
|
1 |
|
usually ships 1-5 days |
102 |
154-1535
|
Transaxle bracket |
$39.36
|
2 |
|
usually ships 1-5 days |
103 |
154-0757
|
Screw 3/8 x 1 |
$2.29
|
6 |
|
usually ships 1-5 days |
104 |
999-0032
|
Washer 3/8 USS flat plain finish |
$2.42
|
8 |
|
ships same day |
105 |
999-0188
|
Nut 3/8-16 nylon insert lock zinc plated |
$0.99
|
6 |
|
ships same day |
106 |
154-1532
|
4 inch caster wheel with seal (gray) |
$110.34
|
2 |
|
usually ships 12-15 days |
107 |
999-0649
|
Bolt 3/8-16 x 1 1/4 hex head stainless steel |
$1.21
|
8 |
|
ships same day |
108 |
999-1254
|
Washer 3/8 SAE flat zinc plated |
$0.99
|
16 |
|
ships same day |
109 |
154-0633
|
Lock washer |
$2.29
|
8 |
|
usually ships 12-15 days |
110 |
999-0959
|
Nut 3/8-16 hex |
$1.42
|
8 |
|
ships same day |
111 |
154-1534
|
10 inch polyurethane wheel (OBSOLETE) |
$246.79
|
2 |
|
usually ships 1-5 days |
112 |
999-1452
|
Screw 1/4-20 x 3/8 set knurled point stainless steel |
$2.64
|
4 |
|
usually ships 1-5 days |
113 |
999-0424
|
Bolt 5/16-18 x 1 hex head stainless steel |
$0.99
|
2 |
|
ships same day |
114 |
999-0024
|
Washer 5/16 flat stainless steel |
$1.34
|
8 |
|
ships same day |
115 |
999-0028
|
Washer 5/16 split lock plain finish |
$0.99
|
10 |
|
ships same day |
116 |
154-1537
|
Square keyway |
$19.60
|
2 |
|
usually ships 1-5 days |
117 |
154-1554
|
#14 chain zinc plated (sold by the inch) |
$12.12
|
6 in |
|
usually ships 1-5 days |
118 |
999-0705
|
Screw 10-24 x 3/4 pan head phillips stainless steel |
$0.99
|
5 |
|
ships same day |
119 |
999-0998
|
Washer #10 flat stainless steel |
$0.99
|
6 |
|
ships same day |
120 |
999-0086
|
Nut 10-32 nylon insert lock zinc plated |
$0.99
|
5 |
|
ships same day |
121 |
154-1533
|
Transaxle rod (OBSOLETE) |
$52.89
|
1 |
|
usually ships 1-5 days |
122 |
154-1531
|
Knob |
$25.98
|
1 |
|
usually ships 1-5 days |
123 |
154-0646
|
Cotter pin |
$1.84
|
1 |
|
usually ships 1-5 days |
124 |
999-0211
|
Nut 5/16-18 hex nylon insert lock zinc plated |
$0.99
|
10 |
|
ships same day |
125 |
154-1612
|
Battery connector cable |
$44.24
|
1 |
|
usually ships 1-5 days |
126 |
154-1519
|
Battery connector cable |
$38.64
|
1 |
|
usually ships 1-5 days |
127 |
154-1613
|
Battery tray |
$129.02
|
1 |
|
usually ships 1-5 days |
128 |
154-2116
|
Vibration stud mount |
$37.46
|
3 |
|
usually ships 1-5 days |
129 |
154-0584
|
Grommet |
$10.15
|
7 |
|
usually ships 1-5 days |
130 |
154-1614
|
Compression insert |
$6.88
|
1 |
|
usually ships 1-5 days |
131 |
154-1615
|
Mounting bracket (OBSOLETE) |
$52.57
|
1 |
|
usually ships 1-5 days |
132 |
162-0002
|
12V 185Ah wet battery (SNSR) |
$511.50
|
3 |
|
ships same day |
133 |
154-1617
|
Adjustment bracket (OBSOLETE) |
$39.68
|
2 |
|
usually ships 1-5 days |
134 |
154-1618
|
36V battery charger |
$1,076.70
|
1 |
|
usually ships 1-5 days |
135 |
999-0130
|
Screw 5/16-18 x 3/4 socket head alloy plain finish |
$0.99
|
6 |
|
ships same day |
136 |
154-1619
|
Charger bracket (OBSOLETE) |
$67.66
|
1 |
|
usually ships 1-5 days |