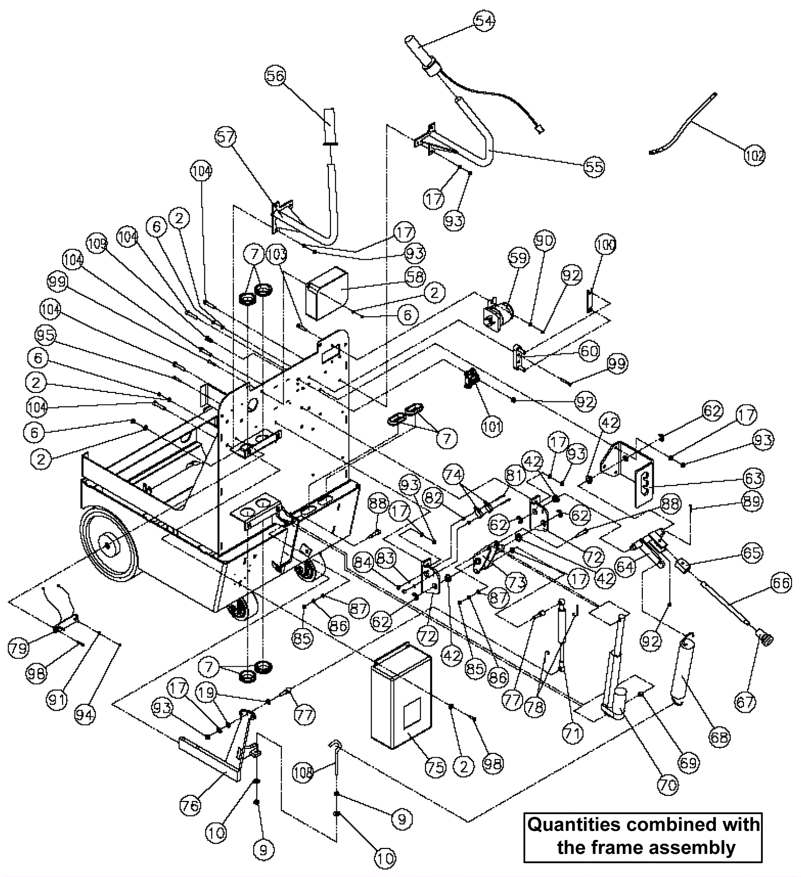
| # | Part | Description | Price | Req | Notes | Availability |
2 |
999-0006
|
Washer 3/16 flat zinc plated |
$0.99
|
22 |
|
ships same day |
6 |
999-0086
|
Nut 10-32 nylon insert lock zinc plated |
$0.99
|
14 |
|
ships same day |
7 |
154-0584
|
Grommet |
$10.15
|
8 |
|
usually ships 1-5 days |
9 |
999-0959
|
Nut 3/8-16 hex |
$1.42
|
11 |
|
ships same day |
10 |
999-1254
|
Washer 3/8 SAE flat zinc plated |
$0.99
|
43 |
|
ships same day |
17 |
999-0028
|
Washer 5/16 split lock plain finish |
$0.99
|
24 |
|
ships same day |
19 |
999-0024
|
Washer 5/16 flat stainless steel |
$1.34
|
2 |
|
ships same day |
42 |
154-1551
|
Flanged bushing |
$15.93
|
6 |
|
usually ships 12-15 days |
54 |
154-1557
|
Throttle assembly |
$161.35
|
1 |
|
usually ships 1-5 days |
55 |
154-1558
|
Right handle bar weldment (OBSOLETE) |
$62.50
|
1 |
|
usually ships 1-5 days |
56 |
154-1758
|
Handle weldment |
$25.81
|
1 |
|
usually ships 1-5 days |
57 |
154-1559
|
Left handle bar weldment (OBSOLETE) |
$62.50
|
1 |
|
usually ships 1-5 days |
58 |
154-1560
|
36V controller |
$704.56
|
1 |
|
usually ships 1-5 days |
59 |
154-3551
|
36V contactor |
$251.81
|
1 |
|
usually ships 12-15 days |
60 |
154-1636
|
Fuseblock |
$90.85
|
1 |
|
usually ships 1-5 days |
62 |
154-0841
|
Retaining ring |
$2.43
|
4 |
|
usually ships 1-5 days |
63 |
154-1562
|
Adjustment bracket (OBSOLETE) |
$73.57
|
1 |
|
usually ships 1-5 days |
64 |
154-1531
|
Knob |
$25.98
|
1 |
|
usually ships 1-5 days |
65 |
154-1563
|
Spacer (OBSOLETE) |
$50.57
|
1 |
|
usually ships 1-5 days |
66 |
154-1564
|
Adjustment rod (OBSOLETE) |
$27.98
|
1 |
|
usually ships 1-5 days |
67 |
154-1565
|
Tapered knob (OBSOLETE) |
$30.56
|
1 |
|
usually ships 12-15 days |
68 |
154-1566
|
Extension spring |
$65.78
|
1 |
|
usually ships 1-5 days |
69 |
154-1586
|
Nylon spacer |
$25.48
|
1 |
|
usually ships 1-5 days |
70 |
154-1587
|
Actuator assembly |
$375.20
|
1 |
|
usually ships 1-5 days |
71a |
154-1567
|
Spring (OBSOLETE) |
$74.81
|
1 |
|
usually ships 1-5 days |
71b |
154-1568
|
Spring |
$114.22
|
1 |
|
usually ships 1-5 days |
72 |
154-1569
|
Actuator lifting bracket (OBSOLETE) |
$56.45
|
2 |
|
usually ships 1-5 days |
73 |
154-1570
|
Actuator lifting arm weldment (OBSOLETE) |
$86.23
|
1 |
|
usually ships 1-5 days |
74 |
154-0382
|
Microswitch (OBSOLETE) |
$25.15
|
2 |
|
usually ships 12-15 days |
75 |
154-1571
|
36V battery charger |
$1,171.98
|
1 |
|
usually ships 1-5 days |
76 |
154-1572
|
Linking arm weldment (OBSOLETE) |
$106.89
|
1 |
|
usually ships 1-5 days |
77 |
154-1555
|
13mm ball |
$16.80
|
2 |
|
usually ships 1-5 days |
78 |
154-1573
|
Retainer pin |
$1.46
|
2 |
|
usually ships 1-5 days |
79 |
154-1574
|
Shunt |
$249.50
|
1 |
|
usually ships 1-5 days |
81 |
999-1453
|
Screw 4-40 x 1 1/2 pan head phillips stainless steel |
$0.99
|
2 |
|
usually ships 1-5 days |
82 |
154-1575
|
Microswitch spacer |
$16.82
|
2 |
|
usually ships 1-5 days |
83 |
999-0985
|
Washer #4 SAE flat |
$0.99
|
2 |
|
ships same day |
84 |
999-0295
|
Nut 4-40 nylon insert lock stainless steel |
$0.99
|
2 |
|
ships same day |
85 |
999-1308
|
Nut M6-1 hex stainless steel |
$0.99
|
12 |
|
ships same day |
86 |
999-1117
|
Washer M6 split lock stainless steel |
$0.99
|
12 |
|
ships same day |
87 |
999-1261
|
Washer M6 flat stainless steel |
$0.99
|
12 |
|
ships same day |
88 |
154-1588
|
Screw M8 x 40mm shoulder |
$19.47
|
12 |
|
usually ships 1-5 days |
89 |
999-1260
|
Screw 1/4-20 x 1 1/2 hex cap stainless steel |
$0.99
|
1 |
|
ships same day |
90 |
999-0016
|
Washer 1/4 flat plain finish |
$0.99
|
2 |
|
ships same day |
91 |
154-0600
|
Lock washer |
$2.29
|
2 |
|
usually ships 12-15 days |
92 |
999-0152
|
Nut 1/4-20 nylon insert lock zinc plated |
$0.99
|
5 |
|
ships same day |
93 |
999-0211
|
Nut 5/16-18 hex nylon insert lock zinc plated |
$0.99
|
17 |
|
ships same day |
94 |
999-0609
|
Nut 1/4-20 hex stainless steel |
$0.99
|
2 |
|
ships same day |
95 |
999-0249
|
Screw 6-32 x 5/8 round head slotted zinc plated |
$0.99
|
2 |
|
ships same day |
98 |
999-0705
|
Screw 10-24 x 3/4 pan head phillips stainless steel |
$0.99
|
6 |
|
ships same day |
99 |
999-1031
|
Screw 10-24 x 1 truss head phillips stainless steel |
$0.99
|
4 |
|
ships same day |
100 |
154-1576
|
50amp fuse |
$35.48
|
1 |
|
usually ships 1-5 days |
101 |
154-1577
|
150amp fuse |
$118.00
|
1 |
|
usually ships 1-5 days |
102 |
154-1578
|
Cable |
$98.04
|
1 |
|
usually ships 1-5 days |
103 |
999-0019
|
Bolt 1/4-20 x 5/8 hex head grade 5 zinc plated |
$0.99
|
2 |
|
ships same day |
104 |
999-0130
|
Screw 5/16-18 x 3/4 socket head alloy plain finish |
$0.99
|
13 |
|
ships same day |
108 |
154-1589
|
J hook |
$23.46
|
1 |
|
usually ships 1-5 days |
109 |
999-0197
|
Screw 1/4-20 x 1 socket head alloy plain finish |
$0.99
|
4 |
|
ships same day |