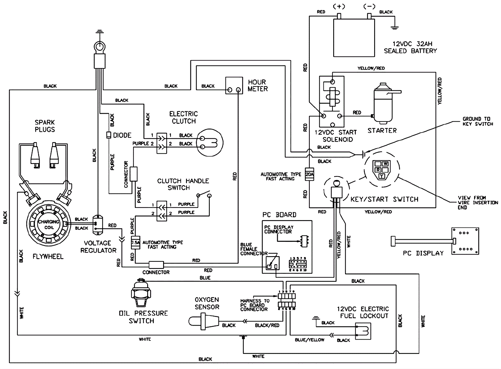
Wiring Diagram - Model KWA/E without Clutch
Click to enlarge