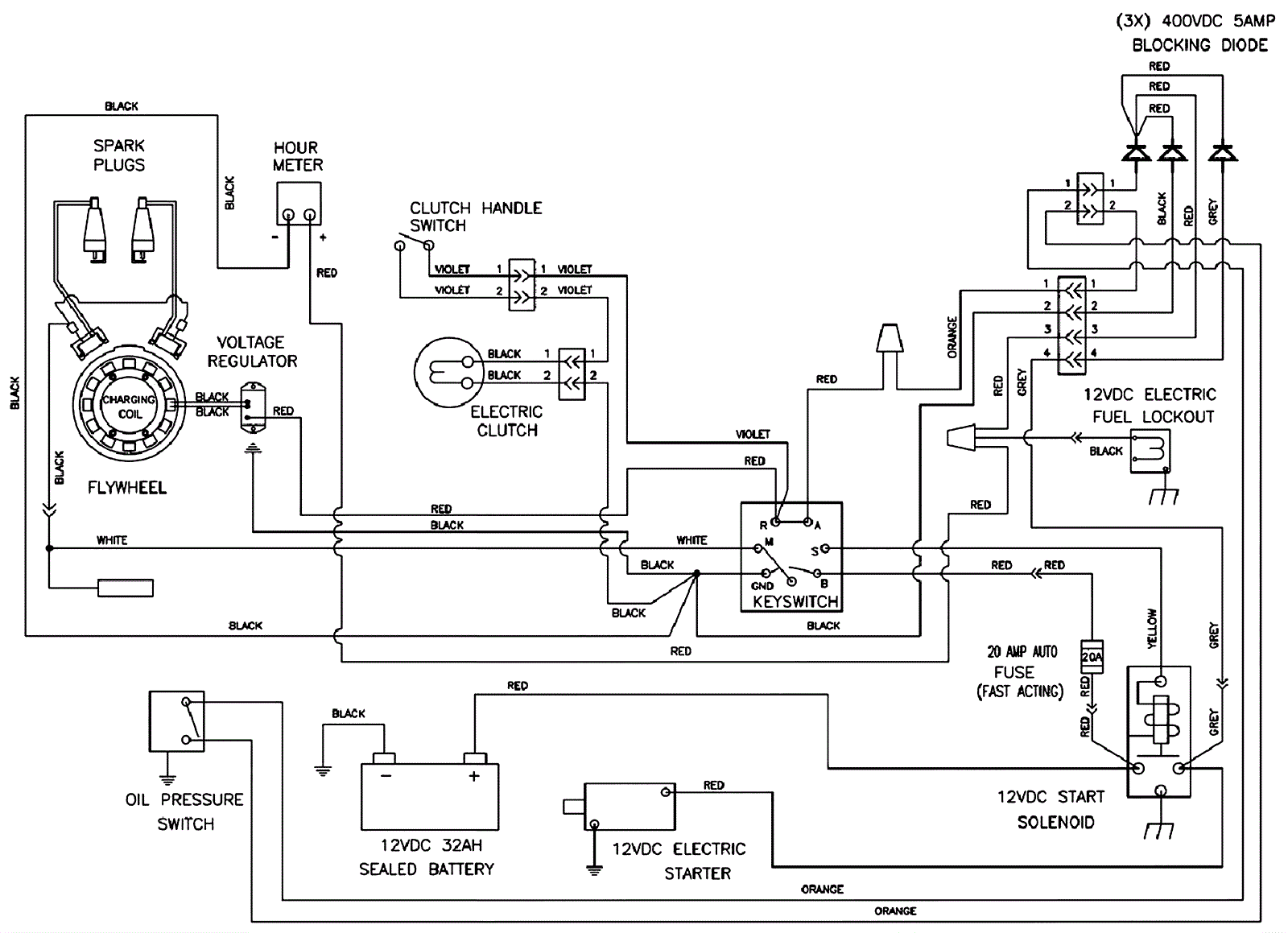
Wiring Diagram - Model KWC/E with Clutch
Click to enlarge