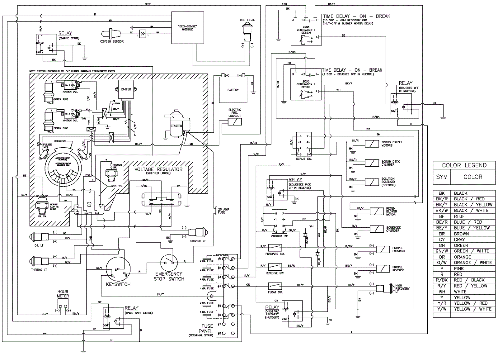
Wiring Diagram - After SN 62419
Click to enlarge