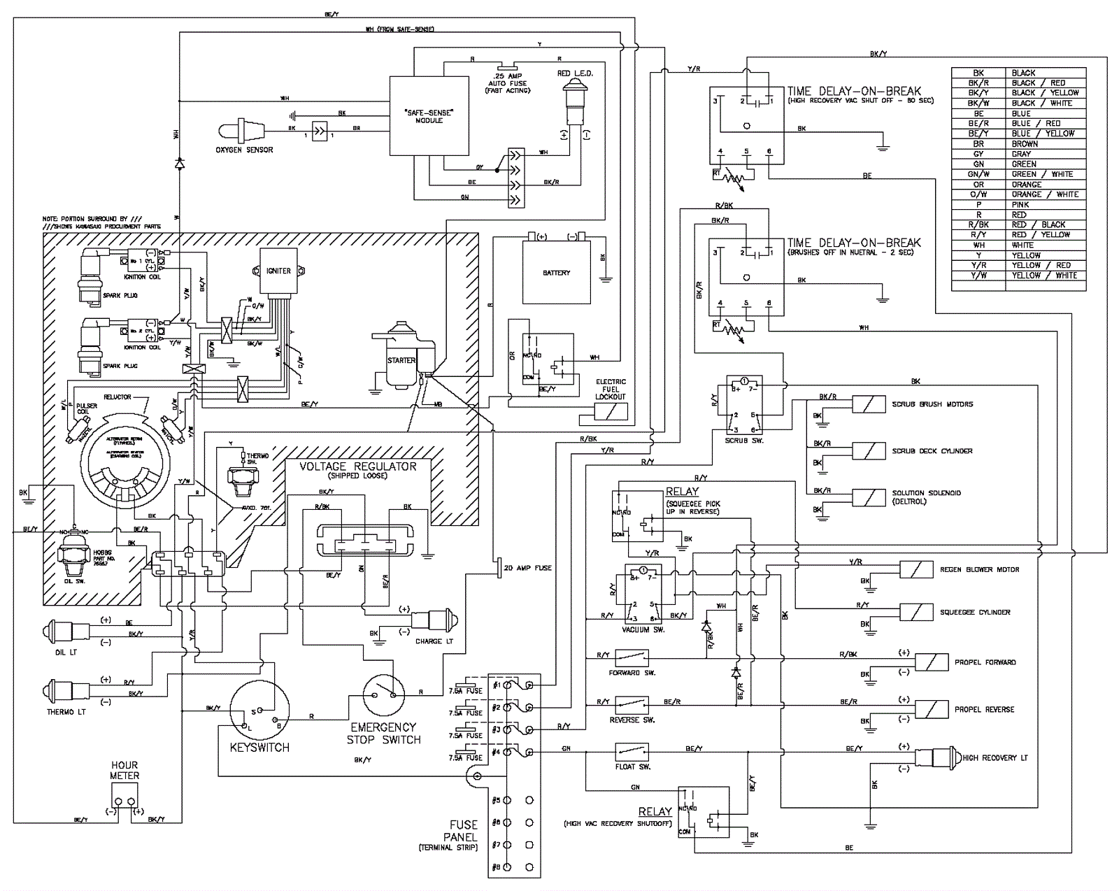
Wiring Diagram - Before SN 62234
Click to enlarge