REVOLUTION 24
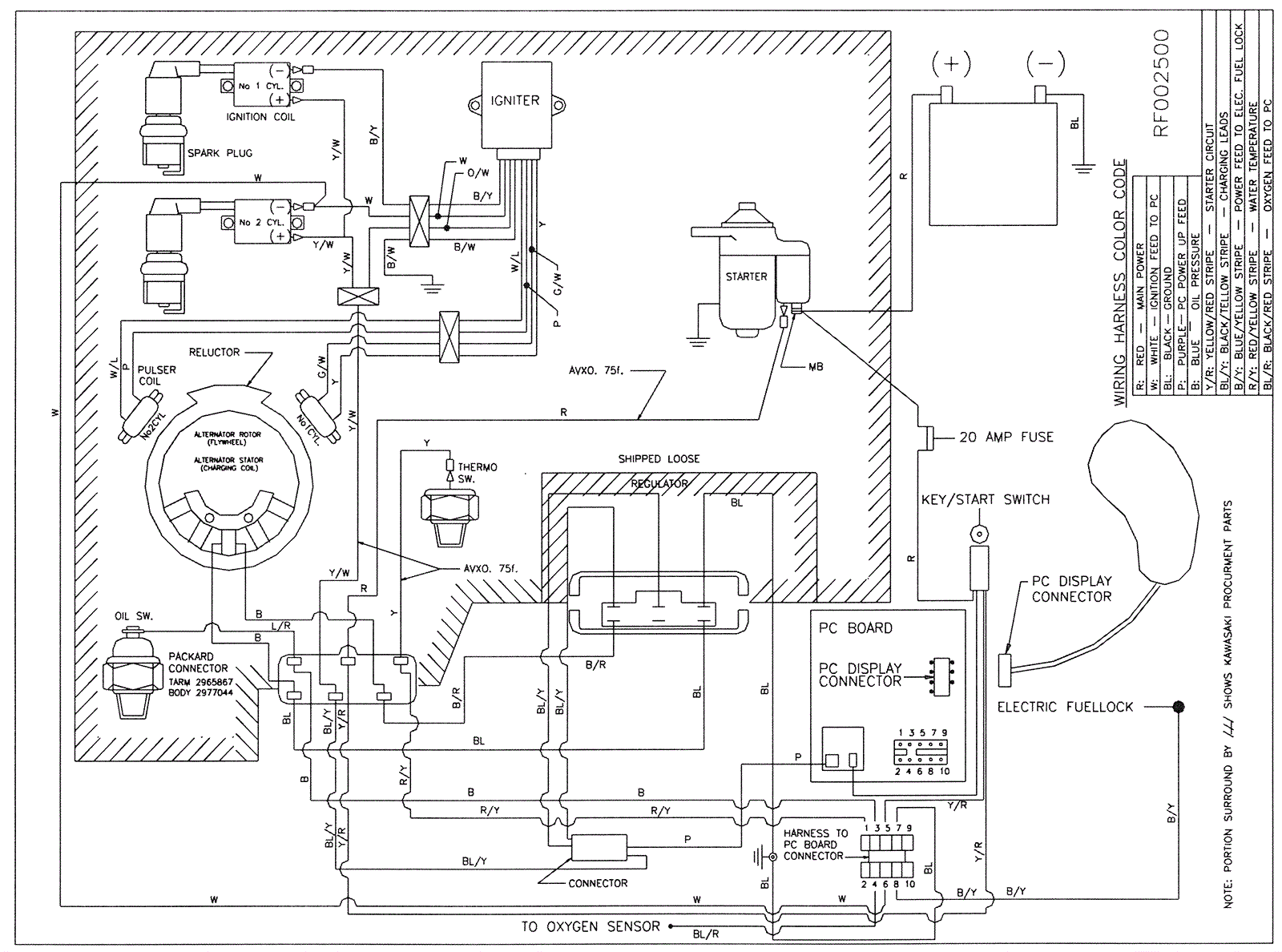
Wiring Diagram
Click to enlarge
#
Part
Description
Price
Req
Notes
Availability
N/S
178-7206
Voltage regulator
$92.95
usually ships 7-10 days