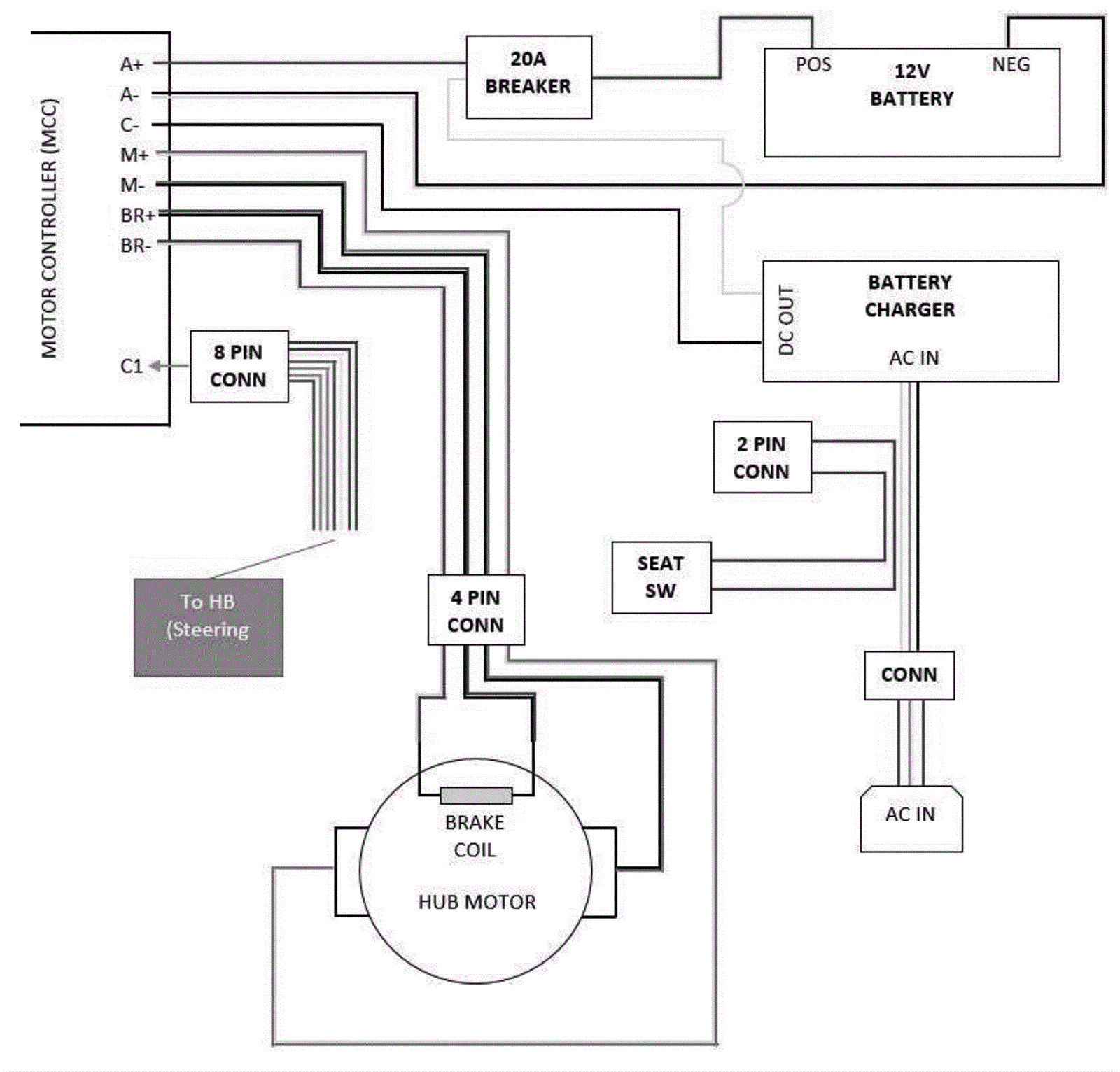
Motor Controller Wiring Diagram
Click to enlarge