MODEL 280-4036
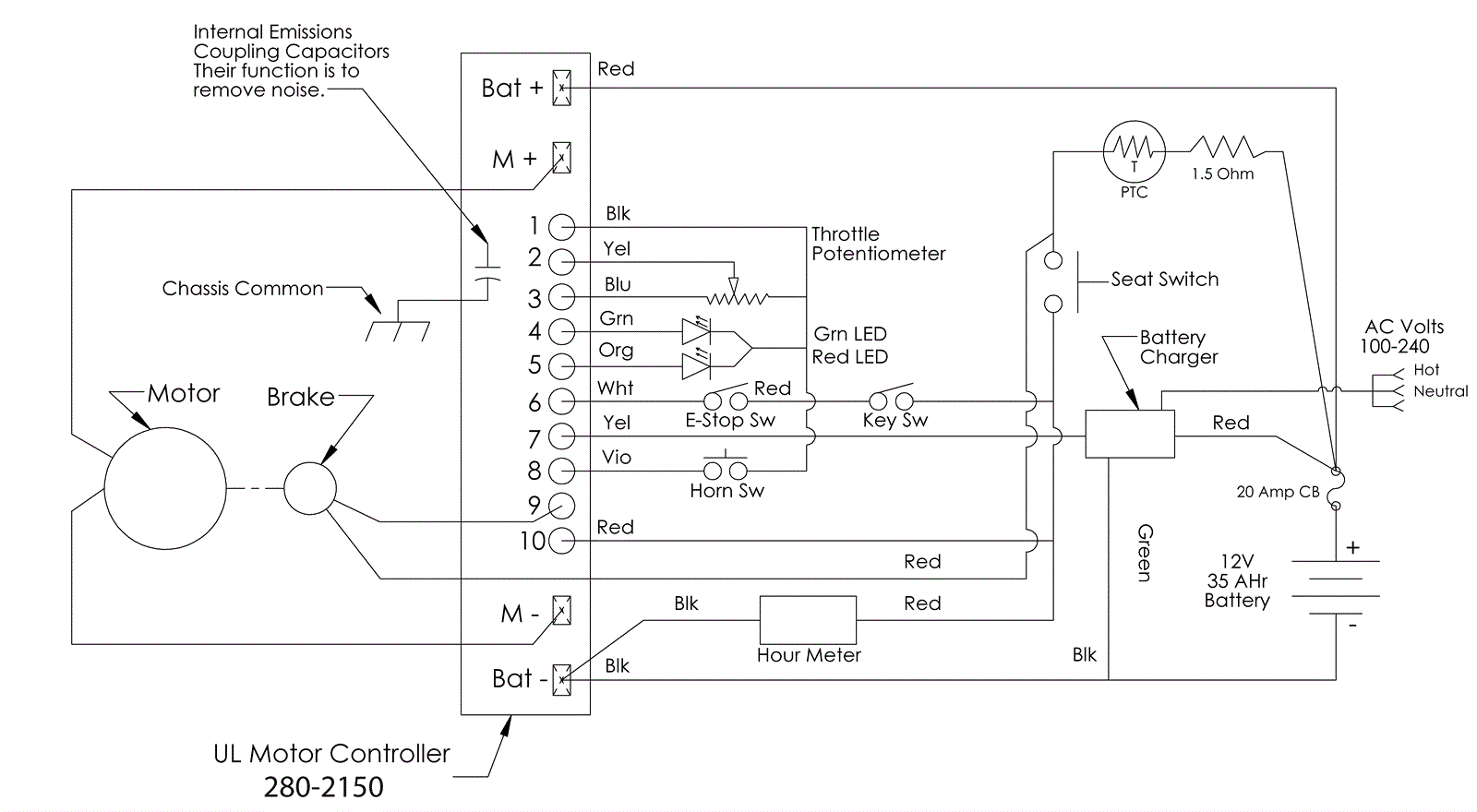
Wiring diagram
Click to enlarge
#
Part
Description
Price
Req
Notes
Availability
N/S
153-1017
UL motor controller
$730.76
usually ships 14-17 days