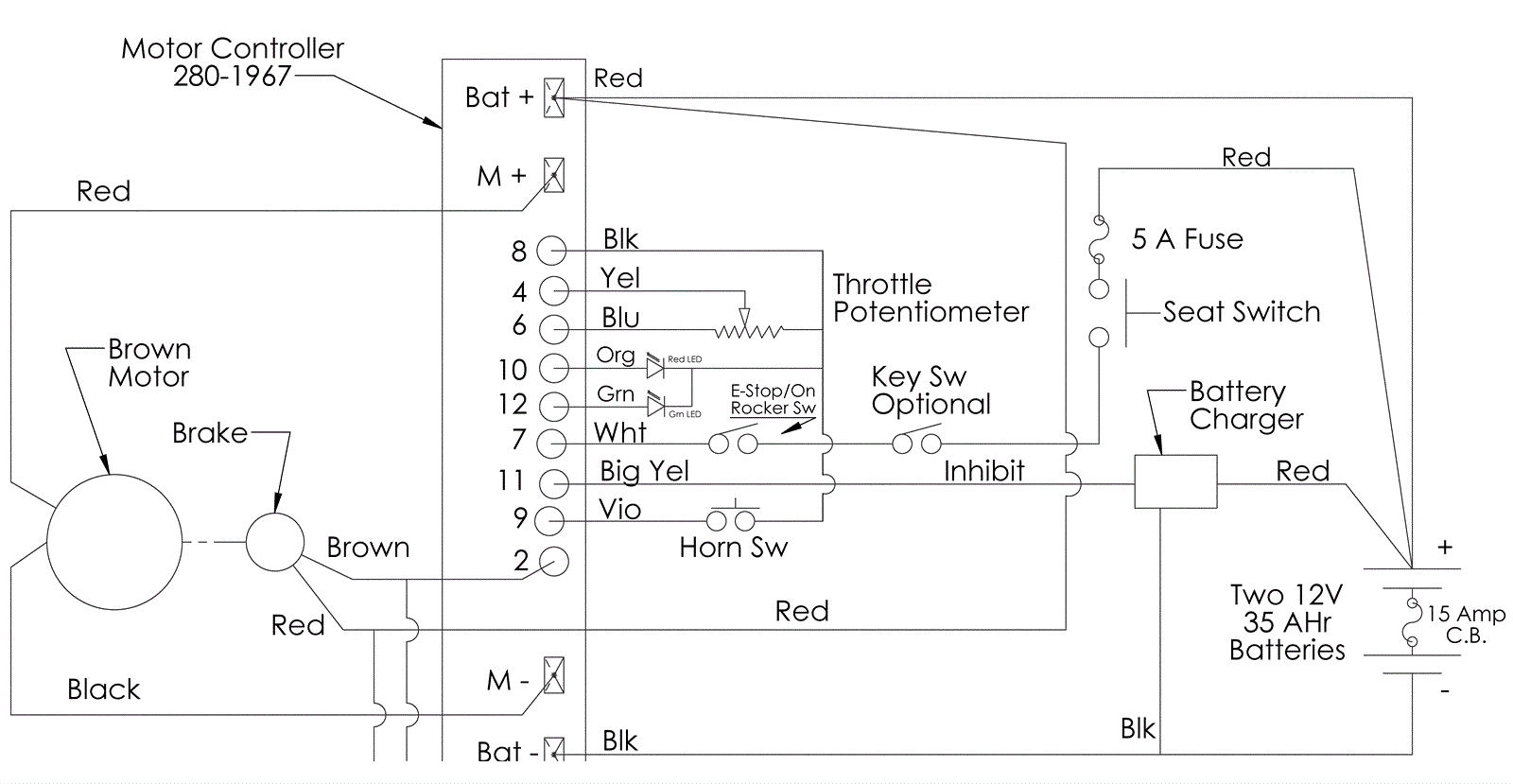
Wiring diagram
Click to enlarge