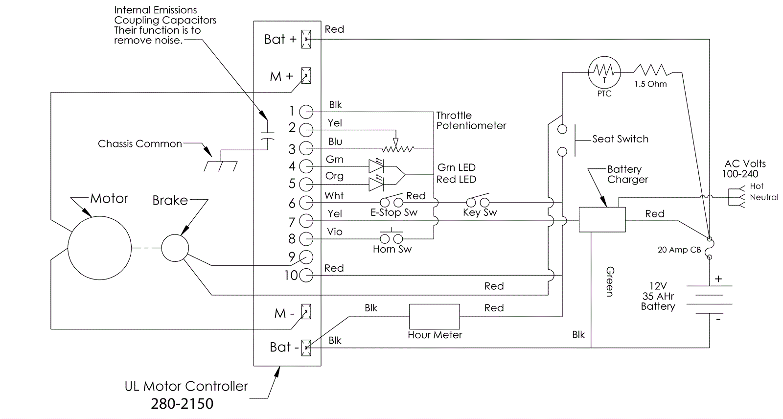
MODEL 4038
Wiring Diagram
Click to enlarge
#
Part
Description
Price
Req
Notes
Availability
280-2150
153-1017
UL motor controller
$730.76
usually ships 14-17 days