| |
Charger Assembly - 192-0183 |
|
| RefNbr |
Part Number |
Description |
Price |
Req |
Notes |
| 101 |
192-9293 |
Angle bracket |
$10.09 |
1 |
|
| 102 |
192-0101 |
Screw M5 x 12mm self tapping form |
$2.33 |
2 |
|
| 103 |
292-5592 |
24V 25amp charger |
$819.25 |
1 |
|
| 104 |
192-0563 |
Nut M6 self-locking |
$2.33 |
2 |
|
| 105 |
192-7421 |
Washer |
$2.33 |
2 |
|
| 107 |
192-9831 |
Connecting cable |
$34.97 |
1 |
|
|
|
Lower Assembly - After V4 - 192-0530 |
|
| RefNbr |
Part Number |
Description |
Price |
Req |
Notes |
| 101 |
192-1406 |
Battery cable |
$58.51 |
1 |
(includes 131-135) |
| 102 |
292-8559 |
Wire-6 AWG 16mm (red) |
$111.77 |
1 |
(includes 128-130) |
| 103 |
192-0677 |
Washer M3 |
$2.33 |
2 |
|
| 104 |
192-0077 |
Screw M5 x 12mm socket head |
$2.33 |
2 |
(after V5) |
| 105 |
192-9202 |
Relay |
$95.22 |
1 |
|
| 106 |
192-5931 |
Screw M6 x 12mm truss head phillips |
$2.33 |
2 |
|
| 107 |
192-0294 |
Screw M3 x 20 raised cheese head |
$2.33 |
2 |
|
| 108 |
192-0054 |
Screw M3 x 16mm raised cheese head |
$4.55 |
1 |
(after V5) |
| 109 |
292-5363 |
Plate |
$10.02 |
1 |
|
| 110 |
292-5561 |
Membrane |
$4.38 |
1 |
|
| 111 |
192-4218 |
Screw M12 x 30mm hex head |
$2.33 |
1 |
|
| 112 |
192-9289 |
Grommet |
$10.49 |
1 |
|
| 113 |
292-4050 |
Foam insert |
$15.62 |
1 |
(after V5) |
| 114 |
192-9238 |
Spacer set |
$10.49 |
1 |
|
| 115a |
292-9382 |
Electronics |
$643.98 |
1 |
(after V5) |
| 115b |
192-9287 |
Electronic control board |
$925.76 |
1 |
(before V6) |
| 116 |
292-0008 |
Spacer |
$29.72 |
1 |
|
| 117 |
192-9286 |
Diode |
$5.24 |
1 |
|
| 118 |
192-9295 |
Bumper profile |
$4.51 |
1 |
|
| 119 |
192-9291 |
Splash guard |
$5.59 |
1 |
|
| 120 |
292-5568 |
Connection block |
$8.58 |
1 |
|
| 121 |
192-2895 |
2 way connection block |
$2.33 |
1 |
(after V5) |
| 122 |
192-2496 |
Cable clamp |
$2.33 |
1 |
|
| 123 |
192-2797 |
Clamp |
$5.13 |
1 |
|
| 124a |
292-1033 |
Chassis |
$0.00 |
1 |
(after V5) |
| 124b |
192-9294 |
Chassis |
$482.14 |
1 |
(before V6) |
| 125a |
292-1034 |
Complete castor |
$384.55 |
1 |
(after V5) |
| 125b |
292-1034 |
Complete castor |
$384.55 |
1 |
(includes 141-142) (before V6) |
| 126 |
192-0794 |
Cable tie |
$3.68 |
2 |
|
| 127 |
192-8588 |
Pop rivet |
$2.63 |
4 |
|
| 128 |
192-4577 |
Insulating nut |
$21.05 |
1 |
|
| 129 |
192-1420 |
75amp fuse |
$15.92 |
1 |
|
| 130 |
192-2505 |
Battery cable clamp |
$21.40 |
1 |
|
| 131 |
192-9355 |
Screw M6 x 40mm hex head |
$3.85 |
2 |
|
| 132 |
192-0151 |
Nut M6 hex |
$2.33 |
2 |
|
| 133 |
192-0886 |
Battery post cover |
$2.80 |
2 |
|
| 134 |
192-1926 |
Negative battery clamp |
$7.18 |
1 |
|
| 135 |
192-1927 |
Positive battery clamp |
$9.39 |
1 |
|
| 136 |
192-7421 |
Washer |
$2.33 |
2 |
|
| 137 |
192-0101 |
Screw M5 x 12mm self tapping form |
$2.33 |
2 |
|
| 138 |
192-0563 |
Nut M6 self-locking |
$2.33 |
2 |
|
| 139a |
292-1035 |
Holder |
$0.00 |
1 |
(after V5) |
| 139b |
192-9293 |
Angle bracket |
$10.09 |
1 |
(before V6) |
| 140a |
292-0869 |
24V 25amp charger |
$540.57 |
1 |
(after V5) |
| 140b |
292-5592 |
24V 25amp charger |
$819.25 |
1 |
(before V6) |
| 141 |
292-0506 |
Wheel |
$35.08 |
2 |
(option) (before V6) |
| 142 |
192-6380 |
Caster replacement wheel (brown) (pkg of 2) |
$127.74 |
1 |
(option) (before V6) |
| 143 |
292-8560 |
Wire-6 AWG 16mm (black) |
$76.53 |
1 |
(after V5) |
| N/S |
292-8560 |
Wire-6 AWG 16mm (black) |
$76.53 |
1 |
(before V6) |
| N/S |
192-9288 |
Screw M5 x 35mm self threading |
$2.33 |
4 |
(before V6) |
| N/S |
192-0101 |
Screw M5 x 12mm self tapping form |
$2.33 |
2 |
(before V6) |
| N/S |
192-9292 |
Plastic weldment |
$18.88 |
1 |
(before V6) |
| N/S |
999-0517 |
Bolt M8-1.25 x 16mm hex head full thread zinc |
$0.90 |
1 |
(before V6) |
|
|
Scrub Deck Assembly - V5 - 4126923 - 192-0816 |
|
| RefNbr |
Part Number |
Description |
Price |
Req |
Notes |
| 000 |
292-8553 |
Brush deck assembly (OBSOLETE) |
$1,894.70 |
1 |
(includes 101-120) |
| 101 |
192-9265 |
Tension spring |
$2.33 |
2 |
|
| 102 |
192-9264 |
Decoupling bow |
$68.83 |
1 |
|
| 103 |
192-9262 |
Screw M8 x 65mm socket head |
$2.33 |
1 |
|
| 104 |
192-0364 |
Screw M8 x 12mm socket head |
$2.40 |
3 |
|
| 105 |
192-4543 |
Axle idler kit |
$46.11 |
1 |
|
| 106 |
192-0086 |
Snap ring |
$2.33 |
2 |
|
| 107 |
192-0075 |
Retaining ring |
$5.55 |
1 |
|
| 109 |
192-1872 |
Grease |
$10.90 |
3 |
|
| 110a |
192-0404 |
Wire reinforced hose (sold by the inch) |
$0.90 |
7 in |
|
| 110b |
192-0404 |
Wire reinforced hose (sold by the inch) |
$0.90 |
16 in |
|
| 111 |
192-9396 |
Bracket |
$8.04 |
1 |
|
| 112 |
192-9269 |
Bracket |
$10.96 |
1 |
|
| 113 |
192-2826 |
Clamp |
$6.99 |
1 |
|
| 114 |
192-0347 |
Nut M8 hex |
$2.33 |
1 |
|
| 115 |
192-0348 |
Screw M8 x 12mm truss head |
$2.33 |
12 |
|
| 116 |
192-9266 |
Base plate cover |
$17.55 |
1 |
|
| 117 |
192-0102 |
7 3/4 inch cable tie |
$2.33 |
2 |
|
| 118 |
292-0345 |
Brush housing |
$266.04 |
1 |
|
| 119 |
192-9260 |
Bracket |
$241.14 |
1 |
|
| 120 |
192-9270 |
Axle |
$12.70 |
1 |
|
| 121 |
192-7525 |
Wire sleeve |
$5.31 |
2 |
|
| 122 |
192-0712 |
Coil with toric core |
$6.48 |
1 |
|
| 123 |
192-0590 |
Pulley axle |
$12.12 |
2 |
|
| 124 |
192-0364 |
Screw M8 x 12mm socket head |
$2.40 |
6 |
|
| 125 |
192-5471 |
Paste silicone 100 gr (OBSOLETE) |
$147.47 |
1 |
|
| 126 |
192-0503 |
Retaining ring |
$2.33 |
2 |
|
| 127 |
292-0137 |
Pulley |
$41.79 |
1 |
|
| 128 |
192-9388 |
Pulley |
$8.58 |
1 |
|
| 129 |
192-9261 |
Poly v belt |
$59.51 |
1 |
|
| 130 |
192-9258 |
Poly v belt |
$29.37 |
1 |
|
| 131 |
192-9434 |
13 inch pad driver |
$170.94 |
2 |
(includes 153-155) |
| 132 |
192-5358 |
O-ring |
$5.55 |
1 |
|
| 133 |
192-5078 |
24V brush motor with noise suppression |
$314.43 |
1 |
|
| 134 |
292-0068 |
Pulley kit (includes bearings and clips) |
$115.34 |
1 |
(includes 109, 147-152) |
| 135 |
192-1285 |
Screw M6 x 25mm hex head |
$2.33 |
3 |
|
| 136 |
999-0507 |
Bolt M6-1 x 16mm hex head full thread plain finish |
$0.90 |
3 |
|
| 137 |
192-0800 |
Nut M12 left hand thread hex |
$4.20 |
1 |
|
| 138 |
192-6321 |
Sealing ring |
$3.57 |
2 |
|
| 139 |
192-6320 |
Sealing ring |
$2.33 |
2 |
|
| 140 |
192-5814 |
Pulley with bearings (bearings not available separate) |
$30.07 |
1 |
|
| 141 |
192-2728 |
Flanged bushing |
$5.13 |
2 |
|
| 142 |
192-9395 |
Hose nipple |
$2.33 |
1 |
|
| 143 |
192-3032 |
Drive hub |
$15.27 |
2 |
|
| 144 |
192-8633 |
Stud |
$7.11 |
3 |
|
| 145 |
192-1677 |
Angled nipple |
$2.33 |
1 |
|
| 146 |
292-8528 |
.5ml capsule loctite medium strength thread lock (red) |
$50.00 |
1 |
|
| 147 |
192-0482 |
Spacer |
$2.33 |
1 |
|
| 148 |
192-0483 |
Retaining ring |
$2.33 |
1 |
|
| 149 |
192-0485 |
Retaining ring |
$4.85 |
1 |
|
| 150 |
192-4607 |
Intermediate pulley |
$18.53 |
1 |
|
| 151 |
192-0484 |
Flanged bearing |
$36.90 |
1 |
|
| 152 |
192-0481 |
Ball bearing |
$9.74 |
2 |
|
| 153 |
292-8682 |
Ring (yellow) |
$4.62 |
1 |
|
| 154 |
192-0445 |
Screw M5 x 25mm pan head tap |
$2.33 |
4 |
|
| 155 |
192-3013 |
Brush coupling |
$12.59 |
1 |
|
|
|
Scrub Deck Assembly - V5 - 4130236 - 192-0817 |
|
| RefNbr |
Part Number |
Description |
Price |
Req |
Notes |
| 000 |
292-8558 |
Brush drive assembly |
$2,227.08 |
1 |
(includes 101-127) |
| 101 |
192-9265 |
Tension spring |
$2.33 |
2 |
|
| 102 |
292-0153 |
Lever |
$98.02 |
1 |
|
| 103 |
192-9262 |
Screw M8 x 65mm socket head |
$2.33 |
1 |
|
| 104 |
192-0278 |
Screw M8 x 25mm socket head |
$2.68 |
1 |
|
| 105 |
192-0078 |
Screw M8 x 16mm socket head |
$2.33 |
1 |
|
| 106 |
192-0364 |
Screw M8 x 12mm socket head |
$2.40 |
4 |
|
| 107 |
292-0135 |
Wheel |
$37.06 |
1 |
|
| 108 |
192-0086 |
Snap ring |
$2.33 |
2 |
|
| 110 |
292-0156 |
Pressure spring |
$12.54 |
1 |
|
| 111 |
292-0142 |
Plate |
$121.52 |
1 |
|
| 112 |
192-1872 |
Grease |
$10.90 |
3 |
|
| 113a |
192-0404 |
Wire reinforced hose (sold by the inch) |
$0.90 |
20 in |
|
| 113b |
192-0404 |
Wire reinforced hose (sold by the inch) |
$0.90 |
20 in |
|
| 114 |
192-9396 |
Bracket |
$8.04 |
1 |
|
| 115 |
192-9819 |
Plate bracket |
$11.81 |
1 |
|
| 116 |
292-0020 |
Screw M8 x 80mm hex head |
$4.08 |
1 |
|
| 117 |
192-0347 |
Nut M8 hex |
$2.33 |
2 |
|
| 118 |
192-0348 |
Screw M8 x 12mm truss head |
$2.33 |
16 |
|
| 119 |
192-0602 |
Bushing |
$9.86 |
1 |
|
| 120 |
292-0136 |
Flanged bushing |
$13.36 |
1 |
|
| 121 |
292-0157 |
Bolt |
$13.17 |
1 |
|
| 122 |
192-9821 |
Bolt |
$9.39 |
1 |
|
| 123 |
192-8983 |
Pedal pad |
$6.64 |
1 |
|
| 124 |
292-0141 |
Cover |
$28.67 |
1 |
|
| 125 |
192-0102 |
7 3/4 inch cable tie |
$2.33 |
4 |
|
| 126 |
292-5105 |
Brush housing |
$476.15 |
1 |
|
| 127 |
292-0138 |
Brush base plate |
$412.28 |
1 |
|
| 128 |
192-7525 |
Wire sleeve |
$5.31 |
2 |
|
| 129 |
192-0200 |
Washer M6 |
$2.98 |
3 |
|
| 130 |
192-0712 |
Coil with toric core |
$6.48 |
1 |
|
| 131 |
192-0590 |
Pulley axle |
$12.12 |
2 |
|
| 132 |
192-0364 |
Screw M8 x 12mm socket head |
$2.40 |
8 |
|
| 133 |
292-0014 |
Guide wheel |
$48.37 |
1 |
|
| 134 |
292-0015 |
Guide wheel |
$48.02 |
1 |
|
| 135 |
192-0503 |
Retaining ring |
$2.33 |
2 |
|
| 136 |
192-5815 |
Pulley |
$9.51 |
1 |
|
| 137 |
292-0139 |
Poly v-belt |
$75.01 |
1 |
|
| 138 |
192-5626 |
Poly v-belt |
$20.63 |
1 |
|
| 139 |
292-5109 |
17 inch pad driver |
$224.22 |
2 |
(includes 159-161) |
| 140 |
192-5078 |
24V brush motor with noise suppression |
$314.43 |
1 |
|
| 141 |
292-0068 |
Pulley kit (includes bearings and clips) |
$115.34 |
1 |
(includes 153-158) |
| 142 |
192-1285 |
Screw M6 x 25mm hex head |
$2.33 |
3 |
|
| 143 |
999-0507 |
Bolt M6-1 x 16mm hex head full thread plain finish |
$0.90 |
3 |
|
| 144 |
192-0800 |
Nut M12 left hand thread hex |
$4.20 |
1 |
|
| 145 |
192-6320 |
Sealing ring |
$2.33 |
2 |
|
| 146 |
192-6321 |
Sealing ring |
$3.57 |
2 |
|
| 147 |
292-0140 |
Pulley |
$73.89 |
2 |
|
| 148 |
192-2728 |
Flanged bushing |
$5.13 |
2 |
|
| 149 |
192-3032 |
Drive hub |
$15.27 |
2 |
|
| 150 |
192-8633 |
Stud |
$7.11 |
3 |
|
| 151 |
192-1677 |
Angled nipple |
$2.33 |
2 |
|
| 152 |
292-8528 |
.5ml capsule loctite medium strength thread lock (red) |
$50.00 |
1 |
|
| 153 |
192-0482 |
Spacer |
$2.33 |
1 |
|
| 154 |
192-0483 |
Retaining ring |
$2.33 |
1 |
|
| 155 |
192-0485 |
Retaining ring |
$4.85 |
1 |
|
| 156 |
192-4607 |
Intermediate pulley |
$18.53 |
1 |
|
| 157 |
192-0484 |
Flanged bearing |
$36.90 |
1 |
|
| 158 |
192-0481 |
Ball bearing |
$9.74 |
2 |
|
| 159 |
292-8682 |
Ring (yellow) |
$4.62 |
1 |
|
| 160 |
192-0445 |
Screw M5 x 25mm pan head tap |
$2.33 |
4 |
|
| 161 |
192-3469 |
Clutch plate |
$13.75 |
2 |
|
| 162 |
292-0138 |
Brush base plate |
$412.28 |
1 |
|
|
|
Scrub Deck Assembly - After V5 - 4135541 - 192-0818 |
|
| RefNbr |
Part Number |
Description |
Price |
Req |
Notes |
| 000 |
292-1041 |
Brush drive assembly |
$3,036.07 |
1 |
(includes101-121) |
| 101 |
192-9265 |
Tension spring |
$2.33 |
2 |
|
| 102 |
292-9314 |
T-nipple |
$5.71 |
1 |
|
| 103 |
292-1042 |
Support |
$11.39 |
1 |
|
| 104 |
192-9264 |
Decoupling bow |
$68.83 |
1 |
|
| 105 |
192-9262 |
Screw M8 x 65mm socket head |
$2.33 |
1 |
|
| 106 |
192-0364 |
Screw M8 x 12mm socket head |
$2.40 |
3 |
|
| 107 |
192-0086 |
Snap ring |
$2.33 |
2 |
|
| 109 |
192-1872 |
Grease |
$10.90 |
3 |
|
| 110 |
192-0400 |
Wire reinforced hose (sold by the inch) |
$0.90 |
11 in |
|
| 111a |
192-0404 |
Wire reinforced hose (sold by the inch) |
$0.90 |
7 in |
|
| 111b |
192-0404 |
Wire reinforced hose (sold by the inch) |
$0.90 |
7 in |
|
| 112 |
192-9396 |
Bracket |
$8.04 |
1 |
|
| 113 |
192-9269 |
Bracket |
$10.96 |
1 |
|
| 114 |
192-2826 |
Clamp |
$6.99 |
1 |
|
| 115 |
192-0347 |
Nut M8 hex |
$2.33 |
1 |
|
| 116 |
192-0348 |
Screw M8 x 12mm truss head |
$2.33 |
14 |
|
| 117 |
192-9266 |
Base plate cover |
$17.55 |
1 |
|
| 118 |
192-0102 |
7 3/4 inch cable tie |
$2.33 |
2 |
|
| 119 |
292-0345 |
Brush housing |
$266.04 |
1 |
|
| 120 |
192-9260 |
Bracket |
$241.14 |
1 |
|
| 121 |
192-9270 |
Axle |
$12.70 |
1 |
|
| 122 |
192-7525 |
Wire sleeve |
$5.31 |
2 |
|
| 123 |
192-0712 |
Coil with toric core |
$6.48 |
1 |
|
| 124 |
192-0590 |
Pulley axle |
$12.12 |
2 |
|
| 125 |
192-0364 |
Screw M8 x 12mm socket head |
$2.40 |
6 |
|
| 126 |
192-5471 |
Paste silicone 100 gr (OBSOLETE) |
$147.47 |
1 |
|
| 127 |
192-0503 |
Retaining ring |
$2.33 |
2 |
|
| 128 |
292-0137 |
Pulley |
$41.79 |
1 |
|
| 129 |
192-9388 |
Pulley |
$8.58 |
1 |
|
| 130 |
192-9261 |
Poly v belt |
$59.51 |
1 |
|
| 131 |
192-9258 |
Poly v belt |
$29.37 |
1 |
|
| 132 |
192-9434 |
13 inch pad driver |
$170.94 |
2 |
(includes 154-156) |
| 133 |
192-5358 |
O-ring |
$5.55 |
1 |
|
| 134 |
192-5078 |
24V brush motor with noise suppression |
$314.43 |
1 |
|
| 135 |
292-0068 |
Pulley kit (includes bearings and clips) |
$115.34 |
1 |
(includes 148-153) |
| 136 |
192-1285 |
Screw M6 x 25mm hex head |
$2.33 |
3 |
|
| 137 |
999-0507 |
Bolt M6-1 x 16mm hex head full thread plain finish |
$0.90 |
3 |
|
| 138 |
192-0800 |
Nut M12 left hand thread hex |
$4.20 |
1 |
|
| 139 |
192-6320 |
Sealing ring |
$2.33 |
2 |
|
| 140 |
192-6321 |
Sealing ring |
$3.57 |
2 |
|
| 141 |
192-5814 |
Pulley with bearings (bearings not available separate) |
$30.07 |
1 |
|
| 142 |
192-2728 |
Flanged bushing |
$5.13 |
2 |
|
| 143 |
192-9395 |
Hose nipple |
$2.33 |
2 |
|
| 144 |
292-1043 |
Bushing |
$0.00 |
1 |
|
| 145 |
192-3032 |
Drive hub |
$15.27 |
2 |
|
| 146 |
192-8633 |
Stud |
$7.11 |
3 |
|
| 147 |
292-8528 |
.5ml capsule loctite medium strength thread lock (red) |
$50.00 |
1 |
|
| 148 |
192-0482 |
Spacer |
$2.33 |
1 |
|
| 149 |
192-0483 |
Retaining ring |
$2.33 |
1 |
|
| 150 |
192-0485 |
Retaining ring |
$4.85 |
1 |
|
| 151 |
192-4607 |
Intermediate pulley |
$18.53 |
1 |
|
| 152 |
192-0484 |
Flanged bearing |
$36.90 |
1 |
|
| 153 |
192-0481 |
Ball bearing |
$9.74 |
2 |
|
| 154 |
292-8682 |
Ring (yellow) |
$4.62 |
1 |
|
| 155 |
192-0445 |
Screw M5 x 25mm pan head tap |
$2.33 |
4 |
|
| 156 |
192-3013 |
Brush coupling |
$12.59 |
1 |
|
| 157 |
292-8528 |
.5ml capsule loctite medium strength thread lock (red) |
$50.00 |
1 |
|
| N/S |
192-4543 |
Axle idler kit |
$46.11 |
1 |
|
|
|
Guiding Castor Assembly - 192-0819 |
|
| RefNbr |
Part Number |
Description |
Price |
Req |
Notes |
| 101 |
192-7424 |
Washer 8.4/20 |
$2.33 |
2 |
(1650R) |
| 102 |
192-1289 |
Screw M8 x 35mm socket head cap |
$4.31 |
1 |
(1650R) |
| 103 |
192-0078 |
Screw M8 x 16mm socket head |
$2.33 |
1 |
|
| 104 |
192-0364 |
Screw M8 x 12mm socket head |
$2.40 |
2 |
|
| 105 |
292-0135 |
Wheel |
$37.06 |
1 |
|
| 106 |
292-1038 |
Holder |
$0.00 |
1 |
(1650R) |
| 107 |
292-0134 |
Bracket |
$49.88 |
1 |
|
| 108a |
292-1039 |
Flanged bushing |
$8.62 |
2 |
(1650R) (before V6) |
| 108b |
292-1044 |
Bearing bushing |
$0.00 |
2 |
(1650R) (after V5) |
| 109 |
292-0136 |
Flanged bushing |
$13.36 |
1 |
|
| 110 |
192-9803 |
Bushing |
$2.40 |
1 |
(1650R) |
| 111 |
292-1040 |
Wheel |
$0.00 |
1 |
(1650R) |
|
|
Scrub Deck Assembly - After V5 - 4135562 - 192-0820 |
|
| RefNbr |
Part Number |
Description |
Price |
Req |
Notes |
| 000 |
292-1045 |
Brush drive assembly |
$0.00 |
1 |
(includes 101-128) |
| 101 |
192-9265 |
Tension spring |
$2.33 |
2 |
|
| 102 |
292-0153 |
Lever |
$98.02 |
1 |
|
| 103 |
292-9314 |
T-nipple |
$5.71 |
1 |
|
| 104 |
192-9262 |
Screw M8 x 65mm socket head |
$2.33 |
1 |
|
| 105 |
192-0278 |
Screw M8 x 25mm socket head |
$2.68 |
1 |
|
| 106 |
192-0078 |
Screw M8 x 16mm socket head |
$2.33 |
1 |
|
| 107 |
192-0364 |
Screw M8 x 12mm socket head |
$2.40 |
6 |
|
| 108 |
292-0135 |
Wheel |
$37.06 |
1 |
|
| 109 |
192-0086 |
Snap ring |
$2.33 |
2 |
|
| 111 |
292-0156 |
Pressure spring |
$12.54 |
1 |
|
| 112 |
292-0142 |
Plate |
$121.52 |
1 |
|
| 113 |
192-1872 |
Grease |
$10.90 |
3 |
|
| 114a |
192-0404 |
Wire reinforced hose (sold by the inch) |
$0.90 |
11 in |
|
| 114b |
192-0404 |
Wire reinforced hose (sold by the inch) |
$0.90 |
16 in |
|
| 114c |
192-0404 |
Wire reinforced hose (sold by the inch) |
$0.90 |
16 in |
|
| 115 |
192-9396 |
Bracket |
$8.04 |
1 |
|
| 116 |
192-9819 |
Plate bracket |
$11.81 |
1 |
|
| 117 |
292-0020 |
Screw M8 x 80mm hex head |
$4.08 |
1 |
|
| 118 |
192-0347 |
Nut M8 hex |
$2.33 |
2 |
|
| 119 |
192-0348 |
Screw M8 x 12mm truss head |
$2.33 |
16 |
|
| 120 |
292-0136 |
Flanged bushing |
$13.36 |
1 |
|
| 121 |
192-0602 |
Bushing |
$9.86 |
1 |
|
| 122 |
192-9821 |
Bolt |
$9.39 |
1 |
|
| 123 |
292-0157 |
Bolt |
$13.17 |
1 |
|
| 124 |
192-8983 |
Pedal pad |
$6.64 |
1 |
|
| 125 |
292-0141 |
Cover |
$28.67 |
1 |
|
| 126 |
192-0102 |
7 3/4 inch cable tie |
$2.33 |
4 |
|
| 127 |
292-5105 |
Brush housing |
$476.15 |
1 |
|
| 128 |
292-0138 |
Brush base plate |
$412.28 |
1 |
|
| 129 |
192-7525 |
Wire sleeve |
$5.31 |
2 |
|
| 130 |
192-0200 |
Washer M6 |
$2.98 |
3 |
|
| 131 |
192-0712 |
Coil with toric core |
$6.48 |
1 |
|
| 132 |
192-0590 |
Pulley axle |
$12.12 |
2 |
|
| 133 |
192-0364 |
Screw M8 x 12mm socket head |
$2.40 |
8 |
|
| 134 |
292-0014 |
Guide wheel |
$48.37 |
1 |
|
| 135 |
292-0015 |
Guide wheel |
$48.02 |
1 |
|
| 136 |
192-0503 |
Retaining ring |
$2.33 |
2 |
|
| 137 |
192-5815 |
Pulley |
$9.51 |
1 |
|
| 138 |
292-0139 |
Poly v-belt |
$75.01 |
1 |
|
| 139 |
192-5626 |
Poly v-belt |
$20.63 |
1 |
|
| 140 |
292-5109 |
17 inch pad driver |
$224.22 |
2 |
(includes 160-162) |
| 141 |
192-5078 |
24V brush motor with noise suppression |
$314.43 |
1 |
|
| 142 |
292-0068 |
Pulley kit (includes bearings and clips) |
$115.34 |
1 |
(includes 154-159) |
| 143 |
192-1285 |
Screw M6 x 25mm hex head |
$2.33 |
3 |
|
| 144 |
999-0507 |
Bolt M6-1 x 16mm hex head full thread plain finish |
$0.90 |
3 |
|
| 145 |
192-0800 |
Nut M12 left hand thread hex |
$4.20 |
1 |
|
| 146 |
192-6320 |
Sealing ring |
$2.33 |
2 |
|
| 147 |
292-0140 |
Pulley |
$73.89 |
2 |
|
| 148 |
192-2728 |
Flanged bushing |
$5.13 |
2 |
|
| 149 |
292-9313 |
Bushing |
$0.00 |
2 |
|
| 150 |
192-3032 |
Drive hub |
$15.27 |
2 |
|
| 151 |
192-8633 |
Stud |
$7.11 |
3 |
|
| 152 |
192-1677 |
Angled nipple |
$2.33 |
2 |
|
| 153 |
292-8528 |
.5ml capsule loctite medium strength thread lock (red) |
$50.00 |
1 |
|
| 154 |
192-0482 |
Spacer |
$2.33 |
1 |
|
| 155 |
192-0483 |
Retaining ring |
$2.33 |
1 |
|
| 156 |
192-0485 |
Retaining ring |
$4.85 |
1 |
|
| 157 |
192-4607 |
Intermediate pulley |
$18.53 |
1 |
|
| 158 |
192-0484 |
Flanged bearing |
$36.90 |
1 |
|
| 159 |
192-0481 |
Ball bearing |
$9.74 |
2 |
|
| 160 |
292-8682 |
Ring (yellow) |
$4.62 |
1 |
|
| 161 |
192-0445 |
Screw M5 x 25mm pan head tap |
$2.33 |
4 |
|
| 162 |
192-3469 |
Clutch plate |
$13.75 |
2 |
|
| 163 |
292-0138 |
Brush base plate |
$412.28 |
1 |
|
| N/S |
192-6321 |
Sealing ring |
$3.57 |
2 |
|
|
|
Solution Assembly - V5 - 192-0821 |
|
| RefNbr |
Part Number |
Description |
Price |
Req |
Notes |
| 101 |
192-7548 |
Y-pipe |
$5.43 |
1 |
|
| 102 |
192-0894 |
T-nipple |
$4.78 |
1 |
|
| 103 |
192-7109 |
T-nipple |
$3.85 |
2 |
|
| 104 |
192-1595 |
Screw M40 x 16mm torx head |
$2.33 |
2 |
|
| 105 |
192-5845 |
24V pump |
$150.30 |
2 |
|
| 106 |
192-9276 |
Solenoid and filter assembly |
$261.96 |
1 |
(includes 114) |
| 107 |
192-0400 |
Wire reinforced hose (sold by the inch) |
$0.90 |
26 in |
|
| 108a |
192-0404 |
Wire reinforced hose (sold by the inch) |
$0.90 |
16 in |
|
| 108b |
192-0404 |
Wire reinforced hose (sold by the inch) |
$0.90 |
12 in |
|
| 108c |
192-0404 |
Wire reinforced hose (sold by the inch) |
$0.90 |
12 in |
|
| 108d |
192-0404 |
Wire reinforced hose (sold by the inch) |
$0.90 |
7 in |
|
| 108e |
192-0404 |
Wire reinforced hose (sold by the inch) |
$0.90 |
8 in |
|
| 108f |
192-0404 |
Wire reinforced hose (sold by the inch) |
$0.90 |
3 in |
|
| 109 |
192-0334 |
Hose clamp |
$2.33 |
7 |
|
| 110 |
192-4461 |
Tygon hose (sold by the inch) |
$3.68 |
3 in |
|
| 111 |
192-4344 |
Hose (sold by the inch) |
$3.26 |
55 in |
|
| 112 |
192-1601 |
Check valve |
$26.18 |
1 |
|
| 113 |
192-0102 |
7 3/4 inch cable tie |
$2.33 |
11 |
|
| 114 |
292-0082 |
Filter kit |
$10.61 |
1 |
|
|
|
Solution Assembly - After V5 - 192-0822 |
|
| RefNbr |
Part Number |
Description |
Price |
Req |
Notes |
| 101 |
192-0325 |
Washer |
$2.33 |
4 |
|
| 102 |
292-5581 |
Pipe (OBSOLETE) |
$0.00 |
28 in |
|
| 103 |
192-0894 |
T-nipple |
$4.78 |
2 |
|
| 104 |
192-1595 |
Screw M40 x 16mm torx head |
$2.33 |
2 |
|
| 105 |
192-9824 |
Connector |
$14.12 |
1 |
|
| 106 |
292-9269 |
24V pump |
$277.02 |
1 |
|
| 107 |
192-9276 |
Solenoid and filter assembly |
$261.96 |
1 |
(includes 115) |
| 108a |
192-0400 |
Wire reinforced hose (sold by the inch) |
$0.90 |
12 in |
|
| 108b |
192-0400 |
Wire reinforced hose (sold by the inch) |
$0.90 |
13 in |
|
| 108c |
192-0400 |
Wire reinforced hose (sold by the inch) |
$0.90 |
3 in |
|
| 108d |
192-0400 |
Wire reinforced hose (sold by the inch) |
$0.90 |
27 in |
|
| 109 |
192-0334 |
Hose clamp |
$2.33 |
7 |
|
| 110a |
192-5331 |
Nut M6 |
$9.67 |
2 in |
|
| 110b |
192-4344 |
Hose (sold by the inch) |
$3.26 |
36 in |
|
| 110c |
192-4344 |
Hose (sold by the inch) |
$3.26 |
55 in |
|
| 111 |
192-0920 |
Screw M4 x 16 hex |
$2.33 |
4 |
|
| 112 |
192-1601 |
Check valve |
$26.18 |
2 |
|
| 113 |
192-0102 |
7 3/4 inch cable tie |
$2.33 |
11 |
|
| 114 |
292-8528 |
.5ml capsule loctite medium strength thread lock (red) |
$50.00 |
1 |
|
| 115 |
192-9276 |
Solenoid and filter assembly |
$261.96 |
1 |
|
|
|
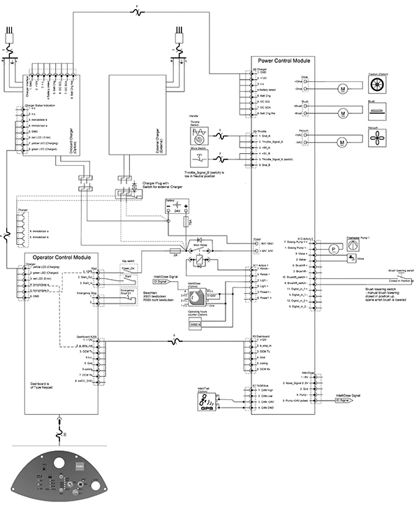
Wiring Diagram - After V5 - 192-0823 |
|
| RefNbr |
Part Number |
Description |
Price |
Req |
Notes |
|
292-1046 |
Wire harness |
$0.00 |
1 |
|
|
292-1047 |
Wire harness |
$0.00 |
1 |
|
|
292-1048 |
Wire harness |
$0.00 |
1 |
|
|
292-1049 |
Wire harness |
$0.00 |
1 |
|
|
292-1050 |
Wire harness |
$0.00 |
1 |
|
|
292-1051 |
Wire harness |
$0.00 |
1 |
|
|
292-1052 |
Wire harness |
$0.00 |
1 |
|
|
292-1053 |
Wire harness |
$0.00 |
1 |
|
|
292-1054 |
Wire harness |
$0.00 |
1 |
|
|
292-0848 |
25mm 4AWG wire (red) |
$21.53 |
1 |
|
|
192-1174 |
2amp fuse clip |
$5.55 |
1 |
|
|
192-9549 |
Cable (dashboard to charger) |
$29.95 |
2 |
|
|
|
- Batteries, Brushes and Charger - Machines Sold Before 2016 - |
|
| RefNbr |
Part Number |
Description |
Price |
Req |
Notes |
|
|
- Know Your Machine - |
|
| RefNbr |
Part Number |
Description |
Price |
Req |
Notes |
|
|
Squeegee Assembly - 4132398 - After V4 - 192-7109 |
|
| RefNbr |
Part Number |
Description |
Price |
Req |
Notes |
| 000 |
292-8573 |
Squeegee assembly |
$943.17 |
1 |
(includes 101-131) |
| 101 |
292-8541 |
Squeegee weldment |
$230.77 |
1 |
|
| 102 |
292-0004 |
Star knob |
$4.03 |
4 |
|
| 103 |
292-8542 |
Holder |
$29.49 |
1 |
|
| 104 |
292-8543 |
Holder |
$33.68 |
1 |
|
| 105 |
292-8544 |
Holder |
$33.68 |
1 |
|
| 106 |
292-8545 |
Holder |
$29.49 |
1 |
|
| 107 |
292-0005 |
Screw M10 hex head |
$22.45 |
4 |
|
| 108 |
292-8546 |
Squeegee blade front |
$157.30 |
1 |
|
| 109a |
292-8547 |
Squeegee blade 43 inch rear |
$165.62 |
1 |
|
| 109b |
292-1031 |
Squeegee blade rear |
$91.46 |
1 |
(option) (1650/1850 after V5) |
| 110 |
292-0507 |
Squeegee blade for tile floors |
$168.41 |
1 |
(option) |
| 111 |
192-1571 |
Screw M50 x 16mm |
$2.33 |
2 |
|
| 112 |
292-8548 |
Caster wheel |
$41.61 |
3 |
|
| 113 |
192-9802 |
Wheel |
$26.88 |
2 |
|
| 114 |
192-0364 |
Screw M8 x 12mm socket head |
$2.40 |
2 |
|
| 115 |
192-6339 |
Nut M10 self locking |
$2.33 |
3 |
|
| 116 |
292-8549 |
Hook |
$3.96 |
2 |
|
| 117 |
192-0496 |
Washer M10 |
$2.33 |
3 |
|
| 118 |
292-8550 |
Locking bolt |
$11.72 |
3 |
|
| 119 |
999-0471 |
Nut M8-1.25 nylon insert lock zinc plated |
$0.90 |
4 |
|
| 120 |
192-8744 |
Wheel |
$30.14 |
2 |
|
| 121 |
192-0075 |
Retaining ring |
$5.55 |
4 |
|
| 122 |
192-9212 |
Screw M8 x 40/22mm hex |
$4.15 |
4 |
|
| 123 |
292-0002 |
Wire spring |
$15.50 |
1 |
|
| 124 |
192-9360 |
Screw M6 x 16mm self tapping |
$2.80 |
3 |
|
| 125 |
192-9803 |
Bushing |
$2.40 |
4 |
(1650/1650R) |
| 126 |
292-0003 |
Flat spring |
$11.72 |
1 |
|
| 127a |
192-0105 |
Washer M8 |
$2.33 |
4 |
(1650/1650R before V6) |
| 127b |
192-7424 |
Washer 8.4/20 |
$2.33 |
4 |
(1650/1850 after V5) |
| 128 |
292-0126 |
Holder bar |
$2.45 |
1 |
|
| 129 |
192-1872 |
Grease |
$10.90 |
1 |
|
| 130 |
192-6490 |
Screw M8 x 100mm socket head |
$2.33 |
1 |
(1650R) (before V6) |
| 131 |
192-7425 |
Washer |
$4.27 |
2 |
(1650R) (before V6) |
|
|
Upper Assembly - 192-8003 |
|
| RefNbr |
Part Number |
Description |
Price |
Req |
Notes |
| 101a |
292-8095 |
24V 16amp vacuum motor |
$195.00 |
1 |
(after V5) |
| 101b |
192-0770 |
24V 2 stage vacuum motor |
$289.80 |
1 |
(before V6) |
| 102 |
192-0732 |
Ferrite bushing |
$2.87 |
1 |
|
| 103 |
192-8945 |
Tank hood |
$335.10 |
1 |
|
| 104 |
192-8943 |
Base plate |
$182.98 |
1 |
(includes 129) |
| 105 |
192-8729 |
Actuator stop button |
$153.15 |
1 |
|
| 106 |
192-8942 |
Protection shield |
$7.11 |
1 |
|
| 107 |
192-6310 |
Seal strip (sold by the inch) |
$0.90 |
73 in |
(after V4) |
| 108 |
192-1573 |
Gasket |
$2.33 |
2 |
|
| 109 |
192-6334 |
Sealing profile (sold by the inch) |
$0.90 |
91 in |
|
| 110 |
192-1557 |
Screw 60 x 35 torx head |
$2.33 |
6 |
|
| 111 |
192-1561 |
Screw 60 x 20 torx head |
$2.33 |
6 |
|
| 112 |
192-9147 |
Screw 50 x 20 |
$3.61 |
5 |
|
| 113 |
192-1571 |
Screw M50 x 16mm |
$2.33 |
4 |
|
| 114 |
192-1559 |
Retaining rivet |
$4.31 |
4 |
|
| 115 |
192-1570 |
Protection plate |
$16.43 |
1 |
|
| 116 |
192-1562 |
Guide ring |
$7.06 |
1 |
|
| 117 |
192-8946 |
Locking lever |
$21.21 |
1 |
|
| 118 |
192-4662 |
Key ring |
$4.50 |
1 |
(after V4) |
| 119 |
292-5254 |
Steel key |
$3.61 |
1 |
(after V4) |
| 120 |
192-1569 |
Sealing ring |
$6.48 |
1 |
|
| 121 |
192-1490 |
Float |
$29.95 |
1 |
|
| 122 |
192-3617 |
Filter |
$6.60 |
1 |
|
| 123a |
292-9850 |
Control board |
$436.19 |
1 |
(includes 130-133) (after V5) |
| 123b |
192-8999 |
Dashboard |
$380.21 |
1 |
(includes 144) (before V6) |
| 124 |
192-0260 |
2-way connection block |
$2.68 |
1 |
|
| 125 |
192-2501 |
P clamp |
$4.38 |
1 |
|
| 126 |
192-8948 |
Bushing |
$2.33 |
1 |
|
| 127 |
192-1575 |
Buffer |
$2.33 |
2 |
|
| 128 |
192-8947 |
Support bar |
$7.23 |
1 |
|
| 129 |
192-8753 |
Flange bolt |
$2.33 |
2 |
|
| 130 |
192-0677 |
Washer M3 |
$2.33 |
2 |
(after V5) |
| 131 |
192-6283 |
Screw for plastic KA 30 x 8 |
$2.33 |
6 |
(after V5) |
| 132 |
192-8721 |
Microswitch |
$11.49 |
2 |
|
| 133 |
292-8535 |
Key switch assembly |
$44.13 |
1 |
(after V5) |
| 134 |
192-0033 |
24V hour meter |
$78.16 |
1 |
(option) |
| 135 |
192-9486 |
Wiring harness |
$6.95 |
1 |
(option) |
| 136a |
292-1030 |
Wire harness |
$17.60 |
1 |
(after V5) |
| 136b |
192-8892 |
6-way ribbon cable |
$9.74 |
1 |
(before V6) |
| 137 |
192-1561 |
Screw 60 x 20 torx head |
$2.33 |
3 |
|
| 138 |
192-1595 |
Screw M40 x 16mm torx head |
$2.33 |
7 |
|
| 139 |
192-5014 |
Mechanic hall sensor assembly |
$242.96 |
1 |
(includes 144-149) |
| 140 |
192-1587 |
Handle |
$88.76 |
1 |
|
| 141 |
192-8944 |
Cover |
$2.40 |
1 |
(option) |
| 142 |
192-3548 |
False cover |
$3.92 |
1 |
|
| 143 |
192-8941 |
Handle cover |
$20.40 |
1 |
|
| 144 |
192-1585 |
Pressure spring |
$5.13 |
2 |
|
| 145 |
192-8721 |
Microswitch |
$11.49 |
1 |
|
| 146 |
192-1584 |
Grid lever |
$2.33 |
2 |
|
| 147 |
192-6954 |
Switch lever |
$3.22 |
2 |
|
| 148 |
192-1582 |
Bolt |
$2.33 |
2 |
|
| 149 |
192-1977 |
Bellows |
$8.69 |
2 |
|
| 150 |
292-5708 |
Key switch |
$21.33 |
1 |
(includes 151-155) (before V6) |
| 151 |
192-0149 |
Washer |
$2.33 |
1 |
(V5) |
| 152 |
192-7068 |
Tension spring |
$2.33 |
1 |
(V5) |
| 153 |
192-8584 |
Screw 40 x 8 |
$2.33 |
1 |
|
| 154 |
292-5254 |
Steel key |
$3.61 |
1 |
(after V4) |
| 155 |
292-5255 |
Switch cover |
$2.33 |
1 |
(V5) |
| N/S |
192-0771 |
Carbon brush plastic (black) (clip in) |
$8.35 |
1 |
(before V6) (ametek) |
| N/S |
192-6309 |
Sealing strip (sold by the inch) |
$0.90 |
73 in |
(before V5) |
| N/S |
192-2658 |
Carbon brush plastic (red) (screw in) |
$72.73 |
2 |
(EMB) (before V5) |
| N/S |
192-0973 |
3 1/4 inch cable tie |
$2.33 |
1 |
(before V5) |
|
|
Squeegee Lowering Mechanism Assembly - 192-8004 |
|
| RefNbr |
Part Number |
Description |
Price |
Req |
Notes |
| 101 |
192-0153 |
Screw M8 x 20mm hex head |
$2.33 |
8 |
|
| 102 |
192-8991 |
Squeegee suction hose (Swingo 1650) |
$22.80 |
2 |
(1650) |
| 103 |
192-9331 |
Squeegee suction hose (Swingo 1850) |
$26.06 |
2 |
(1850) |
| 104 |
292-0347 |
Angle bracket |
$20.82 |
1 |
|
| 105 |
292-0348 |
Angle bracket |
$21.98 |
1 |
|
| 106 |
192-1125 |
Stop buffer |
$4.62 |
2 |
|
| 107 |
192-4211 |
Nut M8 hex |
$2.33 |
2 |
|
| 108 |
292-8677 |
Squeegee Mechanism Complete |
$488.02 |
1 |
(includes 109-129) (after V4) |
| 109 |
192-8980 |
Slide bearing |
$133.33 |
1 |
|
| 110 |
192-8981 |
Bracket |
$23.66 |
1 |
|
| 111 |
192-1455 |
Screw M10 x 16mm hex head |
$4.03 |
3 |
|
| 112 |
292-0123 |
Squeegee bracket |
$96.34 |
1 |
|
| 113 |
192-9351 |
Grommet |
$2.33 |
2 |
|
| 114 |
192-8985 |
Axle |
$12.12 |
1 |
|
| 115 |
192-2776 |
Snap ring |
$2.33 |
2 |
|
| 116 |
192-8897 |
Spring plate |
$28.09 |
2 |
|
| 117 |
192-8990 |
Axle |
$7.30 |
2 |
|
| 118 |
192-0086 |
Snap ring |
$2.33 |
4 |
|
| 119 |
192-8989 |
Pressure spring |
$3.61 |
1 |
|
| 120 |
192-9355 |
Screw M6 x 40mm hex head |
$3.85 |
1 |
|
| 121 |
192-0151 |
Nut M6 hex |
$2.33 |
1 |
|
| 122 |
192-8983 |
Pedal pad |
$6.64 |
2 |
|
| 123 |
192-8984 |
Y-pipe |
$7.88 |
1 |
|
| 124 |
192-9147 |
Screw 50 x 20 |
$3.61 |
2 |
|
| 125 |
292-0124 |
Adapter |
$20.16 |
1 |
|
| 126 |
999-0507 |
Bolt M6-1 x 16mm hex head full thread plain finish |
$0.90 |
4 |
|
| 127 |
192-0563 |
Nut M6 self-locking |
$2.33 |
4 |
|
| 128 |
292-5101 |
Steel protector |
$14.29 |
1 |
|
| 129 |
192-1872 |
Grease |
$10.90 |
1 |
|
| N/S |
999-0517 |
Bolt M8-1.25 x 16mm hex head full thread zinc |
$0.90 |
4 |
(before V5) |
|
|
Squeegee Assembly - 4127410 - Before SN 7518692 - Before V5 - 192-8005 |
|
| RefNbr |
Part Number |
Description |
Price |
Req |
Notes |
| 101 |
192-9272 |
Squeegee assembly |
$661.23 |
1 |
(includes 102-130) |
| 102 |
192-9212 |
Screw M8 x 40/22mm hex |
$4.15 |
2 |
|
| 103 |
192-8744 |
Wheel |
$30.14 |
2 |
|
| 104 |
192-0105 |
Washer M8 |
$2.33 |
2 |
|
| 105 |
192-8745 |
Squeegee weldment |
$265.83 |
1 |
|
| 107 |
192-9214 |
Click spring |
$15.50 |
1 |
|
| 108 |
192-8746 |
Wheel 2.5 x 1 inch |
$11.72 |
3 |
|
| 109a |
192-9215 |
Axle |
$18.14 |
3 |
|
| 109b |
292-8609 |
Bolt M8 x 10mm |
$7.23 |
3 |
(option) |
| 110a |
192-8747 |
Squeegee blade 39 inch front (clear) |
$60.91 |
1 |
|
| 110b |
192-9403 |
Squeegee blade 39 inch front |
$112.94 |
1 |
(option) |
| 110c |
192-9404 |
Squeegee blade 39 inch front |
$88.58 |
1 |
(option) |
| 110d |
292-0749 |
Squeegee blade 39 inch front |
$112.47 |
1 |
(option) |
| 111 |
192-9273 |
Squeegee blade 42 inch rear (clear) |
$92.42 |
1 |
|
| 112 |
192-9216 |
Pressure spring |
$2.33 |
4 |
|
| 113 |
192-9274 |
Left hand squeegee blade retainer |
$59.63 |
1 |
|
| 114 |
192-9275 |
Right hand squeegee blade retainer |
$59.63 |
1 |
|
| 115 |
192-9360 |
Screw M6 x 16mm self tapping |
$2.80 |
9 |
|
| 116 |
192-9220 |
Screw M8 x 35 socket head cap |
$2.33 |
4 |
|
| 117 |
192-7444 |
Wear resistant spray fin super |
$166.92 |
1 |
|
| 118 |
192-0216 |
Washer |
$2.33 |
7 |
|
| 119 |
192-9803 |
Bushing |
$2.40 |
2 |
|
| 120 |
292-0126 |
Holder bar |
$2.45 |
1 |
|
| 121 |
192-6490 |
Screw M8 x 100mm socket head |
$2.33 |
1 |
(after SN 7518691) |
| 122 |
192-0105 |
Washer M8 |
$2.33 |
2 |
(after SN 7518691) |
| 123 |
192-9803 |
Bushing |
$2.40 |
3 |
(after SN 7518691) |
| 124 |
192-7425 |
Washer |
$4.27 |
2 |
(after SN 7518691) |
| 125 |
192-8744 |
Wheel |
$30.14 |
3 |
(after SN 7518691) |
| 126 |
292-0546 |
Washer |
$2.33 |
6 |
|
| 130 |
292-5414 |
Spring shackle |
$19.18 |
1 |
(option) |
|
|
Chassis and Tank Assembly - 192-8006 |
|
| RefNbr |
Part Number |
Description |
Price |
Req |
Notes |
| 101 |
192-9361 |
Tank assembly |
$1,145.41 |
1 |
(includes 102a) |
| 102a |
192-9278 |
Decorative decal |
$54.66 |
1 |
(1650) |
| 102b |
292-0006 |
Decorative decal |
$56.99 |
1 |
(1850) |
| 103 |
192-1504 |
Spacer |
$2.33 |
4 |
|
| 104 |
192-1505 |
Retaining ring |
$3.68 |
4 |
|
| 105 |
192-9279 |
Axle |
$48.25 |
1 |
|
| 106 |
192-9280 |
Flanged bearing |
$9.16 |
2 |
|
| 107 |
192-0902 |
Snap ring |
$2.33 |
2 |
|
| 108 |
192-9281 |
Axle |
$39.35 |
1 |
|
| 110 |
192-1509 |
Screw 60 x 25 torx head |
$4.15 |
2 |
|
| 111 |
192-9282 |
Bracket |
$2.33 |
1 |
|
| 112 |
192-1561 |
Screw 60 x 20 torx head |
$2.33 |
4 |
|
| 113 |
192-9283 |
Pressure spring |
$2.80 |
1 |
|
| 114 |
192-9284 |
Suspension axle |
$24.36 |
1 |
|
| 115 |
192-1511 |
Basket filter |
$10.61 |
1 |
|
| 116 |
192-1513 |
Locking plate |
$3.33 |
1 |
|
| 117 |
192-9285 |
Dosing cup |
$18.07 |
1 |
|
| 118a |
292-0096 |
Cord |
$2.33 |
1 |
(after V3) |
| 118b |
192-0714 |
Cord (sold by the inch) |
$2.33 |
12 in |
(before V4) |
| 119a |
292-5287 |
24V 25amp onboard battery charger |
$906.46 |
1 |
(before V5) |
| 119b |
292-5592 |
24V 25amp charger |
$819.25 |
1 |
(before V5) |
| 120 |
192-9286 |
Diode |
$5.24 |
1 |
(before V5) |
| 121 |
192-5931 |
Screw M6 x 12mm truss head phillips |
$2.33 |
2 |
(before V5) |
| 122 |
192-9202 |
Relay |
$95.22 |
1 |
(before V5) |
| 123 |
192-9287 |
Electronic control board |
$925.76 |
1 |
(before V5) |
| 124 |
192-9288 |
Screw M5 x 35mm self threading |
$2.33 |
4 |
(before V5) |
| 125 |
192-9289 |
Grommet |
$10.49 |
1 |
(before V5) |
| 127 |
999-0517 |
Bolt M8-1.25 x 16mm hex head full thread zinc |
$0.90 |
1 |
(before V5) |
| 128 |
192-9291 |
Splash guard |
$5.59 |
1 |
(before V5) |
| 130 |
192-5845 |
24V pump |
$150.30 |
2 |
(before V5) |
| 131 |
192-9292 |
Plastic weldment |
$18.88 |
1 |
(before V5) |
| 132 |
192-0563 |
Nut M6 self-locking |
$2.33 |
2 |
(before V5) |
| 133 |
192-0101 |
Screw M5 x 12mm self tapping form |
$2.33 |
2 |
(before V5) |
| 134 |
192-9293 |
Angle bracket |
$10.09 |
1 |
(before V5) |
| 136 |
192-9294 |
Chassis |
$482.14 |
1 |
(before V5) |
| 139 |
292-5568 |
Connection block |
$8.58 |
1 |
(before V5) |
| 140 |
292-1034 |
Complete castor |
$384.55 |
1 |
(before V5) |
| 141 |
292-0008 |
Spacer |
$29.72 |
1 |
(before V5) |
| 142 |
292-5363 |
Plate |
$10.02 |
1 |
(before V5) |
| 143 |
192-4218 |
Screw M12 x 30mm hex head |
$2.33 |
1 |
(before V5) |
| 144 |
192-6380 |
Caster replacement wheel (brown) (pkg of 2) |
$127.74 |
1 |
(option) (before V5) |
| 145 |
292-0506 |
Wheel |
$35.08 |
2 |
(option) (before V5) |
| 150 |
292-0127 |
Plate |
$9.63 |
1 |
|
| 151 |
192-2979 |
Screw M6 x 16mm countersunk head cap |
$2.33 |
2 |
(before V5) |
| 152 |
192-9352 |
Screw M5 x 20mm counter head |
$4.27 |
2 |
|
| 153 |
292-0128 |
Disc |
$10.37 |
1 |
|
| 154 |
292-0129 |
O-ring |
$2.33 |
1 |
|
| 155 |
292-0130 |
Connector |
$94.29 |
1 |
|
| 156 |
192-6282 |
Screw KA 30 x 10 |
$3.38 |
2 |
|
| 157 |
292-0131 |
Plate |
$17.20 |
1 |
|
| 158 |
292-0132 |
Water stop |
$203.22 |
1 |
|
| 159 |
292-0133 |
Hose |
$116.27 |
1 |
|
| N/S |
292-5099 |
Recommended parts decal |
$2.33 |
1 |
(included with 101) (after V4) |
| N/S |
192-2981 |
Screw M6 x 20 head cap counters |
$3.73 |
1 |
(after V4) |
|
|
Drive Assembly - 192-8007 |
|
| RefNbr |
Part Number |
Description |
Price |
Req |
Notes |
| 101 |
999-0783 |
Screw M8-1.25 x 16mm hex head |
$0.90 |
2 |
|
| 102 |
192-3077 |
Disk |
$3.85 |
2 |
|
| 103a |
192-4998 |
Wheel |
$139.00 |
2 |
(standard) (before V6) |
| 103b |
192-4998 |
Wheel |
$139.00 |
2 |
(standard) (after V5) |
| 104 |
192-4998 |
Wheel |
$139.00 |
2 |
(option) (before V6) |
| 105a |
192-8952 |
Transaxle |
$1,056.29 |
1 |
(before V6) |
| 105b |
292-1037 |
Drive unit complete |
$1,013.99 |
1 |
(after V5) |
| 106 |
192-8953 |
Square keyway |
$2.33 |
2 |
|
| 107 |
999-0517 |
Bolt M8-1.25 x 16mm hex head full thread zinc |
$0.90 |
8 |
|
| 108 |
192-1872 |
Grease |
$10.90 |
1 |
|
| 109 |
192-8951 |
Wheel (gray) |
$150.23 |
2 |
(option) |
| 111 |
192-8903 |
Pedal pad |
$2.33 |
1 |
|
| 112 |
192-0348 |
Screw M8 x 12mm truss head |
$2.33 |
2 |
|
| 113 |
192-8954 |
Bracket |
$9.79 |
1 |
|
| 114 |
192-0541 |
Switch |
$4.55 |
1 |
|
| 115 |
192-8955 |
Bushing |
$15.92 |
1 |
|
| 116 |
292-0086 |
Cradle |
$233.52 |
1 |
|
| 117 |
999-0507 |
Bolt M6-1 x 16mm hex head full thread plain finish |
$0.90 |
4 |
|
| 118 |
192-8957 |
Clevis pin |
$2.33 |
1 |
|
| 119 |
192-8958 |
O-ring |
$4.38 |
1 |
|
| 120 |
192-8959 |
Slide bearing |
$3.15 |
2 |
|
| 121 |
192-8960 |
Bushing |
$8.97 |
2 |
|
| 122 |
192-8956 |
Brush lever |
$66.20 |
1 |
|
| 123 |
999-0471 |
Nut M8-1.25 nylon insert lock zinc plated |
$0.90 |
2 |
|
| 124 |
192-0650 |
Serrated lock washer |
$2.33 |
1 |
|
| 125 |
192-4211 |
Nut M8 hex |
$2.33 |
1 |
|
| 126 |
192-1872 |
Grease |
$10.90 |
1 |
|
| 127 |
192-9399 |
Bumper |
$1,239.91 |
1 |
(includes 128-129) (option) (1655) |
| 128 |
192-1135 |
Nut M10 hex |
$2.33 |
2 |
(after V4) |
| 129 |
192-0468 |
Screw M10 x 20 hex |
$4.50 |
2 |
(after V4) |
| N/S |
192-9295 |
Bumper profile |
$4.51 |
1 |
(series 1-4) |
| N/S |
192-8588 |
Pop rivet |
$2.63 |
4 |
(series 1-4) |
|
|
Scrub Deck Assembly - Before V5 - 192-8008 |
|
| RefNbr |
Part Number |
Description |
Price |
Req |
Notes |
| 000 |
292-8553 |
Brush deck assembly (OBSOLETE) |
$1,894.70 |
1 |
(includes |
| 101 |
292-0134 |
Bracket |
$49.88 |
1 |
|
| 102 |
192-0509 |
Screw M8 x 12mm hex head |
$2.40 |
2 |
|
| 103 |
292-0135 |
Wheel |
$37.06 |
1 |
|
| 104 |
292-0136 |
Flanged bushing |
$13.36 |
1 |
|
| 105 |
192-0078 |
Screw M8 x 16mm socket head |
$2.33 |
1 |
|
| 106 |
292-0345 |
Brush housing |
$266.04 |
1 |
|
| 113 |
192-9258 |
Poly v belt |
$29.37 |
1 |
|
| 114 |
192-4607 |
Intermediate pulley |
$18.53 |
1 |
|
| 116 |
192-0483 |
Retaining ring |
$2.33 |
1 |
|
| 117 |
192-1285 |
Screw M6 x 25mm hex head |
$2.33 |
3 |
|
| 118 |
192-0484 |
Flanged bearing |
$36.90 |
1 |
|
| 120 |
192-9260 |
Bracket |
$241.14 |
1 |
|
| 121 |
192-9261 |
Poly v belt |
$59.51 |
1 |
|
| 122 |
192-0364 |
Screw M8 x 12mm socket head |
$2.40 |
9 |
|
| 123 |
192-0348 |
Screw M8 x 12mm truss head |
$2.33 |
12 |
|
| 124 |
192-5814 |
Pulley with bearings (bearings not available separate) |
$30.07 |
1 |
|
| 125 |
192-0590 |
Pulley axle |
$12.12 |
2 |
|
| 126 |
192-6320 |
Sealing ring |
$2.33 |
2 |
|
| 127 |
192-0503 |
Retaining ring |
$2.33 |
2 |
|
| 128 |
192-9262 |
Screw M8 x 65mm socket head |
$2.33 |
1 |
|
| 129 |
192-3032 |
Drive hub |
$15.27 |
2 |
|
| 130 |
192-0347 |
Nut M8 hex |
$2.33 |
1 |
|
| 131 |
192-2728 |
Flanged bushing |
$5.13 |
2 |
|
| 134 |
192-0481 |
Ball bearing |
$9.74 |
2 |
|
| 135 |
192-0485 |
Retaining ring |
$4.85 |
1 |
|
| 136 |
192-1677 |
Angled nipple |
$2.33 |
1 |
|
| 137 |
192-0482 |
Spacer |
$2.33 |
1 |
|
| 138 |
192-2826 |
Clamp |
$6.99 |
1 |
|
| 139 |
192-4543 |
Axle idler kit |
$46.11 |
1 |
|
| 140 |
192-6321 |
Sealing ring |
$3.57 |
2 |
|
| 141 |
192-0075 |
Retaining ring |
$5.55 |
1 |
|
| 142 |
192-9264 |
Decoupling bow |
$68.83 |
1 |
|
| 143 |
192-9265 |
Tension spring |
$2.33 |
2 |
|
| 144 |
192-9266 |
Base plate cover |
$17.55 |
1 |
|
| 145 |
192-9395 |
Hose nipple |
$2.33 |
1 |
|
| 146 |
192-5358 |
O-ring |
$5.55 |
1 |
|
| 147 |
192-9396 |
Bracket |
$8.04 |
1 |
|
| 148 |
192-9269 |
Bracket |
$10.96 |
1 |
|
| 149 |
192-9270 |
Axle |
$12.70 |
1 |
|
| 150 |
192-0086 |
Snap ring |
$2.33 |
2 |
|
| 151 |
192-0102 |
7 3/4 inch cable tie |
$2.33 |
2 |
|
| 152 |
292-0137 |
Pulley |
$41.79 |
1 |
|
| 153 |
292-0068 |
Pulley kit (includes bearings and clips) |
$115.34 |
2 |
(includes 114, 116, 118, 134-135, 137) |
| 160 |
192-1872 |
Grease |
$10.90 |
1 |
|
|
|
Solution Assembly - Before V5 - 192-8009 |
|
| RefNbr |
Part Number |
Description |
Price |
Req |
Notes |
| 101 |
192-0334 |
Hose clamp |
$2.33 |
7 |
|
| 102 |
192-0400 |
Wire reinforced hose (sold by the inch) |
$0.90 |
26 inch |
|
| 103 |
192-9276 |
Solenoid and filter assembly |
$261.96 |
1 |
(includes 104) |
| 104 |
292-0082 |
Filter kit |
$10.61 |
1 |
|
| 107 |
192-1595 |
Screw M40 x 16mm torx head |
$2.33 |
2 |
|
| 108 |
192-4461 |
Tygon hose (sold by the inch) |
$3.68 |
3 inch |
|
| 109 |
192-0894 |
T-nipple |
$4.78 |
1 |
|
| 110 |
192-0404 |
Wire reinforced hose (sold by the inch) |
$0.90 |
3 inch |
|
| 111 |
192-0404 |
Wire reinforced hose (sold by the inch) |
$0.90 |
8 inch |
|
| 112 |
192-0404 |
Wire reinforced hose (sold by the inch) |
$0.90 |
25 inch |
|
| 113 |
192-0404 |
Wire reinforced hose (sold by the inch) |
$0.90 |
16 inch |
|
| 114 |
192-7109 |
T-nipple |
$3.85 |
2 |
|
| 115 |
192-0404 |
Wire reinforced hose (sold by the inch) |
$0.90 |
16 inch |
(1650) |
| 116 |
192-7548 |
Y-pipe |
$5.43 |
1 |
|
| 117 |
192-0404 |
Wire reinforced hose (sold by the inch) |
$0.90 |
7 inch |
|
| 118 |
192-4344 |
Hose (sold by the inch) |
$3.26 |
55 inch |
|
| 119 |
192-1601 |
Check valve |
$26.18 |
1 |
|
| 120 |
192-0404 |
Wire reinforced hose (sold by the inch) |
$0.90 |
7 inch |
(1650) |
| 121 |
292-5408 |
Rear cover |
$32.82 |
1 |
|
| 122 |
192-1557 |
Screw 60 x 35 torx head |
$2.33 |
6 |
|
| 125 |
192-8971 |
Drain hose with attached gray cap |
$94.71 |
2 |
|
| 126 |
192-1561 |
Screw 60 x 20 torx head |
$2.33 |
9 |
|
| 127 |
192-0099 |
Hose holder |
$2.91 |
2 |
|
| 129 |
192-2550 |
Holder |
$2.75 |
3 |
|
| 130 |
192-0130 |
Hose clamp |
$2.33 |
3 |
|
| 131 |
192-8972 |
Suction hose |
$33.10 |
1 |
|
| 132 |
192-0404 |
Wire reinforced hose (sold by the inch) |
$0.90 |
20 inch |
(1850) |
| 133 |
192-0404 |
Wire reinforced hose (sold by the inch) |
$0.90 |
20 inch |
(1850) |
| 134 |
292-0271 |
Rubber ring (red) |
$2.33 |
1 |
|
| 135 |
292-5284 |
Rubber ring (blue) |
$2.33 |
1 |
|
| 136 |
292-5409 |
Cover |
$27.04 |
1 |
|
| 137 |
292-5410 |
Cover |
$24.83 |
1 |
|
| 138 |
292-5411 |
Cover |
$10.72 |
1 |
|
| 139 |
192-1595 |
Screw M40 x 16mm torx head |
$2.33 |
2 |
|
|
|
Wiring Diagram - Before V6 - 192-8010 |
|
| RefNbr |
Part Number |
Description |
Price |
Req |
Notes |
|
292-0021 |
Toroidal choke |
$12.89 |
1 |
(before V5) |
|
292-0022 |
Toroidal choke (OBSOLETE) |
$16.03 |
1 |
(before V5) |
|
192-0102 |
7 3/4 inch cable tie |
$2.33 |
1 |
(before V5) |
|
192-9545 |
Wiring harness (vac motor to control board) |
$39.63 |
1 |
|
|
192-9329 |
Communication cable (dashboard to power electronic) |
$12.82 |
1 |
|
|
292-0927 |
Connecting cable |
$16.38 |
1 |
(before V5) |
|
192-9549 |
Cable (dashboard to charger) |
$29.95 |
1 |
|
|
292-8567 |
Wire harness (e-stop) |
$21.21 |
1 |
(V5) |
|
292-8568 |
Wire harness (hour meter) |
$39.58 |
1 |
(V5) |
|
292-8569 |
Wire harness (brush motor) |
$29.32 |
1 |
(V5) |
|
292-8570 |
Wire harness (solution, pump and brush lift) |
$3.38 |
1 |
(V5) |
|
292-0505 |
Wire harness |
$16.62 |
1 |
(V5) |
|
292-0848 |
25mm 4AWG wire (red) |
$21.53 |
1 |
(V5) |
|
192-1174 |
2amp fuse clip |
$5.55 |
1 |
(V5) |
|
192-8892 |
6-way ribbon cable |
$9.74 |
1 |
(V5) |
|
|
Battery Connections Assembly - Before V5 - 192-8012 |
|
| RefNbr |
Part Number |
Description |
Price |
Req |
Notes |
| 101 |
192-2505 |
Battery cable clamp |
$21.40 |
1 |
|
| 102 |
192-1420 |
75amp fuse |
$15.92 |
1 |
|
| 103 |
192-4577 |
Insulating nut |
$21.05 |
1 |
|
| 104 |
192-1406 |
Battery cable |
$58.51 |
3 |
|
| 105 |
192-1926 |
Negative battery clamp |
$7.18 |
1 |
|
| 106 |
192-0151 |
Nut M6 hex |
$2.33 |
1 |
|
| 107 |
192-9355 |
Screw M6 x 40mm hex head |
$3.85 |
1 |
|
| 108 |
192-1927 |
Positive battery clamp |
$9.39 |
1 |
|
| 109 |
192-0886 |
Battery post cover |
$2.80 |
1 |
|
| 110 |
292-0153 |
Lever |
$98.02 |
1 |
|
| 111 |
292-0020 |
Screw M8 x 80mm hex head |
$4.08 |
1 |
|
| 112 |
192-0347 |
Nut M8 hex |
$2.33 |
1 |
|
| 113 |
292-0157 |
Bolt |
$13.17 |
1 |
|
| 114 |
292-0156 |
Pressure spring |
$12.54 |
1 |
|
| 115 |
192-0278 |
Screw M8 x 25mm socket head |
$2.68 |
1 |
|
| 116 |
192-0602 |
Bushing |
$9.86 |
1 |
|
| 120 |
192-5078 |
24V brush motor with noise suppression |
$314.43 |
1 |
|
| 121 |
192-8633 |
Stud |
$7.11 |
3 |
|
| 122 |
192-0712 |
Coil with toric core |
$6.48 |
1 |
|
| 123 |
192-0079 |
Washer |
$2.33 |
3 |
|
| 124 |
999-0507 |
Bolt M6-1 x 16mm hex head full thread plain finish |
$0.90 |
3 |
|
| 125 |
192-9388 |
Pulley |
$8.58 |
1 |
|
| 126 |
192-0800 |
Nut M12 left hand thread hex |
$4.20 |
1 |
|
| 127 |
292-8528 |
.5ml capsule loctite medium strength thread lock (red) |
$50.00 |
1 |
|
| 128 |
192-7525 |
Wire sleeve |
$5.31 |
2 |
|
|
|
Tube Assembly - After V4 - 192-8017 |
|
| RefNbr |
Part Number |
Description |
Price |
Req |
Notes |
| 101 |
292-0417 |
Wire harness |
$56.36 |
1 |
(includes 119-121) (non-BMS) |
| 102 |
192-9941 |
Wire harness with charger switch |
$60.14 |
1 |
(non-BMS) |
| 103 |
192-8972 |
Suction hose |
$33.10 |
1 |
|
| 104 |
192-0549 |
Screw KA 35 x 20 |
$2.33 |
2 |
(non-BMS) |
| 105 |
192-1557 |
Screw 60 x 35 torx head |
$2.33 |
6 |
|
| 106 |
192-1561 |
Screw 60 x 20 torx head |
$2.33 |
9 |
|
| 107 |
192-1595 |
Screw M40 x 16mm torx head |
$2.33 |
2 |
|
| 108 |
292-0271 |
Rubber ring (red) |
$2.33 |
1 |
|
| 109 |
292-5284 |
Rubber ring (blue) |
$2.33 |
1 |
|
| 110 |
192-8784 |
Switch lever |
$7.34 |
1 |
(non-BMS) |
| 111 |
292-5408 |
Rear cover |
$32.82 |
1 |
|
| 112 |
192-0130 |
Hose clamp |
$2.33 |
3 |
|
| 113 |
192-2550 |
Holder |
$2.75 |
3 |
|
| 114 |
192-8971 |
Drain hose with attached gray cap |
$94.71 |
2 |
|
| 115 |
292-5411 |
Cover |
$10.72 |
1 |
|
| 116 |
292-5410 |
Cover |
$24.83 |
1 |
|
| 117 |
292-5409 |
Cover |
$27.04 |
1 |
|
| 118 |
192-0099 |
Hose holder |
$2.91 |
2 |
|
| 119 |
192-1595 |
Screw M40 x 16mm torx head |
$2.33 |
2 |
(option) |
| 120 |
192-7083 |
T-handle |
$52.98 |
1 |
(option) |
| 121 |
192-0389 |
50amp charger plug SB50 with hole (gray) |
$15.92 |
2 |
|
|
|
Squeegee Assembly - 192-8027 |
|
| RefNbr |
Part Number |
Description |
Price |
Req |
Notes |
| 101 |
292-8552 |
Squeegee assembly |
$676.85 |
1 |
(includes 102-126) |
| 102 |
192-8967 |
Right side blade retainer |
$9.44 |
1 |
|
| 103 |
192-8966 |
Right side middle blade retainer |
$10.49 |
1 |
|
| 104 |
192-8965 |
Left side middle blade retainer |
$10.49 |
1 |
|
| 105 |
192-8964 |
Left side blade retainer |
$9.44 |
1 |
|
| 106a |
192-8968 |
Squeegee blade front |
$113.94 |
1 |
|
| 106b |
192-9804 |
Squeegee blade front solid |
$141.84 |
1 |
(option) |
| 107a |
192-8969 |
Squeegee blade 48 inch rear |
$124.24 |
1 |
|
| 107b |
292-0926 |
Squeegee blade |
$43.60 |
1 |
(option) |
| 108 |
292-0024 |
Squeegee weldment |
$123.61 |
1 |
|
| 109 |
192-8744 |
Wheel |
$30.14 |
2 |
|
| 110 |
192-9212 |
Screw M8 x 40/22mm hex |
$4.15 |
5 |
|
| 111 |
192-0510 |
Nut M8 self locking |
$2.33 |
5 |
|
| 112 |
292-0002 |
Wire spring |
$15.50 |
1 |
|
| 113 |
292-0003 |
Flat spring |
$11.72 |
1 |
|
| 114 |
192-9360 |
Screw M6 x 16mm self tapping |
$2.80 |
3 |
|
| 115 |
292-0004 |
Star knob |
$4.03 |
4 |
|
| 116 |
192-0075 |
Retaining ring |
$5.55 |
4 |
|
| 117 |
292-0005 |
Screw M10 hex head |
$22.45 |
4 |
|
| 118 |
192-6339 |
Nut M10 self locking |
$2.33 |
3 |
|
| 119 |
192-0112 |
Washer |
$2.33 |
2 |
|
| 120 |
192-9801 |
Castor wheel |
$31.66 |
2 |
|
| 121 |
192-1571 |
Screw M50 x 16mm |
$2.33 |
2 |
|
| 122 |
192-9802 |
Wheel |
$26.88 |
3 |
|
| 123 |
192-7424 |
Washer 8.4/20 |
$2.33 |
4 |
|
| 124 |
192-9803 |
Bushing |
$2.40 |
5 |
|
| 125 |
292-0126 |
Holder bar |
$2.45 |
1 |
|
| 126 |
292-8551 |
Bracket |
$31.35 |
1 |
|
|
|
Squeegee Assembly - After V5 - 192-8029 |
|
| RefNbr |
Part Number |
Description |
Price |
Req |
Notes |
| 000 |
292-1032 |
Squeegee complete |
$0.00 |
1 |
(includes 101-131) |
| 101 |
292-0002 |
Wire spring |
$15.50 |
1 |
|
| 102 |
192-8744 |
Wheel |
$30.14 |
4 |
|
| 103 |
192-9802 |
Wheel |
$26.88 |
2 |
|
| 104 |
192-0496 |
Washer M10 |
$2.33 |
3 |
|
| 105 |
192-7424 |
Washer 8.4/20 |
$2.33 |
5 |
|
| 106 |
192-9360 |
Screw M6 x 16mm self tapping |
$2.80 |
3 |
|
| 107 |
292-0004 |
Star knob |
$4.03 |
4 |
|
| 108 |
292-8541 |
Squeegee weldment |
$230.77 |
1 |
|
| 109 |
192-6490 |
Screw M8 x 100mm socket head |
$2.33 |
1 |
|
| 110 |
192-0364 |
Screw M8 x 12mm socket head |
$2.40 |
2 |
|
| 111 |
292-0126 |
Holder bar |
$2.45 |
1 |
|
| 112 |
192-6339 |
Nut M10 self locking |
$2.33 |
3 |
|
| 113 |
999-0471 |
Nut M8-1.25 nylon insert lock zinc plated |
$0.90 |
4 |
|
| 114 |
192-1571 |
Screw M50 x 16mm |
$2.33 |
2 |
|
| 115 |
192-0075 |
Retaining ring |
$5.55 |
4 |
|
| 116 |
292-8550 |
Locking bolt |
$11.72 |
3 |
|
| 117 |
292-8549 |
Hook |
$3.96 |
2 |
|
| 118 |
292-8545 |
Holder |
$29.49 |
1 |
|
| 119 |
292-8544 |
Holder |
$33.68 |
1 |
|
| 120 |
292-8543 |
Holder |
$33.68 |
1 |
|
| 121 |
292-8542 |
Holder |
$29.49 |
1 |
|
| 122 |
292-0005 |
Screw M10 hex head |
$22.45 |
4 |
|
| 123 |
192-9212 |
Screw M8 x 40/22mm hex |
$4.15 |
3 |
|
| 124 |
292-0003 |
Flat spring |
$11.72 |
1 |
|
| 125 |
292-8548 |
Caster wheel |
$41.61 |
3 |
|
| 126 |
192-9803 |
Bushing |
$2.40 |
6 |
|
| 127 |
292-1031 |
Squeegee blade rear |
$91.46 |
1 |
(option) |
| 128 |
292-8547 |
Squeegee blade 43 inch rear |
$165.62 |
1 |
|
| 129 |
292-8546 |
Squeegee blade front |
$157.30 |
1 |
|
| 130 |
292-0507 |
Squeegee blade for tile floors |
$168.41 |
1 |
(option) |
| 131 |
192-1872 |
Grease |
$10.90 |
1 |
|
| N/S |
192-7425 |
Washer |
$4.27 |
2 |
|
|
|
Drain Hose Assembly - Before V3 - 192-8961 |
|
| RefNbr |
Part Number |
Description |
Price |
Req |
Notes |
| 121 |
192-8970 |
Rear panel |
$46.69 |
1 |
|
| 122 |
192-1557 |
Screw 60 x 35 torx head |
$2.33 |
6 |
|
| 123 |
192-0236 |
Threaded cap (blue) |
$2.33 |
1 |
(series 1-3) |
| 124 |
192-0979 |
Hose |
$25.94 |
1 |
(series 1-3) |
| 125 |
192-8971 |
Drain hose with attached gray cap |
$94.71 |
1 |
|
| 126 |
192-1561 |
Screw 60 x 20 torx head |
$2.33 |
9 |
|
| 127 |
192-0099 |
Hose holder |
$2.91 |
2 |
|
| 129 |
192-2550 |
Holder |
$2.75 |
3 |
|
| 130 |
192-0130 |
Hose clamp |
$2.33 |
3 |
|
| 131 |
192-8972 |
Suction hose |
$33.10 |
1 |
|
| 132 |
292-0271 |
Rubber ring (red) |
$2.33 |
1 |
|
| 133 |
292-5284 |
Rubber ring (blue) |
$2.33 |
1 |
|
| 135 |
192-8984 |
Y-pipe |
$7.88 |
1 |
(series 1-3) |
| 136a |
192-8991 |
Squeegee suction hose (Swingo 1650) |
$22.80 |
2 |
(1650) (must purchase reference 131 for complete squeegee hose assembly) |
| 136b |
192-9331 |
Squeegee suction hose (Swingo 1850) |
$26.06 |
2 |
(1850) (must purchase reference 131 for complete squeegee hose assembly) |
| 137 |
292-5410 |
Cover |
$24.83 |
1 |
|
| 138 |
292-5411 |
Cover |
$10.72 |
1 |
|
| 139 |
192-1595 |
Screw M40 x 16mm torx head |
$2.33 |
2 |
|
| 140 |
292-5409 |
Cover |
$27.04 |
1 |
(series 1-3) |
| 141 |
292-5408 |
Rear cover |
$32.82 |
1 |
|
| 142 |
192-0549 |
Screw KA 35 x 20 |
$2.33 |
2 |
|
| 143 |
991-9284 |
50amp charger plug SB50 with pins (red) |
$6.47 |
1 |
(series 1-3) (for off board charger) |
| 144 |
192-8784 |
Switch lever |
$7.34 |
1 |
(for off board charger) |
| 145 |
192-9941 |
Wire harness with charger switch |
$60.14 |
1 |
(for off board charger) |
|
|
-Simplified Solution System - |
|
| RefNbr |
Part Number |
Description |
Price |
Req |
Notes |
|
|
-Simplified Recovery System - |
|
| RefNbr |
Part Number |
Description |
Price |
Req |
Notes |
|
|
-Simplified Electrical System - |
|
| RefNbr |
Part Number |
Description |
Price |
Req |
Notes |
|
|
Accessories Assembly - Before V5 - 192-9591 |
|
| RefNbr |
Part Number |
Description |
Price |
Req |
Notes |
| 101 |
192-0549 |
Screw KA 35 x 20 |
$2.33 |
2 |
|
| 102 |
192-0389 |
50amp charger plug SB50 with hole (gray) |
$15.92 |
1 |
|
| 110 |
192-0445 |
Screw M5 x 25mm pan head tap |
$2.33 |
4 |
|
| 111a |
192-3013 |
Brush coupling |
$12.59 |
1 |
(1650) |
| 111b |
192-3469 |
Clutch plate |
$13.75 |
1 |
(1850) |
| 112 |
292-5708 |
Key switch |
$21.33 |
1 |
(includes 113-114, 122) |
| 113a |
292-5254 |
Steel key |
$3.61 |
1 |
|
| 113b |
192-1592 |
Plastic key |
$2.33 |
1 |
|
| 114 |
192-8584 |
Screw 40 x 8 |
$2.33 |
1 |
|
| 115 |
192-8784 |
Switch lever |
$7.34 |
1 |
|
| 116 |
192-9941 |
Wire harness with charger switch |
$60.14 |
1 |
|
| 117 |
292-5561 |
Membrane |
$4.38 |
1 |
|
| 118 |
192-2797 |
Clamp |
$5.13 |
1 |
|
| 119 |
192-2496 |
Cable clamp |
$2.33 |
1 |
|
| 120 |
192-0677 |
Washer M3 |
$2.33 |
2 |
|
| 121 |
192-0294 |
Screw M3 x 20 raised cheese head |
$2.33 |
2 |
|
| 122 |
192-0149 |
Washer |
$2.33 |
1 |
|
| 124 |
192-7083 |
T-handle |
$52.98 |
1 |
(option) |
| 125 |
192-9399 |
Bumper |
$1,239.91 |
1 |
(1650) |
| 130 |
192-9238 |
Spacer set |
$10.49 |
1 |
|
| 131 |
192-9382 |
Battery tray |
$103.96 |
1 |
|
| 141 |
292-5257 |
Easy prop-up kit for wet batteries |
$339.45 |
1 |
|
|
|
- Batteries, Brushes and Charger - Machines Starting in 2016 - 192-9618 |
|
| RefNbr |
Part Number |
Description |
Price |
Req |
Notes |
|
162-0043 |
6V 224Ah AGM battery (Group GC2) (SNSR) |
$415.00 |
4 |
|
|
162-0003 |
6V 225Ah wet battery (SNSR) |
$245.00 |
4 |
|
|
162-6021 |
6V 189Ah gel battery (SNSR) |
$845.82 |
4 |
|
|
292-9114 |
24V 52ah lithium battery |
$2,421.91 |
3 |
(wired into parallel) |
|
292-0054 |
24V 25amp AGM SCR battery charger with small SB50 gray plug |
$568.10 |
1 |
(for 6V batteries) |
|
292-0007 |
24V 25amp onboard battery charger kit |
$2,007.01 |
1 |
|
|
292-5276 |
24V 25amp wet SCR battery charger w/small SB50 red plug |
$481.65 |
1 |
(for units with wet cell conversion) |
|
292-5287 |
24V 25amp onboard battery charger |
$906.46 |
1 |
|
|
162-5140 |
24V 25amp battery charger with small SB50 gray plug |
$603.78 |
1 |
|
|
192-9437 |
13 inch progrit scrubbing brush (gray) |
$386.28 |
2 |
(1650) (1655) |
|
192-9435 |
13 inch hard nylon scrubbing brush (white) |
$184.26 |
2 |
(1650) (1655) |
|
192-9436 |
13 inch soft nylon scrubbing brush (white) |
$157.62 |
2 |
(1650) (1655) |
|
292-5111 |
17 inch soft nylon scrubbing brush (white) |
$224.22 |
2 |
(1855) |
|
292-5110 |
17 inch hard nylon scrubbing brush (white) |
$250.86 |
2 |
(1855) |
|
292-5112 |
17 inch progrit scrubbing brush (gray) |
$353.78 |
2 |
(1855) |
|
|
- Frequently Replaced Parts - 192-9945 |
|
| RefNbr |
Part Number |
Description |
Price |
Req |
Notes |
| 01 |
162-0043 |
6V 224Ah AGM battery (Group GC2) (SNSR) |
$415.00 |
4 |
|
| 02a |
292-0054 |
24V 25amp AGM SCR battery charger with small SB50 gray plug |
$568.10 |
|
|
| 02b |
292-0007 |
24V 25amp onboard battery charger kit |
$2,007.01 |
|
|
| 02c |
292-5276 |
24V 25amp wet SCR battery charger w/small SB50 red plug |
$481.65 |
|
|
| 03 |
292-5285 |
Onboard charger cord |
$25.17 |
|
|
| 04a |
292-5252 |
120amp charger plug (gray) SB120 |
$29.54 |
|
|
| 04b |
292-0240 |
SB50 to SB120 connector (gray) |
$120.06 |
|
|
| 04c |
292-0060 |
DC cordset with 50amp small gray plug |
$125.75 |
|
|
| 04d |
991-2106 |
50amp gray charger plug SB50 assembly w/ wires |
$36.19 |
|
|
| 05 |
192-1406 |
Battery cable |
$58.51 |
|
|
| 06a |
292-5708 |
Key switch |
$21.33 |
|
(after SN 5980) |
| 06b |
292-5254 |
Steel key |
$3.61 |
|
(after SN 5980) |
| 07 |
192-8721 |
Microswitch |
$11.49 |
|
(before SN 5980) |
| 08 |
192-1592 |
Plastic key |
$2.33 |
|
|
| 09 |
192-8999 |
Dashboard |
$380.21 |
|
|
| 10 |
192-9276 |
Solenoid and filter assembly |
$261.96 |
|
|
| 11 |
292-0082 |
Filter kit |
$10.61 |
|
|
| 12a |
192-8747 |
Squeegee blade 39 inch front (clear) |
$60.91 |
|
|
| 12b |
192-9273 |
Squeegee blade 42 inch rear (clear) |
$92.42 |
|
|
| 13a |
192-8991 |
Squeegee suction hose (Swingo 1650) |
$22.80 |
|
|
| 13b |
192-8972 |
Suction hose |
$33.10 |
|
|
| 13c |
192-8984 |
Y-pipe |
$7.88 |
|
|
| 14a |
192-8945 |
Tank hood |
$335.10 |
|
|
| 14b |
192-6334 |
Sealing profile (sold by the inch) |
$0.90 |
91 in |
|
| 15 |
192-8971 |
Drain hose with attached gray cap |
$94.71 |
|
|
| 16a |
192-0770 |
24V 2 stage vacuum motor |
$289.80 |
|
|
| 16b |
192-0771 |
Carbon brush plastic (black) (clip in) |
$8.35 |
|
|
| 16c |
192-2658 |
Carbon brush plastic (red) (screw in) |
$72.73 |
|
|
| 17a |
192-9437 |
13 inch progrit scrubbing brush (gray) |
$386.28 |
|
|
| 17b |
192-9435 |
13 inch hard nylon scrubbing brush (white) |
$184.26 |
|
|
| 17c |
192-9436 |
13 inch soft nylon scrubbing brush (white) |
$157.62 |
|
|
| 17d |
292-0023 |
13 inch microfiber pad (pkg of 4) |
$82.35 |
|
|
| 17e |
192-9434 |
13 inch pad driver |
$170.94 |
|
|
| 18 |
192-3013 |
Brush coupling |
$12.59 |
|
|
| 19 |
292-0337 |
13 inch scrubbing pad (orange) (pkg of 2) |
$123.38 |
|
|
| 20 |
292-9269 |
24V pump |
$277.02 |
|
(Series 6) |
|
|
- Pads - 13 inch - 255-1300 |
|
| RefNbr |
Part Number |
Description |
Price |
Req |
Notes |
| 01 |
255-1340 |
13 inch aqua plus burnishing pad (pkg of 5) |
$23.50 |
|
|
| 02 |
255-1335 |
13 inch Armadillo concrete scrubbing pad (pkg of 5) |
$26.83 |
|
|
| 03 |
255-1364 |
13 inch Blue ace pad (pkg of 5) |
$23.48 |
|
|
| 04 |
255-1342 |
13 inch Blue Jay burnishing pad (pkg of 5) |
$23.50 |
|
|
| 05 |
255-1312 |
13 inch Cure white pad (pkg of 5) |
$23.50 |
|
|
| 06 |
255-1377 |
13 inch Diamondback extreme stripping pad (pkg of 5) |
$23.50 |
|
|
| 07 |
255-1338 |
13 inch EHD Extra Heavy Duty Concrete Leveling Pad (pkg of 2 |
$125.12 |
|
|
| 08 |
255-1321 |
13 inch gorilla lite burnishing pad (pkg of 5) |
$23.50 |
|
|
| 09 |
255-1350 |
13 inch gorilla spray buff/polish/burnish pad (pkg of 5) |
$23.50 |
|
|
| 10 |
255-1365 |
13 inch Heat concrete bonding pad (pkg of 5) |
$85.45 |
|
|
| 11 |
255-1330 |
13 inch jaguar burnishing pad (pkg of 5) |
$23.50 |
|
|
| 12 |
255-1387 |
13 inch Melamine Mela-Kleen pad (pkg of 2) |
$145.85 |
|
|
| 13 |
255-1390 |
13 inch premium black stripping pad (pkg of 5) |
$21.97 |
|
|
| 14 |
255-1370 |
13 inch premium blue cleaning pad (pkg of 5) |
$23.50 |
|
|
| 15 |
255-1392 |
13 inch premium brown stripping pad (pkg of 5) |
$23.50 |
|
|
| 16 |
255-1380 |
13 inch premium green scrubbing pad (pkg of 5) |
$23.48 |
|
|
| 17 |
255-1360 |
13 inch premium red scrubbing pad (pkg of 5) |
$23.48 |
|
|
| 18 |
255-1352 |
13 inch premium tan polishing pad (pkg of 5) |
$20.93 |
|
|
| 19 |
255-1320 |
13 inch premium white polishing pad (pkg of 5) |
$23.48 |
|
|
| 20 |
255-1311 |
13 inch superspeed rubberized pad (pkg of 5) |
$20.93 |
|
|
| 21 |
255-1395 |
13 inch razorback stripping pad (pkg of 5) |
$30.53 |
|
|
| 22 |
255-1347 |
13 inch Redwood maroon floor prep pad (pkg of 10) |
$48.33 |
|
|
| 23 |
255-1355 |
13 inch Ruff non-abrasive brush pad (pkg of 2) |
$94.35 |
|
|
| 24 |
255-1323 |
13 inch sand screen driver pad (pkg of 2) |
$25.63 |
|
|
| 25 |
255-0198 |
13 inch Superscreen sand screen 100 grit (pkg of 10) |
$49.13 |
|
|
| 26 |
255-0199 |
13 inch Superscreen sand screen 120 grit (pkg of 10) |
$42.67 |
|
|
| 27 |
255-0200 |
13 inch Superscreen sand screen 150 grit (pkg of 10) |
$63.13 |
|
|
| 28 |
255-0201 |
13 inch Superscreen sand screen 180 grit (pkg of 10) |
$57.80 |
|
|
| 29 |
255-0202 |
13 inch Superscreen sand screen 220 grit (pkg 10)(OBSOLETE) |
$40.44 |
|
|
| 30 |
255-0203 |
13 inch Superscreen sand screen 400 grit (pkg of 10) |
$40.44 |
|
|
| 31 |
255-0196 |
13 inch Superscreen sand screen 60 grit(pkg of 10) (OBSOLETE |
$23.90 |
|
|
| 32 |
255-0197 |
13 inch Superscreen sand screen 80 grit (pkg of 10) |
$72.31 |
|
|
| 33 |
255-0113 |
13 inch Professional sand screen 100 grit (pkg of 10) |
$58.96 |
|
|
| 34 |
255-0114 |
13 inch Professional sand screen 120 grit (pkg of 10) |
$47.18 |
|
|
| 35 |
255-0115 |
13 inch Professional sand screen 150 grit (pkg of 10) |
$48.53 |
|
|
| 36 |
255-0116 |
13 inch Professional sand screen 180 grit (pkg of 10) |
$48.53 |
|
|
| 37 |
255-0117 |
13 inch Pro sand screen 220 grit (pkg of 10) (OBSOLETE) |
$48.53 |
|
|
| 38 |
255-0118 |
13 inch Professional sand screen 400 grit (pkg of 10) |
$48.53 |
|
|
| 39 |
255-0111 |
13 inch Professional sand screen 60 grit (pkg of 10) |
$109.55 |
|
|
| 40 |
255-0112 |
13 inch Professional sand screen 80 grit (pkg of 10) |
$84.68 |
|
|
| 41 |
255-1324 |
13 inch Tiger carpet bonnet (pkg of 2) |
$66.30 |
|
|
| 42 |
255-9542 |
13 inch Diamond by Gorilla 11000 Grit (pkg of 2) |
$118.30 |
|
|
| 43 |
255-9539 |
13 inch Diamond by Gorilla 1500 Grit (pkg of 2) |
$118.30 |
|
|
| 44 |
255-9536 |
13 inch Diamond by Gorilla 200 Grit (pkg of 2) |
$128.25 |
|
|
| 45 |
255-9540 |
13 inch Diamond by Gorilla 3000 Grit (pkg of 2) |
$118.30 |
|
|
| 46 |
255-9537 |
13 inch Diamond by Gorilla 400 Grit (pkg of 2) |
$118.30 |
|
|
| 47 |
255-9538 |
13 inch Diamond by Gorilla 800 Grit (pkg of 2) |
$118.30 |
|
|
| 48 |
255-9541 |
13 inch Diamond by Gorilla 8000 Grit (pkg of 2) |
$118.30 |
|
|
| 49 |
255-9638 |
13 inch Diamond starter pack (1 of each grit) |
$227.22 |
|
|
| 50 |
255-1382 |
13 inch Turbostrip segmented rotary pad (pkg of 4) |
$43.53 |
|
|
| 51 |
255-1315 |
13 inch Duala clean and shine pad - low speed (pkg of 5) |
$92.10 |
|
|
| 52 |
255-1316 |
13 inch 2001 Duala clean and shine pad-high speed (OBSOLETE) |
$133.43 |
|
|
|
|
- Pads - 17 inch - 255-1700 |
|
| RefNbr |
Part Number |
Description |
Price |
Req |
Notes |
| 01 |
255-1740 |
17 inch aqua plus burnishing pad (pkg of 5) |
$27.86 |
|
|
| 02 |
255-1735 |
17 in Armadillo concrete scrubbing pad (pkg of 5) (OBSOLETE) |
$39.75 |
|
|
| 03 |
255-1764 |
17 inch Blue ace pad (pkg of 5) |
$34.80 |
|
|
| 04 |
255-1742 |
17 inch Blue Jay burnishing pad (pkg of 5) |
$34.80 |
|
|
| 05 |
255-1712 |
17 inch Cure white pad (pkg of 5) (OBSOLETE) |
$34.80 |
|
|
| 06 |
255-1777 |
17 inch Diamondback extreme stripping pad (pkg of 5) |
$49.85 |
|
|
| 07 |
255-1738 |
17 inch EHD Extra Heavy Duty Concrete Leveling Pad (pkg of 2 |
$163.73 |
|
|
| 08 |
255-1721 |
17 inch gorilla lite burnishing pad (pkg of 5) |
$34.80 |
|
|
| 09 |
255-1750 |
17 inch gorilla spray buff/polish/burnish pad (pkg of 5) |
$34.80 |
|
|
| 10 |
255-1765 |
17 inch Heat concrete bonding pad (pkg of 5) |
$101.72 |
|
|
| 11 |
255-1730 |
17 inch jaguar burnishing pad (pkg of 5) |
$27.86 |
|
|
| 12 |
255-1767 |
17 inch Laminated 2001 Gorilla polish pad (pkg of 5) |
$101.72 |
|
|
| 13 |
255-1768 |
17 inch Microclean daily cleaning pad (pkg of 2) (OBSOLETE) |
$124.93 |
|
|
| 14 |
255-1769 |
17 inch Micropolish polishing and burnishing pad (pkg of 2) |
$155.95 |
|
|
| 15 |
255-1790 |
17 inch premium black stripping pad (pkg of 5) |
$34.80 |
|
|
| 16 |
255-1770 |
17 inch premium blue cleaning pad (pkg of 5) |
$34.80 |
|
|
| 17 |
255-1792 |
17 inch premium brown stripping pad (pkg of 5) |
$34.80 |
|
|
| 18 |
255-1780 |
17 inch premium green scrubbing pad (pkg of 5) |
$34.80 |
|
|
| 19 |
255-1760 |
17 inch premium red scrubbing pad (pkg of 5) |
$34.80 |
|
|
| 20 |
255-1752 |
17 inch premium tan polishing pad (pkg of 5) |
$34.80 |
|
|
| 21 |
255-1720 |
17 inch premium white polishing pad (pkg of 5) |
$34.80 |
|
|
| 22 |
255-1711 |
17 inch superspeed rubberized pad (pkg of 5) |
$27.86 |
|
|
| 23 |
255-1795 |
17 inch razorback stripping pad (pkg of 5) |
$45.33 |
|
|
| 24 |
255-1747 |
17 inch Redwood maroon floor prep pad (pkg of 10) |
$71.65 |
|
|
| 25 |
255-1755 |
17 inch Ruff non-abrasive brush pad (pkg of 2) |
$124.65 |
|
|
| 26 |
255-1723 |
17 inch sand screen driver pad (pkg of 2) |
$40.68 |
|
|
| 27 |
255-0139 |
17 inch Professional sand screen 100 grit (pkg of 10) |
$124.53 |
|
|
| 28 |
255-0019 |
17 inch Professional sand screen 120 grit (pkg of 10) |
$117.03 |
|
|
| 29 |
255-0140 |
17 inch Professional sand screen 150 grit (pkg of 10) |
$101.80 |
|
|
| 30 |
255-0141 |
17 inch Professional sand screen 180 grit (pkg of 10) |
$101.80 |
|
|
| 31 |
255-0142 |
17 inch Professional sand screen 220 grit (pkg of 10) |
$101.80 |
|
|
| 32 |
255-0143 |
17 inch Professional sand screen 400 grit (pkg of 10) |
$81.54 |
|
|
| 33 |
255-0138 |
17 inch Professional sand screen 60 grit (pkg of 10) |
$182.08 |
|
|
| 34 |
255-0018 |
17 inch Professional sand screen 80 grit (pkg of 10) |
$150.75 |
|
|
| 35 |
255-0225 |
17 inch Superscreen sand screen 100 grit (pkg of 10) |
$83.10 |
|
|
| 36 |
255-0226 |
17 inch Superscreen sand screen 120 grit (pkg of 10) |
$78.08 |
|
|
| 37 |
255-0227 |
17 inch Superscreen sand screen 150 grit (pkg of 10) |
$86.91 |
|
|
| 38 |
255-0228 |
17 inch Superscreen sand screen 180 grit (pkg of 10) |
$67.95 |
|
|
| 39 |
255-0229 |
17 inch Superscreen sand screen 220 grit (pkg of 10) |
$97.13 |
|
|
| 40 |
255-0230 |
17 inch Superscreen sand screen 400 grit (pkg of 10) |
$67.95 |
|
|
| 41 |
255-0223 |
17 inch Superscreen sand screen 60 grit (pkg of 10) |
$155.47 |
|
|
| 42 |
255-0224 |
17 inch Superscreen sand screen 80 grit (pkg of 10) |
$100.59 |
|
|
| 43 |
255-1724 |
17 inch Tiger carpet bonnet (pkg of 2) |
$76.00 |
|
|
| 44 |
255-9570 |
17 inch Diamond by Gorilla 11000 Grit (pkg of 2) |
$153.80 |
|
|
| 45 |
255-9567 |
17 inch Diamond by Gorilla 1500 Grit (pkg of 2) |
$153.80 |
|
|
| 46 |
255-9564 |
17 inch Diamond by Gorilla 200 Grit (pkg of 2) |
$163.73 |
|
|
| 47 |
255-9568 |
17 inch Diamond by Gorilla 3000 Grit (pkg of 2) |
$153.80 |
|
|
| 48 |
255-9565 |
17 inch Diamond by Gorilla 400 Grit (pkg of 2) |
$163.73 |
|
|
| 49 |
255-9566 |
17 inch Diamond by Gorilla 800 Grit (pkg of 2) |
$113.05 |
|
|
| 50 |
255-9569 |
17 inch Diamond by Gorilla 8000 Grit (pkg of 2) |
$153.80 |
|
|
| 51 |
255-9642 |
17 inch Diamond starter pack (1 of each grit) |
$287.02 |
|
|
| 52 |
255-1782 |
17 inch Turbostrip segmented rotary pad (pkg of 4) |
$53.85 |
|
|
| 53 |
255-1715 |
17 inch Duala clean and shine pad - low speed (pkg of 5) |
$133.70 |
|
|
| 54 |
255-1716 |
17 inch 2001 Duala clean and shine pad - high speed (pkg 5) |
$154.67 |
|
|
|
|
- Pad Holders - 275-9029 |
|
| RefNbr |
Part Number |
Description |
Price |
Req |
Notes |
| 1 |
991-2214 |
Center-Lok II pad holder - left hand thread (red) |
$40.84 |
|
|
| 2a |
991-2201 |
Center-Lok II pad holder - right hand thread (black) |
$40.84 |
|
(Pad driver side female, Floor side male) |
| 2b |
991-8577 |
Pad retainer |
$23.04 |
|
(Pad driver side male, Floor side female) |
| 3a |
991-2202 |
Big mouth pad holder set (blue) |
$44.52 |
|
(includes 3 screws) |
| 3b |
991-2205 |
Deep lock ring and pad grip ring |
$32.00 |
|
|
| 4 |
991-2203 |
Big mouth pad holder male thread portion |
$37.74 |
|
|
| 5 |
991-2206 |
Center-Lok 3 pad holder |
$47.32 |
|
(includes 3 screws) |
| 6 |
996-0372 |
Big mouth pad holder (left hand thread) |
$44.52 |
|
|
| 7 |
N/A |
Not available |
$0.00 |
|
|
| 8 |
991-2209 |
Split retainer - pad holder ring (OBSOLETE) |
$29.10 |
|
|
| 9 |
N/A |
Not available |
$0.00 |
|
(replaced by #3 991-2202) |
| 10 |
991-2211 |
Center lock pad holding cup (male) (yellow) (OBSOLETE) |
$25.17 |
|
|
|
|
- Manufacturer Recommended Stocking Parts - 392-9996 |
|
| RefNbr |
Part Number |
Description |
Price |
Req |
Notes |
| 1 |
192-9328 |
Jumper (OBSOLETE) |
$2.22 |
1 |
(troubleshooting tool) |
| 2 |
192-8753 |
Flange bolt |
$2.33 |
2 |
|
| 3 |
192-0770 |
24V 2 stage vacuum motor |
$289.80 |
1 |
|
| 4 |
292-8547 |
Squeegee blade 43 inch rear |
$165.62 |
1 |
|
| 5 |
292-8546 |
Squeegee blade front |
$157.30 |
1 |
|
| 6 |
292-8548 |
Caster wheel |
$41.61 |
2 |
|
| 7 |
292-0002 |
Wire spring |
$15.50 |
1 |
|
| 8 |
192-8972 |
Suction hose |
$33.10 |
1 |
|
| 9 |
192-8971 |
Drain hose with attached gray cap |
$94.71 |
1 |
|
| 10 |
192-8784 |
Switch lever |
$7.34 |
1 |
|
| 11 |
192-0541 |
Switch |
$4.55 |
1 |
|
| 12 |
192-8955 |
Bushing |
$15.92 |
1 |
|
| 13 |
192-9261 |
Poly v belt |
$59.51 |
1 |
|
| 14 |
192-5845 |
24V pump |
$150.30 |
2 |
(replace set) |
| 15 |
192-0400 |
Wire reinforced hose (sold by the inch) |
$0.90 |
1 |
|
| 16 |
392-9984 |
Swingo 1650/1655 wear parts kit (blades,hoses,filter) |
$488.42 |
1 |
(includes 292,8546,292-8547,192-8972,192-8971,292-0082,192-8991) |
|
|